电脑桌面
添加蜗牛文库到电脑桌面
安装后可以在桌面快捷访问

bz001017207.pdfVIP免费

bz001017207.pdf_第1页
bz001017207.pdf_第2页
bz001017207.pdf_第3页
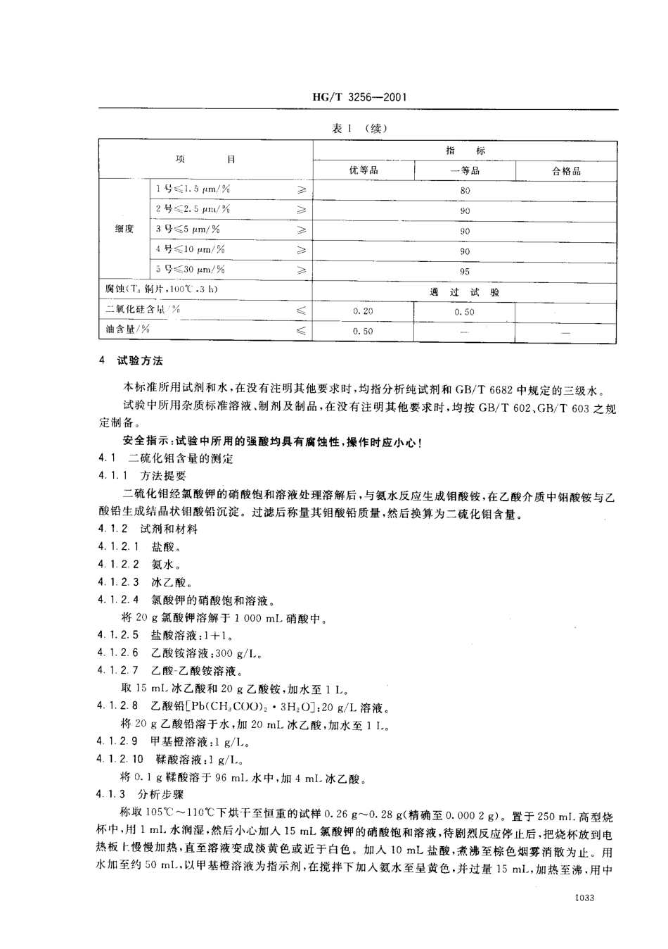
备案号:10097-2002HG/T3256-2001前言本标准是非等效采用美国航空航天材料标准AMS-M-7866;1998《工业润滑品二硫化铂》对推荐性化工行业标准HG/T3256-1990《工业二硫化钥》进行修订而成本标准与AMS-M-7866:1998的主要技术差异为:AMS-M-7866:1998设一个级别,八项指标,即二硫化铝含量、总不溶物含量、水分、腐蚀、细度、水溶物含量、耐腐蚀和油含量。本标准设优等品、一等品和合格品三个级别,八项指标,将水溶物含量、耐腐蚀改为铁含量和二氧化硅含量。本标准与HG/T3256-199。的主要技术差异为:增加了优等品级别的技术指标。增设了二氧化硅含量和油含量二项指标。本标准自实施之日起,同时代替HG/T3256-1990本标准由原国家石油和化学工业局政策法规司提出。本标准由全国化学标准化技术委员会无机化工分会归口。本标准起草单位:天津化工研究设计院、上海胶体化工厂。本标准主要起草人:苏培基、朱美华、卢贵平。本标准于1990年首次发布,1999年转化为化工行业标准。本标准委托全国化学标准化技术委员会无机化工分会负责解释。10.11中华人民共和国化工行业标准HG/T3256-2001工业二硫化钥代替IIc衬C3256-1990Molybdenumdisulfideforindustrialuse范围本标准规定了工业二硫化钥的技术要求、试验方法、检验规则以及标志、标签、包装、运输和贮存。本标准适用于工业二硫化钥产品。该产品用作固体润滑剂和各种润滑剂的添加剂。分子式:MOS,相对分子质量:160.07按1999国1sT#llRii子iFfiu-)2引用标准下列标准所包含的条文,通过在本标准中引用而构成为本标准的条文。本标准出版时,所示版本均为有效所有标准都会被修订,使用本标准的各方应探讨使用下列标准最新版本的可能性GB/T602-1988化学试剂杂质测定用标准溶液的制备(neqISO6353-1;1982)GB/T603-1988化学剂剂试验方法中所用制剂及制品的制备(neqISO6353-1:1982)GB/T1250-1989极限数值的表示方法和判定方法GB/T3049-1986化工产品铁含量测定的通用方法邻菲罗琳分光光度法(neqISO6685:1982)GB/T6678-1986化工产品采样总则GR/T6682-1992分析实验室用水规格和试验方法(eqvISO3696:1987)3要求:;外观:黑色或稍带银灰色极细粉末。工业二硫化钥应符合表1要求表1项目指标优等品一等品合格品二硫化钥含量/%李98.097,Q96.0总不溶物厂肠(1.01.502.50水分了%毛0.500.701.0铁(Fe)含量/%燕0.300.500.70国家经济贸易委员会2002-01-24批准2002-07-01实施1032HG/T3256-2001表1(续)指标优等品一等品合格品妻」80卜一—一一—李...

1、当您付费下载文档后,您只拥有了使用权限,并不意味着购买了版权,文档只能用于自身使用,不得用于其他商业用途(如 [转卖]进行直接盈利或[编辑后售卖]进行间接盈利)。
2、本站所有内容均由合作方或网友上传,本站不对文档的完整性、权威性及其观点立场正确性做任何保证或承诺!文档内容仅供研究参考,付费前请自行鉴别。
3、如文档内容存在违规,或者侵犯商业秘密、侵犯著作权等,请点击“违规举报”。

碎片内容

蜗牛文库的最新文档

二年级数学下册其中检测卷二年级数学下册其中检测卷附答案#期中测试卷.pdf
10.00金币
0下载
二年级数学下册期末质检卷(苏教版)二年级数学下册期末质检卷(苏教版)#期末复习 #期末测试卷 #二年级数学 #二年级数学下册#关注我持续更新小学知识.pdf
10.00金币
0下载
二年级数学下册期末混合运算专项练习二年级数学下册期末混合运算专项练习#二年级#二年级数学下册#关注我持续更新小学知识 #知识分享 #家长收藏孩子受益.pdf
10.00金币
1下载
二年级数学下册年月日三类周期问题解题方法二年级数学下册年月日三类周期问题解题方法#二年级#二年级数学下册#知识分享 #关注我持续更新小学知识 #家长收藏孩子受益.pdf
10.00金币
0下载
二年级数学下册解决问题专项训练二年级数学下册解决问题专项训练#专项训练#解决问题#二年级#二年级数学下册#知识分享.pdf
10.00金币
1下载
二年级数学下册还原问题二年级数学下册还原问题#二年级#二年级数学#关注我持续更新小学知识 #知识分享 #家长收藏孩子受益.pdf
10.00金币
1下载
二年级数学下册第六单元考试卷家长打印出来给孩子测试测试争取拿到高分!#小学二年级试卷分享 #二年级第六单考试数学 #第六单考试#二年级数学下册.pdf
10.00金币
0下载
二年级数学下册必背顺口溜口诀汇总二年级数学下册必背顺口溜口诀汇总#二年级#二年级数学下册 #知识分享 #家长收藏孩子受益 #关注我持续更新小学知识.pdf
10.00金币
0下载
二年级数学下册《重点难点思维题》两大问题解决技巧和方法巧算星期几解决周期问题还原问题强化思维训练老师精心整理家长可以打印出来给孩子练习#家长收藏孩子受益 #学霸秘籍 #思维训练 #二年级 #知识点总结.pdf
10.00金币
0下载
二年级数学下册 必背公式大全寒假提前背一背开学更轻松#二年级 #二年级数学 #二年级数学下册 #寒假充电计划 #公式.pdf
10.00金币
0下载
蜗牛文库+ 关注
实名认证
内容提供者

提供各种专业文档内容

确认删除?
QQ
  • QQ点击这里给我发消息
微信客服
  • 微信客服
回到顶部