电脑桌面
添加蜗牛文库到电脑桌面
安装后可以在桌面快捷访问

bz001017165.pdfVIP免费

bz001017165.pdf_第1页
bz001017165.pdf_第2页
bz001017165.pdf_第3页
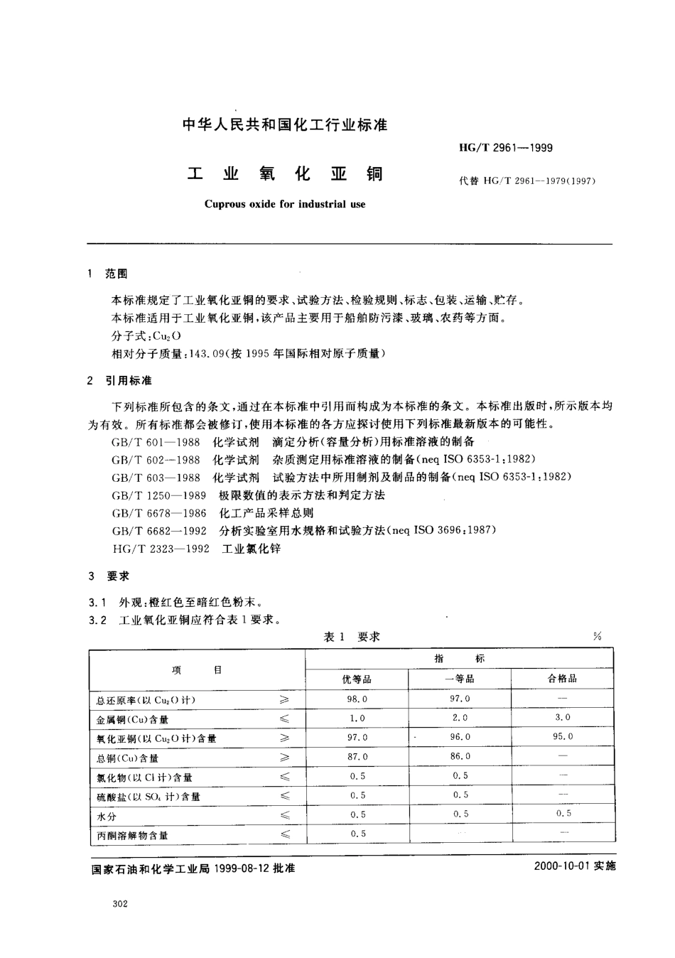
HG/T2961一1999前言本标准是非等效采用美国“材料和试验协会”ASTMD912:198](1986)《防污涂料用氧化亚铜》和ASTMD283-84(90)((氧化亚铜及铜粉颜料试验方法》标准,对化工行业标准HG/T2961--1979(1997)((氧化亚铜》进行修订而成。本标准与ASTMD912:1981(1986)和ASTMD283:1984(1990)标准相比存在以下主要差异:本标准将产品分成优等品、一等品、合格品三个等级。其中优等品指标完全达到AS丁MD912:1981(1986)指标要求,且总铜、总还原率和45pm筛余物根据国内产品特点和用户要求均严于ASTMD912:1981(1986)指标指标项目形式上比ASTMD912:1981(1986)多金属铜含量和水分指标。实质上ASTMD9121981(1986)中为计算氧化亚铜含量也需测定该项,但不控制该项目。本标准与HG/T2961-1979(1997)相比作了如下重要修改:增加了稳定性、丙酮溶解物、氯化物、非铜金属和75um筛上总硝酸不溶物指标及相应试验方法,并将产品分成优等品、一等品、合格品三个等级。本标准采用了型式检验,对生产中能稳定控制的指标不作逐批检验。本标准自实施之日起,同时代替HG/T2961-1979(1997),本标准由中华人民共和国原化学工业部技术监督司提出。本标准由全国化学标准化技术委员会无机化工分会归口。本标准起草单位:化学工业部天津化工研究院、江苏泰兴冶炼厂。本标准主要起草人:范国强、徐金章、张国华、钱亚。本标准1980年1月首次发布为国家标准GB1620-1979((氧化亚铜x,1992年调整为化工行业标准,原GB1620-1979于1997年废止,1998年重新编号为HG/T2961-19790997).本标准委托全国化学标准化技术委员会无机化工分会负责解释。中华人民共和国化工行业标准HG/T2961一1999工业氧化亚铜代替HG/T2961-1979(1997)Cuprousoxideforindustrialuse范围本标准规定了工业氧化亚铜的要求、试验方法、检验规则、标志、包装、运输、贮存。本标准适用于工业氧化亚铜,该产品主要用于船舶防污漆、玻璃、农药等方面。分子式:CuiU相对分子质量;143.09(按1995年国际相对原子质量)2引用标准下列标准所包含的条文,通过在本标准中引用而构成为本标准的条文。本标准出版时,所示版本均为有效。所有标准都会被修订,使用本标准的各方应探讨使用下列标准最新版本的可能性。GB/T601-1988化学试剂滴定分析(容量分析)用标准溶液的制备GB/T602--1988化学试剂杂质测定用标准溶液的制备(neqISO6353-1;1982)GB/T603-1988化学试剂试验方法中所用制剂及制品的制备(neqISO6353-1:1982)GB/T1250-1989极限数值的表示方法和判定...

1、当您付费下载文档后,您只拥有了使用权限,并不意味着购买了版权,文档只能用于自身使用,不得用于其他商业用途(如 [转卖]进行直接盈利或[编辑后售卖]进行间接盈利)。
2、本站所有内容均由合作方或网友上传,本站不对文档的完整性、权威性及其观点立场正确性做任何保证或承诺!文档内容仅供研究参考,付费前请自行鉴别。
3、如文档内容存在违规,或者侵犯商业秘密、侵犯著作权等,请点击“违规举报”。

碎片内容

蜗牛文库的最新文档

二年级数学下册其中检测卷二年级数学下册其中检测卷附答案#期中测试卷.pdf
10.00金币
0下载
二年级数学下册期末质检卷(苏教版)二年级数学下册期末质检卷(苏教版)#期末复习 #期末测试卷 #二年级数学 #二年级数学下册#关注我持续更新小学知识.pdf
10.00金币
0下载
二年级数学下册期末混合运算专项练习二年级数学下册期末混合运算专项练习#二年级#二年级数学下册#关注我持续更新小学知识 #知识分享 #家长收藏孩子受益.pdf
10.00金币
1下载
二年级数学下册年月日三类周期问题解题方法二年级数学下册年月日三类周期问题解题方法#二年级#二年级数学下册#知识分享 #关注我持续更新小学知识 #家长收藏孩子受益.pdf
10.00金币
0下载
二年级数学下册解决问题专项训练二年级数学下册解决问题专项训练#专项训练#解决问题#二年级#二年级数学下册#知识分享.pdf
10.00金币
1下载
二年级数学下册还原问题二年级数学下册还原问题#二年级#二年级数学#关注我持续更新小学知识 #知识分享 #家长收藏孩子受益.pdf
10.00金币
1下载
二年级数学下册第六单元考试卷家长打印出来给孩子测试测试争取拿到高分!#小学二年级试卷分享 #二年级第六单考试数学 #第六单考试#二年级数学下册.pdf
10.00金币
0下载
二年级数学下册必背顺口溜口诀汇总二年级数学下册必背顺口溜口诀汇总#二年级#二年级数学下册 #知识分享 #家长收藏孩子受益 #关注我持续更新小学知识.pdf
10.00金币
0下载
二年级数学下册《重点难点思维题》两大问题解决技巧和方法巧算星期几解决周期问题还原问题强化思维训练老师精心整理家长可以打印出来给孩子练习#家长收藏孩子受益 #学霸秘籍 #思维训练 #二年级 #知识点总结.pdf
10.00金币
0下载
二年级数学下册 必背公式大全寒假提前背一背开学更轻松#二年级 #二年级数学 #二年级数学下册 #寒假充电计划 #公式.pdf
10.00金币
0下载
蜗牛文库+ 关注
实名认证
内容提供者

提供各种专业文档内容

确认删除?
QQ
  • QQ点击这里给我发消息
微信客服
  • 微信客服
回到顶部