电脑桌面
添加蜗牛文库到电脑桌面
安装后可以在桌面快捷访问

bz001013987.pdfVIP免费

bz001013987.pdf_第1页
bz001013987.pdf_第2页
bz001013987.pdf_第3页
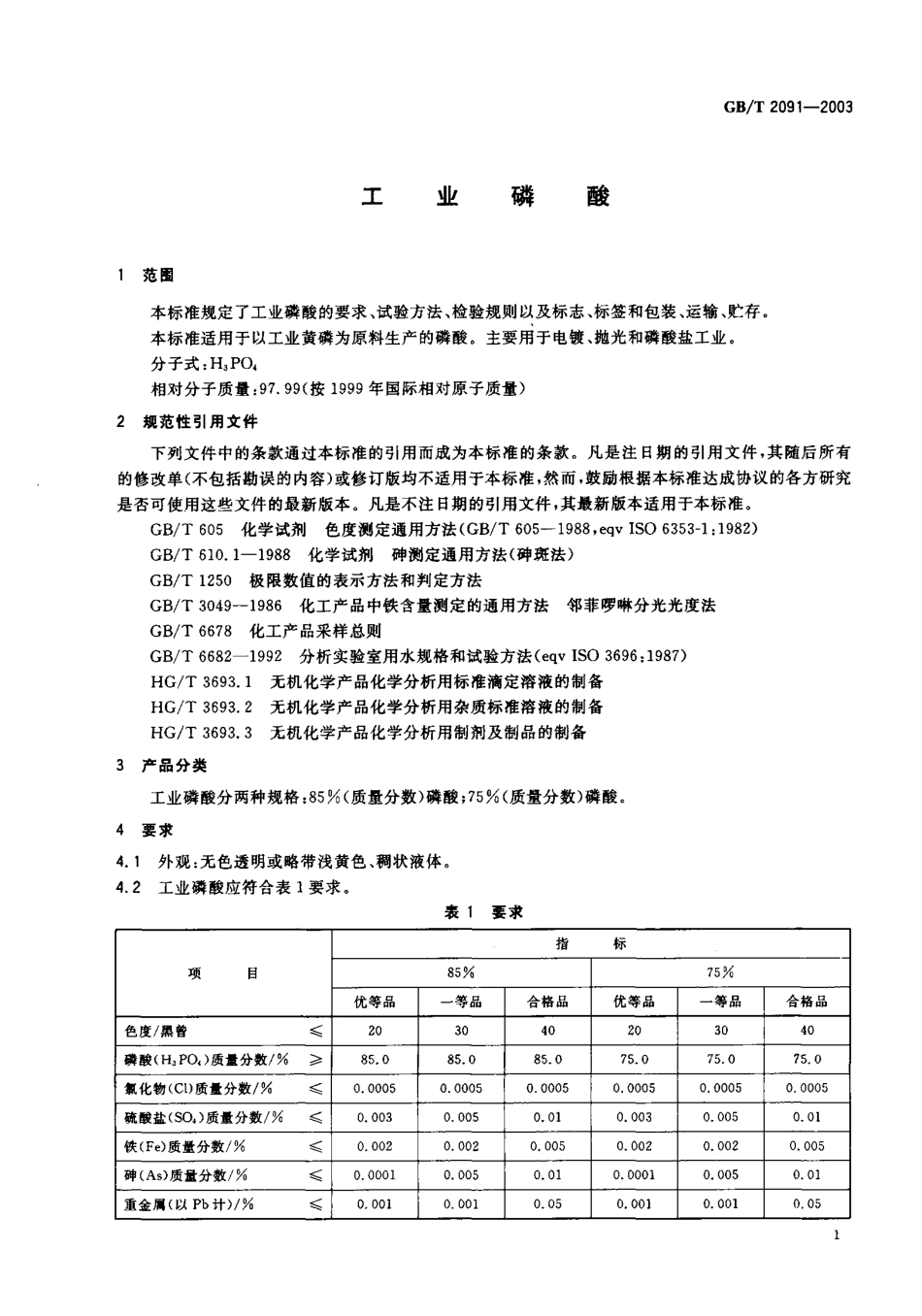
GB/T2091-2003前言本标准与日本标准JISK1449;1978((磷酸)(日文版)的一致性程度为非等效。本标准与日本标准相比,主要技术差异如下:日本标准有特级、一级和二级;本标准设三个等级,优等品、一等品和合格品。增加色度指标和试验方法。—磷酸含量的试验方法增加了喳钥柠酮重量法。—硫酸盐测定采用目视比浊法。本标准替代GB/T2091-1992《工业磷酸》。本标准与GB/T2091-1992相比主要变化如下:—氯化物、硫酸盐、砷和重金属采用限量法,取消系列计算法(本版5.5,5.6,5.8,5.9).—试验方法中取消了砷含量测定仲裁法—分光光度法(1992版5.6.1).—增加了330kg容量包装,以满足用户的要求(本版8.1)0本标准由中国石油和化学工业协会提出。本标准由全国化学标准化技术委员会无机化工分会(CSBTS/TC63/SCI)归口。本标准起草单位:天津化工研究设计院、浙江新安化工集团股份有限公司、江苏澄星磷化工集团和广西钦州港明鑫食用磷化工有限公司。本标准主要起草人:李光明、陈根良、章建江、林明。本标准所代替标准的历次版本发布情况为:—GB2091-1982,GB/T2091-1992.GB/T2091-2003工业磷酸范围本标准规定了工业磷酸的要求、试验方法、检验规则以及标志、标签和包装、运输、贮存。本标准适用于以工业黄磷为原料生产的磷酸。主要用于电镀、抛光和磷酸盐工业。分子式:H,PO,相对分子质量:97.99按1999年国际相对原子质量)2规范性引用文件下列文件中的条款通过本标准的引用而成为本标准的条款。凡是注日期的引用文件,其随后所有的修改单(不包括勘误的内容)或修订版均不适用于本标准,然而,鼓励根据本标准达成协议的各方研究是否可使用这些文件的最新版本。凡是不注日期的引用文件,其最新版本适用于本标准。GB/T605化学试剂色度测定通用方法(GB/T605-1988,egvISO6353-1:1982)GB/T610.1-1988化学试剂砷测定通用方法(砷斑法)GB/T1250极限数值的表示方法和判定方法GB/T3049-1986化工产品中铁含量测定的通用方法邻菲哆琳分光光度法GB/T6678化工产品采样总则GB/T6682-1992分析实验室用水规格和试验方法(eqvISO3696:1987)HG/T3693.1无机化学产品化学分析用标准滴定溶液的制备HG/T3693.2无机化学产品化学分析用杂质标准溶液的制备HG/T3693.3无机化学产品化学分析用制剂及制品的制备3产品分类工业磷酸分两种规格:85%(质量分数)磷酸;75%(质量分数)磷酸。4要求4.1外观:无色透明或略带浅黄色、稠状液体。4.2工业磷酸应符合表1要求。表1要求项目指标8575%优等品一等品合格品优等品一等品...

1、当您付费下载文档后,您只拥有了使用权限,并不意味着购买了版权,文档只能用于自身使用,不得用于其他商业用途(如 [转卖]进行直接盈利或[编辑后售卖]进行间接盈利)。
2、本站所有内容均由合作方或网友上传,本站不对文档的完整性、权威性及其观点立场正确性做任何保证或承诺!文档内容仅供研究参考,付费前请自行鉴别。
3、如文档内容存在违规,或者侵犯商业秘密、侵犯著作权等,请点击“违规举报”。

碎片内容

蜗牛文库的最新文档

二年级数学下册其中检测卷二年级数学下册其中检测卷附答案#期中测试卷.pdf
10.00金币
0下载
二年级数学下册期末质检卷(苏教版)二年级数学下册期末质检卷(苏教版)#期末复习 #期末测试卷 #二年级数学 #二年级数学下册#关注我持续更新小学知识.pdf
10.00金币
0下载
二年级数学下册期末混合运算专项练习二年级数学下册期末混合运算专项练习#二年级#二年级数学下册#关注我持续更新小学知识 #知识分享 #家长收藏孩子受益.pdf
10.00金币
1下载
二年级数学下册年月日三类周期问题解题方法二年级数学下册年月日三类周期问题解题方法#二年级#二年级数学下册#知识分享 #关注我持续更新小学知识 #家长收藏孩子受益.pdf
10.00金币
0下载
二年级数学下册解决问题专项训练二年级数学下册解决问题专项训练#专项训练#解决问题#二年级#二年级数学下册#知识分享.pdf
10.00金币
1下载
二年级数学下册还原问题二年级数学下册还原问题#二年级#二年级数学#关注我持续更新小学知识 #知识分享 #家长收藏孩子受益.pdf
10.00金币
1下载
二年级数学下册第六单元考试卷家长打印出来给孩子测试测试争取拿到高分!#小学二年级试卷分享 #二年级第六单考试数学 #第六单考试#二年级数学下册.pdf
10.00金币
0下载
二年级数学下册必背顺口溜口诀汇总二年级数学下册必背顺口溜口诀汇总#二年级#二年级数学下册 #知识分享 #家长收藏孩子受益 #关注我持续更新小学知识.pdf
10.00金币
0下载
二年级数学下册《重点难点思维题》两大问题解决技巧和方法巧算星期几解决周期问题还原问题强化思维训练老师精心整理家长可以打印出来给孩子练习#家长收藏孩子受益 #学霸秘籍 #思维训练 #二年级 #知识点总结.pdf
10.00金币
0下载
二年级数学下册 必背公式大全寒假提前背一背开学更轻松#二年级 #二年级数学 #二年级数学下册 #寒假充电计划 #公式.pdf
10.00金币
0下载
蜗牛文库+ 关注
实名认证
内容提供者

提供各种专业文档内容

确认删除?
QQ
  • QQ点击这里给我发消息
微信客服
  • 微信客服
回到顶部