电脑桌面
添加蜗牛文库到电脑桌面
安装后可以在桌面快捷访问

bz001002457.pdfVIP免费

bz001002457.pdf_第1页
bz001002457.pdf_第2页
bz001002457.pdf_第3页
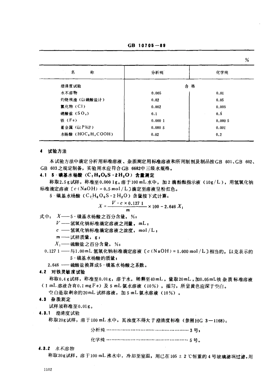
中华人民共和国国家标准化学试剂5一磺基水杨酸ChemicalreagentGB10705-885一Sulfosalicylic本试剂为白色粉状结晶,易溶于水。分子式:CTH,O,S·2H20结构式:COOH,A,,},2H,0HO,S相对分子质量:254.2(按1987年国际原子量)1主题内容与适用范围本标准规定了化学试剂5-磺基水杨酸的技术要求、试验方法、俭验规则、包装及标志。本标准适用于化学试剂5一磺基水杨酸的检验。2引用标准GB601化学试剂滴定分析(容量分析)用标准溶液的制备GB602化学试剂杂质测定用标准溶液的制备GB603化学试剂试验方法中所用制剂及制品的制备GB619化学试剂采样及验收规则GB6682实验室用水规格HG3-119化学试剂包装及标志HG3一1168化学试剂澄清度标准的制备及测定方法吕技术要求8.15一磺基水杨酸(C,H,O,S-2H,O)含最不少于:分析纯·.............................··········⋯⋯99.0,化学纯········································一98.0%.8.2对铁灵敏度试验:合格。8.8杂质最高含量(指标以百分含曼计):中华人民共和国化学工业部,..一08-2‘批准1888-12-01实施101GB10705一89名称分析纯化学纯澄清度试验水不溶物灼烧残渣(以硫酸盐计)抓化物(CI)硫酸盐(SO,)铁(Fe)重金属〔以尸b计)水杨酸(HOC,H,000H)合格一;口4试验方法本试验方法中滴定分析用标准溶液、杂质测定用标准溶液和所用制剂及制品按GB601,GB602,GB603之规定制备,实验用水应符合GB6682中三级水规格。4.15一确基水杨酸(C,H,O,S"2H,O)含It浦定称取2.5g试样,称准至0.000Ig.溶于100mL水中,加2滴酚酞指示液(log/L),用氢氧化钠标准滴定溶液[c(NaOH)=0.5mol/L)滴定至溶液呈粉红色。5磺基水杨酸(C7H,O6S·2H2O)含量按下式计算:犷·cx0.1271二—x100m一2.646X,式中:X-5一磺基水杨酸之百分含量,%,U氢氧化钠标准滴定溶液之用量,mL。c—氢氧化钠标准滴定溶液之浓度,mol/L,,—试样质量,9;X,-硫酸盐之百分含量,%;0,1271—与1.oomL氢氧化钠标准滴定溶液Cc(NaOH)二1.000mol/L〕相当的,以克表示的5一磺基水杨酸的质量,2.646—硫酸盐换算成5一磺基水杨酸之系数。4.2对铁灵敏度试验称取。.4g试样,称准至。.01g,溶于水,稀释至40mLo量取20mL,加0.05mL铁杂质标准溶液<1mL溶液含有0.1mgFe)及5mL氨水溶液(10%),摇匀,所呈黄色应深于空白。空白是取剩余的20mL试样溶液,加5mL氨水溶液(10%)。4.3杂质测定试样须称准至0.01go4.3.1澄清度试验称取20g试样,溶于100mL水中,其浊度不...

1、当您付费下载文档后,您只拥有了使用权限,并不意味着购买了版权,文档只能用于自身使用,不得用于其他商业用途(如 [转卖]进行直接盈利或[编辑后售卖]进行间接盈利)。
2、本站所有内容均由合作方或网友上传,本站不对文档的完整性、权威性及其观点立场正确性做任何保证或承诺!文档内容仅供研究参考,付费前请自行鉴别。
3、如文档内容存在违规,或者侵犯商业秘密、侵犯著作权等,请点击“违规举报”。

碎片内容

蜗牛文库的最新文档

二年级数学下册其中检测卷二年级数学下册其中检测卷附答案#期中测试卷.pdf
10.00金币
0下载
二年级数学下册期末质检卷(苏教版)二年级数学下册期末质检卷(苏教版)#期末复习 #期末测试卷 #二年级数学 #二年级数学下册#关注我持续更新小学知识.pdf
10.00金币
0下载
二年级数学下册期末混合运算专项练习二年级数学下册期末混合运算专项练习#二年级#二年级数学下册#关注我持续更新小学知识 #知识分享 #家长收藏孩子受益.pdf
10.00金币
1下载
二年级数学下册年月日三类周期问题解题方法二年级数学下册年月日三类周期问题解题方法#二年级#二年级数学下册#知识分享 #关注我持续更新小学知识 #家长收藏孩子受益.pdf
10.00金币
0下载
二年级数学下册解决问题专项训练二年级数学下册解决问题专项训练#专项训练#解决问题#二年级#二年级数学下册#知识分享.pdf
10.00金币
1下载
二年级数学下册还原问题二年级数学下册还原问题#二年级#二年级数学#关注我持续更新小学知识 #知识分享 #家长收藏孩子受益.pdf
10.00金币
1下载
二年级数学下册第六单元考试卷家长打印出来给孩子测试测试争取拿到高分!#小学二年级试卷分享 #二年级第六单考试数学 #第六单考试#二年级数学下册.pdf
10.00金币
0下载
二年级数学下册必背顺口溜口诀汇总二年级数学下册必背顺口溜口诀汇总#二年级#二年级数学下册 #知识分享 #家长收藏孩子受益 #关注我持续更新小学知识.pdf
10.00金币
0下载
二年级数学下册《重点难点思维题》两大问题解决技巧和方法巧算星期几解决周期问题还原问题强化思维训练老师精心整理家长可以打印出来给孩子练习#家长收藏孩子受益 #学霸秘籍 #思维训练 #二年级 #知识点总结.pdf
10.00金币
0下载
二年级数学下册 必背公式大全寒假提前背一背开学更轻松#二年级 #二年级数学 #二年级数学下册 #寒假充电计划 #公式.pdf
10.00金币
0下载
蜗牛文库+ 关注
实名认证
内容提供者

提供各种专业文档内容

确认删除?
QQ
  • QQ点击这里给我发消息
微信客服
  • 微信客服
回到顶部