电脑桌面
添加蜗牛文库到电脑桌面
安装后可以在桌面快捷访问

bz001003361.pdfVIP免费

bz001003361.pdf_第1页
bz001003361.pdf_第2页
bz001003361.pdf_第3页
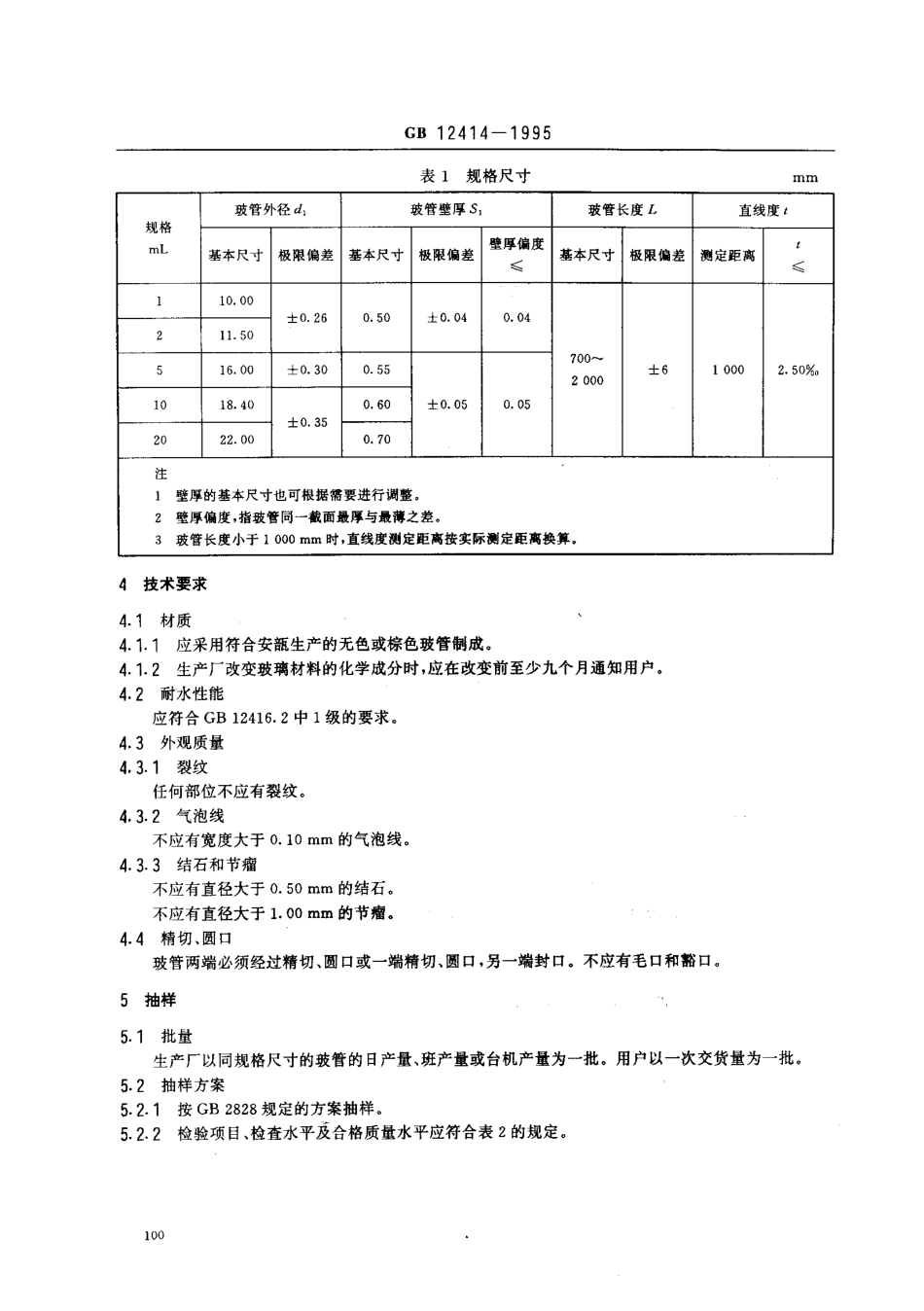
GB12414一1995前言本标准是GB12414-90((药用玻璃管》的第一次修订版。本标准中引用的GB12416.2-90《玻璃颗粒在121℃耐水性的试验方法和分级》等效采用国际标准ISO720:1985本版本在卜列章节中有改变:—3(缩小了玻管外径的极限偏差);-4.2(只采用了耐水性能应符合GB12416.2的要求);-4.4(增加了管端精切、圆口的要求);—5.2.2玻管外径AQI值由4.0提高到2.5);—7.2.1(增加了热缩包装的要求);一一7.2.2增加厂玻管储存期的规定)。为积极贯彻、采用国际标准的方针,尽快实现与国际接轨,本标准将ISO9187-1:1991《医用注射设备—第一部分:注射液用安瓶》中有关的规格尺寸列入附录A(提示的附录)。由于安瓶是直接接触药品的特殊包装产品,药用玻璃管又是生产安瓶的唯一材料,其质量直接影响人类用药的安全有效,因此本标准为强制性标准。本标准的水平属国内先进水平。本标准从生效之日起,同时代替GB12414-90,本标准的附录A、附录B是提示的附录。本标准由国家医药管理局提出。本标准由国家玻璃搪瓷产品质量监督检验中心归口。本标准起草单位:北京玻璃仪器厂。本标准主要起草人:白贵斌、刘家骏、郑利梅。本标准首次发布1990年7月,1995年12月第一次修订。中华人民共和国国家标准12414一1995GB12414一90GB储药用玻璃管Pharmaceuticalglasstube1范围本标准规定了药用玻璃管的规格尺寸、技术要求、抽样、试验方法、标志、包装。本标准适用于制造安aI、管制抗生素瓶、口服液瓶的玻璃管(以下简称玻管)。2引用标准下列标准所包含的条文,通过在本标准中引用而构成为本标准的条文。本标准出版时,所示版本均为有效。所有标准都会被修订,使用本标准的各方应探讨使用下列标准最新版本的可能性。GB191-85包装储运图示标志GB11821184-80,GB1958-80形状和位置公差GB2828-87逐批检查计数抽样程序及抽样表(适用于连续批的检查)GB12416.2-90玻璃颗粒在121℃耐水性的试验方法和分级第一篇安敲用玻玻管3规格尺寸玻管的规格尺寸应符合图1及表1的规定。厂田:t一-,、.分.一‘,、、、弋te,叭rese.res,明尸es气川Ll!}r种种种节日尸种种种叫日尺种种种扣,民见,,,,户于,,,气.尸,,,,民,,.「叭,,n,,,、,,、,、、,、、、,.图1国家技术监督局1995一12一26批准1996一08一01实施GB12414一1995表1规格尺寸#PL$$mL玻管外径d,玻管壁厚凡玻管长度L直线度t基本尺寸极限偏差基本尺寸极限偏差壁厚偏度镇基本尺寸极限偏差测定距离t110.00士0.260.50士0.040.04700---2000士...

1、当您付费下载文档后,您只拥有了使用权限,并不意味着购买了版权,文档只能用于自身使用,不得用于其他商业用途(如 [转卖]进行直接盈利或[编辑后售卖]进行间接盈利)。
2、本站所有内容均由合作方或网友上传,本站不对文档的完整性、权威性及其观点立场正确性做任何保证或承诺!文档内容仅供研究参考,付费前请自行鉴别。
3、如文档内容存在违规,或者侵犯商业秘密、侵犯著作权等,请点击“违规举报”。

碎片内容

蜗牛文库的最新文档

二年级数学下册其中检测卷二年级数学下册其中检测卷附答案#期中测试卷.pdf
10.00金币
0下载
二年级数学下册期末质检卷(苏教版)二年级数学下册期末质检卷(苏教版)#期末复习 #期末测试卷 #二年级数学 #二年级数学下册#关注我持续更新小学知识.pdf
10.00金币
0下载
二年级数学下册期末混合运算专项练习二年级数学下册期末混合运算专项练习#二年级#二年级数学下册#关注我持续更新小学知识 #知识分享 #家长收藏孩子受益.pdf
10.00金币
1下载
二年级数学下册年月日三类周期问题解题方法二年级数学下册年月日三类周期问题解题方法#二年级#二年级数学下册#知识分享 #关注我持续更新小学知识 #家长收藏孩子受益.pdf
10.00金币
0下载
二年级数学下册解决问题专项训练二年级数学下册解决问题专项训练#专项训练#解决问题#二年级#二年级数学下册#知识分享.pdf
10.00金币
1下载
二年级数学下册还原问题二年级数学下册还原问题#二年级#二年级数学#关注我持续更新小学知识 #知识分享 #家长收藏孩子受益.pdf
10.00金币
1下载
二年级数学下册第六单元考试卷家长打印出来给孩子测试测试争取拿到高分!#小学二年级试卷分享 #二年级第六单考试数学 #第六单考试#二年级数学下册.pdf
10.00金币
0下载
二年级数学下册必背顺口溜口诀汇总二年级数学下册必背顺口溜口诀汇总#二年级#二年级数学下册 #知识分享 #家长收藏孩子受益 #关注我持续更新小学知识.pdf
10.00金币
0下载
二年级数学下册《重点难点思维题》两大问题解决技巧和方法巧算星期几解决周期问题还原问题强化思维训练老师精心整理家长可以打印出来给孩子练习#家长收藏孩子受益 #学霸秘籍 #思维训练 #二年级 #知识点总结.pdf
10.00金币
0下载
二年级数学下册 必背公式大全寒假提前背一背开学更轻松#二年级 #二年级数学 #二年级数学下册 #寒假充电计划 #公式.pdf
10.00金币
0下载
蜗牛文库+ 关注
实名认证
内容提供者

提供各种专业文档内容

确认删除?
QQ
  • QQ点击这里给我发消息
微信客服
  • 微信客服
回到顶部