电脑桌面
添加蜗牛文库到电脑桌面
安装后可以在桌面快捷访问

bz001003047.pdfVIP免费

bz001003047.pdf_第1页
bz001003047.pdf_第2页
bz001003047.pdf_第3页
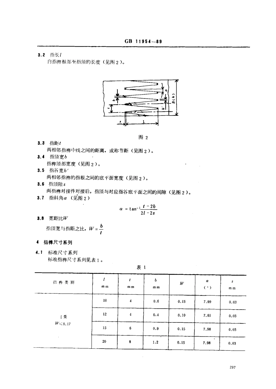
中华人民共和国国家标准指接材Finger一五ointedlumberGB11954-891主题内容与适用范围本标准规定了指接材的指桦尺寸系列、公差配合、原材料技术条件、接合强度限值、质量评定、检验规则、产品标志和包装贮存要求等。本标准适用于以指接胶合方法接长的非承重木质部件或构件,例如:木制门窗、家具、教具、室内装修料(含挂镜线、踢脚线、镜框、墙围压条、楼梯扶手)以及活动房屋用组装墙板、屋面板和空心门的内框架等。本标准除指桦尺寸系列及公差配合外,其余规定不适用于承重集成材构件中的单根指接材部件。本标准对于指接后的成品材或商品材尺寸不予规定,指接生产单位可参照GB153.1《针叶树锯材树种、尺寸、公差》或GB4817.1((阔叶树锯材树种、尺寸、公差》执行,也可根据本标准适用的木制品品种的实际需要尺寸或常用尺寸以及可供利用的原料情况自行确定。2引用标准GB153.2GB1800GB2828GB4817.2GB4822.3GB6491GBJ2063术语、符号、针叶树锯材分等公差与配合总论标准公差与基本偏差逐批检查计数抽样程序及抽样表(适用于连续批的检查)阔叶树锯材分等锯材检验等级评定19材}几燥质量木结构工程施工及验收规范代号3.1指型指桦的类型。本标准采用的指型为梯型H型(侧厚见指)及梯型V型(宽面见指)(见图1)o祥型H型拐塑V型图1国家技术监督局!98912一22批准1990一07一01实施GB11954-893.2指长I自指尹「根部至指顶的长度(见图2)。图23.3指跳t两相邻指桦lfl线之间的距离,或称节距(见图2)。3二指顶宽b指样顶部宽度(见图2)。3.5指谷宽b'两相邻指件的指根之间的底平面宽度(见图2)。3.6指顶隙s两指0对接件对接后,指顶与对应指谷底平面之间的间隙(见图2)。指斜角a(见图2)口二tan-'t一2b21一2s宽距比W指顶宽与指距之比,W二互373.8t4指棒尺寸系列4.1标准尺寸系列标准指桦尺寸系列见表1。表1折桦类别mmfmm6mmW(a,msmmI类妙"=a0.17104060.157.990.031240.40.107.610.031560.90.157.980.032081.20.157.980.03GB11954-89续表1指件类别mmtmmbmmW(Q。mmI类环#-:.0.1725101.50.157.980.0330121.80.157.980.0335121.80.156.850.0340122.00.175.710.0345122.00.175.080.030类牙异0.18-成0.25103.50.70.206.010.031561.50.255.720.032081.60.206.850.032591.80.206.170.0330102.00.205.720.034.2参考尺寸系列参考指榨尺寸系列见表20表2指摔类别mmtmmbmmW(Q,mm工类律喊0.17A1.50.150.108.53052.00.300.157.9705015.02.50.175.710.036015.02.50.174.760.03H类川>0.18-60.2501.50.3...

1、当您付费下载文档后,您只拥有了使用权限,并不意味着购买了版权,文档只能用于自身使用,不得用于其他商业用途(如 [转卖]进行直接盈利或[编辑后售卖]进行间接盈利)。
2、本站所有内容均由合作方或网友上传,本站不对文档的完整性、权威性及其观点立场正确性做任何保证或承诺!文档内容仅供研究参考,付费前请自行鉴别。
3、如文档内容存在违规,或者侵犯商业秘密、侵犯著作权等,请点击“违规举报”。

碎片内容

蜗牛文库的最新文档

二年级数学下册其中检测卷二年级数学下册其中检测卷附答案#期中测试卷.pdf
10.00金币
0下载
二年级数学下册期末质检卷(苏教版)二年级数学下册期末质检卷(苏教版)#期末复习 #期末测试卷 #二年级数学 #二年级数学下册#关注我持续更新小学知识.pdf
10.00金币
0下载
二年级数学下册期末混合运算专项练习二年级数学下册期末混合运算专项练习#二年级#二年级数学下册#关注我持续更新小学知识 #知识分享 #家长收藏孩子受益.pdf
10.00金币
1下载
二年级数学下册年月日三类周期问题解题方法二年级数学下册年月日三类周期问题解题方法#二年级#二年级数学下册#知识分享 #关注我持续更新小学知识 #家长收藏孩子受益.pdf
10.00金币
0下载
二年级数学下册解决问题专项训练二年级数学下册解决问题专项训练#专项训练#解决问题#二年级#二年级数学下册#知识分享.pdf
10.00金币
1下载
二年级数学下册还原问题二年级数学下册还原问题#二年级#二年级数学#关注我持续更新小学知识 #知识分享 #家长收藏孩子受益.pdf
10.00金币
1下载
二年级数学下册第六单元考试卷家长打印出来给孩子测试测试争取拿到高分!#小学二年级试卷分享 #二年级第六单考试数学 #第六单考试#二年级数学下册.pdf
10.00金币
0下载
二年级数学下册必背顺口溜口诀汇总二年级数学下册必背顺口溜口诀汇总#二年级#二年级数学下册 #知识分享 #家长收藏孩子受益 #关注我持续更新小学知识.pdf
10.00金币
0下载
二年级数学下册《重点难点思维题》两大问题解决技巧和方法巧算星期几解决周期问题还原问题强化思维训练老师精心整理家长可以打印出来给孩子练习#家长收藏孩子受益 #学霸秘籍 #思维训练 #二年级 #知识点总结.pdf
10.00金币
0下载
二年级数学下册 必背公式大全寒假提前背一背开学更轻松#二年级 #二年级数学 #二年级数学下册 #寒假充电计划 #公式.pdf
10.00金币
0下载
蜗牛文库+ 关注
实名认证
内容提供者

提供各种专业文档内容

确认删除?
QQ
  • QQ点击这里给我发消息
微信客服
  • 微信客服
回到顶部