电脑桌面
添加蜗牛文库到电脑桌面
安装后可以在桌面快捷访问

bz001000414.pdfVIP免费

bz001000414.pdf_第1页
bz001000414.pdf_第2页
bz001000414.pdf_第3页
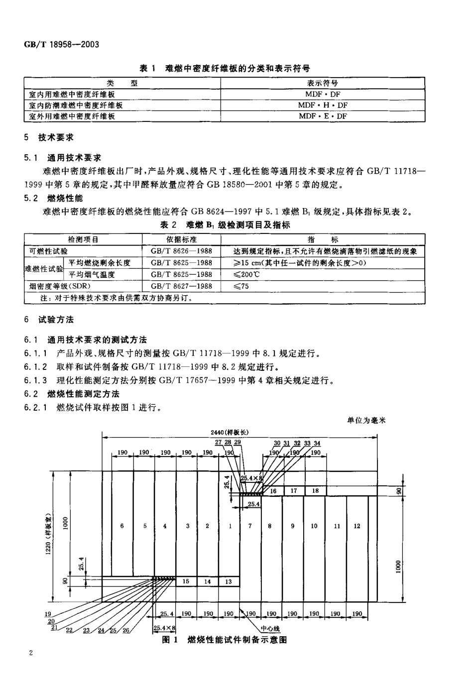
GB/T18958-2003前言本标准由国家林业局提出。本标准由全国人造板标准化技术委员会归口。本标准负责起草单位:中国林业科学研究院木材工业研究所。本标准参加起草单位:公安部天津消防科学研究所、广东封开明珠实业集团公司。本标准主要起草人:刘燕吉、张永庆、王天佑、朱家琪、张尉芳、高超英。本标准首次发布。GB/T18958-2003难燃中密度纤维板范围本标准规定了难燃中密度纤维板的定义、技术要求、试验方法、检验规则及标志、包装、运输、贮存、标志。本标准适用于具有难燃性质的中密度纤维板。规范性引用文件下列文件中的条款通过本标准的引用而成为本标准的条款。凡是注日期的引用文件,其随后所有的修改单(不包括勘误的内容)或修订版均不适用于本标准,然而,鼓励根据本标准达成协议的各方研究是否可使用这些文件的最新版本。凡是不注日期的引用文件,其最新版本适用于本标准.GB8624-1997建筑材料燃烧性能分级方法GB/T8625-1988建筑材料难燃性试验方法GB/T8626-1988建筑材料可燃性试验方法GB/T8627-1988建筑材料燃烧或分解的烟密度试验方法GB/T11718-1999中密度纤维板GB/T17657-1999人造板及饰面人造板理化性能试验方法GB18580-2001室内装饰装修材料人造板及其制品中甲醛释放限量术语和定义下列术语和定义适用于本标准。燃烧性能burningbehavior材料、产品和(或)构件燃烧或遇火时所发生的一切物理和(或)化学变化。3.2可燃性combustibility在规定的试验条件下,材料能够被引嫩且能持续燃烧的特性。难燃性difficult-flammability在规定的试验条件下材料难以进行有焰燃烧的特性。烟密度smokedensity材料燃烧时的发烟性质。以烟密度等级(SDR)量度。分类和表示符号难燃中密度纤维板的分类及表示符号见表1eGB/T18958-2003表1难燃中密度纤维板的分类和表示符号5技术要求5.1通用技术要求难燃中密度纤维板出厂时,产品外观、规格尺寸、理化性能等通用技术要求应符合GB/T11718-1999中第5章的规定,其中甲醛释放量应符合GB18580-2001中第5章的规定。5.2燃烧性能难燃中密度纤维板的燃烧性能应符合GB8624-1997中5.1难燃B,级规定,具体指标见表2,表2难燃B,级检测项目及指标检测项目依据标准1指标可溯性试验GB/T8626-1988达到规定指标,且不允许有燃烧滴落物引燃滤纸的现象难燃性试验平均嫩烧剩余长度GB/T8625-1988一}>15cm(其中任一试件的剩余长度>。){平均烟气温度一}GB/T8625-1988蕊200℃烟密度等级(SDR)}GB/T8627-1988}<75注:对于特殊技术要求由供需双方协商...

1、当您付费下载文档后,您只拥有了使用权限,并不意味着购买了版权,文档只能用于自身使用,不得用于其他商业用途(如 [转卖]进行直接盈利或[编辑后售卖]进行间接盈利)。
2、本站所有内容均由合作方或网友上传,本站不对文档的完整性、权威性及其观点立场正确性做任何保证或承诺!文档内容仅供研究参考,付费前请自行鉴别。
3、如文档内容存在违规,或者侵犯商业秘密、侵犯著作权等,请点击“违规举报”。

碎片内容

蜗牛文库的最新文档

二年级数学下册其中检测卷二年级数学下册其中检测卷附答案#期中测试卷.pdf
10.00金币
0下载
二年级数学下册期末质检卷(苏教版)二年级数学下册期末质检卷(苏教版)#期末复习 #期末测试卷 #二年级数学 #二年级数学下册#关注我持续更新小学知识.pdf
10.00金币
0下载
二年级数学下册期末混合运算专项练习二年级数学下册期末混合运算专项练习#二年级#二年级数学下册#关注我持续更新小学知识 #知识分享 #家长收藏孩子受益.pdf
10.00金币
1下载
二年级数学下册年月日三类周期问题解题方法二年级数学下册年月日三类周期问题解题方法#二年级#二年级数学下册#知识分享 #关注我持续更新小学知识 #家长收藏孩子受益.pdf
10.00金币
0下载
二年级数学下册解决问题专项训练二年级数学下册解决问题专项训练#专项训练#解决问题#二年级#二年级数学下册#知识分享.pdf
10.00金币
1下载
二年级数学下册还原问题二年级数学下册还原问题#二年级#二年级数学#关注我持续更新小学知识 #知识分享 #家长收藏孩子受益.pdf
10.00金币
1下载
二年级数学下册第六单元考试卷家长打印出来给孩子测试测试争取拿到高分!#小学二年级试卷分享 #二年级第六单考试数学 #第六单考试#二年级数学下册.pdf
10.00金币
0下载
二年级数学下册必背顺口溜口诀汇总二年级数学下册必背顺口溜口诀汇总#二年级#二年级数学下册 #知识分享 #家长收藏孩子受益 #关注我持续更新小学知识.pdf
10.00金币
0下载
二年级数学下册《重点难点思维题》两大问题解决技巧和方法巧算星期几解决周期问题还原问题强化思维训练老师精心整理家长可以打印出来给孩子练习#家长收藏孩子受益 #学霸秘籍 #思维训练 #二年级 #知识点总结.pdf
10.00金币
0下载
二年级数学下册 必背公式大全寒假提前背一背开学更轻松#二年级 #二年级数学 #二年级数学下册 #寒假充电计划 #公式.pdf
10.00金币
0下载
蜗牛文库+ 关注
实名认证
内容提供者

提供各种专业文档内容

确认删除?
QQ
  • QQ点击这里给我发消息
微信客服
  • 微信客服
回到顶部