电脑桌面
添加蜗牛文库到电脑桌面
安装后可以在桌面快捷访问

QJLZK 0005 S-2019 人参鹿心片(压片糖果).pdfVIP免费

QJLZK 0005 S-2019 人参鹿心片(压片糖果).pdf_第1页
QJLZK 0005 S-2019 人参鹿心片(压片糖果).pdf_第2页
QJLZK 0005 S-2019 人参鹿心片(压片糖果).pdf_第3页
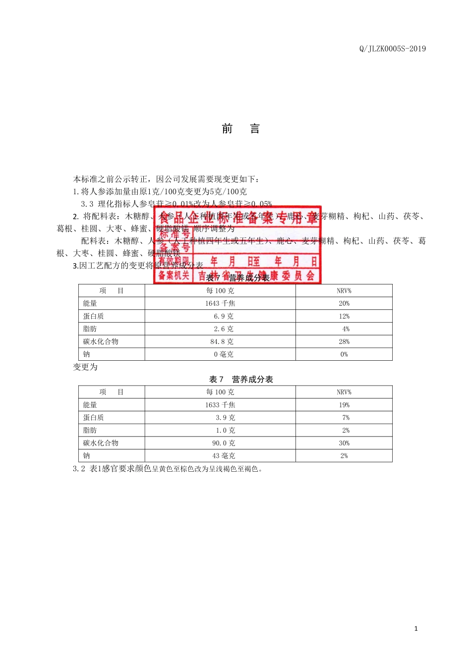
Q/JLZK0005S-2019220414S-20192019022220220221**Q/JLZK备案号:220414S-2019有效期至:2022年02月21日吉林省逐鹿源生物科技开发有限公司企业标准Q/JLZK0005S-2019人参鹿心片(压片糖果)2019-02-01发布2019-02-01实施吉林省逐鹿源生物科技开发有限公司发布Q/JLZK0005S-20191前言本标准之前公示转正,因公司发展需要现变更如下:1.将人参添加量由原1克/100克变更为5克/100克3.3理化指标人参皂苷≥0.01%改为人参皂苷≥0.05%2.将配料表:木糖醇、人参(人工种植四年生或五年生)、鹿心、麦芽糊精、枸杞、山药、茯苓、葛根、桂圆、大枣、蜂蜜、硬脂酸镁顺序调整为配料表:木糖醇、人参(人工种植四年生或五年生)、鹿心、麦芽糊精、枸杞、山药、茯苓、葛根、大枣、桂圆、蜂蜜、硬脂酸镁3.因工艺配方的变更将原营养成分表表7营养成分表项目每100克NRV%能量1643千焦20%蛋白质6.9克12%脂肪2.6克4%碳水化合物84.8克28%钠0毫克0%变更为表7营养成分表项目每100克NRV%能量1633千焦19%蛋白质3.9克7%脂肪1.0克2%碳水化合物90.0克30%钠43毫克2%3.2表1感官要求颜色呈黄色至棕色改为呈浅褐色至褐色。Q/JLZK0005S-20192人参鹿心片(压片糖果)1范围本标准适用于以木糖醇、人参(人工种植5年生或4年生)、鹿心、麦芽糊精、枸杞、山药、茯苓、葛根、大枣、桂圆、蜂蜜、硬脂酸镁为原料,经预处理、清洗、干燥、粉碎、混合、制粒、压片、包衣或不包衣、分装、包装而成的人参鹿心片(压片糖果),属于压片糖果类。2规范性引用文件下列文件对于本文件的应用是必不可少的。凡是注日期的引用文件,仅注日期的版本适用于本文件,凡是不注日期的引用文件,其最新版本(包括所有的修改单)适应于本文件。GB/T191包装储运图示标志GB1886.91食品安全国家标准食品添加剂硬脂酸镁GB1886.234食品安全国家标准食品添加剂木糖醇GB2760食品安全国家标准食品添加剂的使用GB2762食品安全国家标准食品中污染物限量GB2763食品安全国家标准食品中农药最大残留量GB/T2828.1计数抽样检验程序第一部分:按接收质量(AQL)检索的逐批检验抽样计划GB/T2829周期检验计数抽样程序及表(适用于对过程稳定性的检验)GB4789.2食品安全国家标准食品微生物学检验菌落总数测定GB4789.3食品安全国家标准食品微生物学检验大肠菌群计数GB5009.11食品安全国家标准食品中总坤及无机坤的测定GB5009.12食品安全国家标准食品中铅的测定GB5749生活饮用水卫生标准GB/T5835干制红枣GB/T6543运输包装用几单瓦楞纸箱和双...

1、当您付费下载文档后,您只拥有了使用权限,并不意味着购买了版权,文档只能用于自身使用,不得用于其他商业用途(如 [转卖]进行直接盈利或[编辑后售卖]进行间接盈利)。
2、本站所有内容均由合作方或网友上传,本站不对文档的完整性、权威性及其观点立场正确性做任何保证或承诺!文档内容仅供研究参考,付费前请自行鉴别。
3、如文档内容存在违规,或者侵犯商业秘密、侵犯著作权等,请点击“违规举报”。

碎片内容

蜗牛文库的最新文档

二年级数学下册其中检测卷二年级数学下册其中检测卷附答案#期中测试卷.pdf
10.00金币
0下载
二年级数学下册期末质检卷(苏教版)二年级数学下册期末质检卷(苏教版)#期末复习 #期末测试卷 #二年级数学 #二年级数学下册#关注我持续更新小学知识.pdf
10.00金币
0下载
二年级数学下册期末混合运算专项练习二年级数学下册期末混合运算专项练习#二年级#二年级数学下册#关注我持续更新小学知识 #知识分享 #家长收藏孩子受益.pdf
10.00金币
1下载
二年级数学下册年月日三类周期问题解题方法二年级数学下册年月日三类周期问题解题方法#二年级#二年级数学下册#知识分享 #关注我持续更新小学知识 #家长收藏孩子受益.pdf
10.00金币
0下载
二年级数学下册解决问题专项训练二年级数学下册解决问题专项训练#专项训练#解决问题#二年级#二年级数学下册#知识分享.pdf
10.00金币
1下载
二年级数学下册还原问题二年级数学下册还原问题#二年级#二年级数学#关注我持续更新小学知识 #知识分享 #家长收藏孩子受益.pdf
10.00金币
1下载
二年级数学下册第六单元考试卷家长打印出来给孩子测试测试争取拿到高分!#小学二年级试卷分享 #二年级第六单考试数学 #第六单考试#二年级数学下册.pdf
10.00金币
0下载
二年级数学下册必背顺口溜口诀汇总二年级数学下册必背顺口溜口诀汇总#二年级#二年级数学下册 #知识分享 #家长收藏孩子受益 #关注我持续更新小学知识.pdf
10.00金币
0下载
二年级数学下册《重点难点思维题》两大问题解决技巧和方法巧算星期几解决周期问题还原问题强化思维训练老师精心整理家长可以打印出来给孩子练习#家长收藏孩子受益 #学霸秘籍 #思维训练 #二年级 #知识点总结.pdf
10.00金币
0下载
二年级数学下册 必背公式大全寒假提前背一背开学更轻松#二年级 #二年级数学 #二年级数学下册 #寒假充电计划 #公式.pdf
10.00金币
0下载
蜗牛文库+ 关注
实名认证
内容提供者

提供各种专业文档内容

确认删除?
QQ
  • QQ点击这里给我发消息
微信客服
  • 微信客服
回到顶部