电脑桌面
添加蜗牛文库到电脑桌面
安装后可以在桌面快捷访问

QHXYY 0001 S-2021 巴氏杀菌鸡全蛋粉.pdfVIP免费

QHXYY 0001 S-2021 巴氏杀菌鸡全蛋粉.pdf_第1页
QHXYY 0001 S-2021 巴氏杀菌鸡全蛋粉.pdf_第2页
QHXYY 0001 S-2021 巴氏杀菌鸡全蛋粉.pdf_第3页
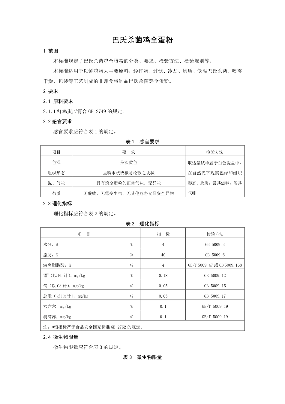
河南襄玉园蛋品科技有限公司企业标准Q/HXYY0001S-2021_________________________________________________巴氏杀菌鸡全蛋粉2021-08-06发布2021-08-06实施____________________________________________河南襄玉园蛋品科技有限公司发布Q/HXYY0001S-2021前言本标准河南襄玉园蛋品科技有限公司提出并起草。本标准起草人:黄靖、向天龙。巴氏杀菌鸡全蛋粉1范围本标准规定了巴氏杀菌鸡全蛋粉的分类、要求、检验方法、检验规则等。本标准适用于以鲜鸡蛋为主要原料,经打蛋、过滤、冷却、均质、低温巴氏杀菌、喷雾干燥、包装等工艺制成的非即食蛋制品巴氏杀菌鸡全蛋粉。2要求2.1原料要求2.1.1鲜鸡蛋应符合GB2749的规定。2.2感官要求感官要求应符合表1的规定。表1感官要求项目要求检验方法色泽呈淡黄色取适量试样置于白色瓷盘中,在自然光下观察色泽和组织形态、杂质,尝其滋味,闻其气味组织形态呈粉末状或极易松散之块状滋、气味具有鸡全蛋粉的正常气味,无异味杂质无酸败,无霉变生虫,无其他危害食品安全异物2.3理化指标理化指标应符合表2的规定。表2理化指标项目指标检验方法水分,%≤4GB5009.3脂肪,%≥40GB5009.6游离脂肪酸,%≤4GB/T5009.47或GB5009.168铅*(以Pb计),mg/kg≤0.18GB5009.12镉(以Cd计),mg/kg≤0.05GB5009.15总汞(以Hg计),mg/kg≤0.05GB5009.17六六六,mg/kg≤0.1GB/T5009.19滴滴涕,mg/kg≤0.1GB/T5009.19注:*铅指标严于食品安全国家标准GB2762的规定。2.4微生物限量微生物限量应符合表3的规定。表3微生物限量Q/HXYY0001S-2021项目采样方案a及限量检验方法ncmM菌落总数,CFU/g525×104106GB4789.2大肠菌群,CFU/g5210102GB4789.3平板计数法沙门氏菌,/25g500-GB4789.4a样品的采样及处理按GB/T4789.19执行。2.5净含量及允许短缺量净含量及允许短缺量应符合JJF1070的规定。2.6生产加工过程中的卫生要求应符合GB14881和GB21710的规定。2.7其他要求应符合GB2762、GB2763、GB31650的规定。3检验出厂检验项目为:感官要求、净含量及允许短缺量、水分、脂肪、菌落总数、大肠菌群。型式检验按国家相关规定执行。编制说明本标准适用于以鲜鸡蛋为主要原料,经打蛋、过滤、冷却、均质、低温巴氏杀菌、喷雾干燥、包装等工艺制成的非即食蛋制品巴氏杀菌鸡全蛋粉。根据《中华人民共和国食品安全法》和《中华人民共和国标准化法》的有关规定,参照GB2749《食品安全国家标准蛋与蛋制品》要求制订本企业标准,作为组织生产、质量控制和监督检查依据。本标准中铅指标严于食品安全国家标准GB2762的规定。河南襄玉园蛋品科技有限公司

1、当您付费下载文档后,您只拥有了使用权限,并不意味着购买了版权,文档只能用于自身使用,不得用于其他商业用途(如 [转卖]进行直接盈利或[编辑后售卖]进行间接盈利)。
2、本站所有内容均由合作方或网友上传,本站不对文档的完整性、权威性及其观点立场正确性做任何保证或承诺!文档内容仅供研究参考,付费前请自行鉴别。
3、如文档内容存在违规,或者侵犯商业秘密、侵犯著作权等,请点击“违规举报”。

碎片内容

蜗牛文库的最新文档

二年级数学下册其中检测卷二年级数学下册其中检测卷附答案#期中测试卷.pdf
10.00金币
0下载
二年级数学下册期末质检卷(苏教版)二年级数学下册期末质检卷(苏教版)#期末复习 #期末测试卷 #二年级数学 #二年级数学下册#关注我持续更新小学知识.pdf
10.00金币
0下载
二年级数学下册期末混合运算专项练习二年级数学下册期末混合运算专项练习#二年级#二年级数学下册#关注我持续更新小学知识 #知识分享 #家长收藏孩子受益.pdf
10.00金币
1下载
二年级数学下册年月日三类周期问题解题方法二年级数学下册年月日三类周期问题解题方法#二年级#二年级数学下册#知识分享 #关注我持续更新小学知识 #家长收藏孩子受益.pdf
10.00金币
0下载
二年级数学下册解决问题专项训练二年级数学下册解决问题专项训练#专项训练#解决问题#二年级#二年级数学下册#知识分享.pdf
10.00金币
1下载
二年级数学下册还原问题二年级数学下册还原问题#二年级#二年级数学#关注我持续更新小学知识 #知识分享 #家长收藏孩子受益.pdf
10.00金币
1下载
二年级数学下册第六单元考试卷家长打印出来给孩子测试测试争取拿到高分!#小学二年级试卷分享 #二年级第六单考试数学 #第六单考试#二年级数学下册.pdf
10.00金币
0下载
二年级数学下册必背顺口溜口诀汇总二年级数学下册必背顺口溜口诀汇总#二年级#二年级数学下册 #知识分享 #家长收藏孩子受益 #关注我持续更新小学知识.pdf
10.00金币
0下载
二年级数学下册《重点难点思维题》两大问题解决技巧和方法巧算星期几解决周期问题还原问题强化思维训练老师精心整理家长可以打印出来给孩子练习#家长收藏孩子受益 #学霸秘籍 #思维训练 #二年级 #知识点总结.pdf
10.00金币
0下载
二年级数学下册 必背公式大全寒假提前背一背开学更轻松#二年级 #二年级数学 #二年级数学下册 #寒假充电计划 #公式.pdf
10.00金币
0下载
蜗牛文库+ 关注
实名认证
内容提供者

提供各种专业文档内容

确认删除?
QQ
  • QQ点击这里给我发消息
微信客服
  • 微信客服
回到顶部