电脑桌面
添加蜗牛文库到电脑桌面
安装后可以在桌面快捷访问

QJJFS 0001 S-2019 保健食品 吉福参牌人参滴丸.pdfVIP免费

QJJFS 0001 S-2019 保健食品 吉福参牌人参滴丸.pdf_第1页
QJJFS 0001 S-2019 保健食品 吉福参牌人参滴丸.pdf_第2页
QJJFS 0001 S-2019 保健食品 吉福参牌人参滴丸.pdf_第3页
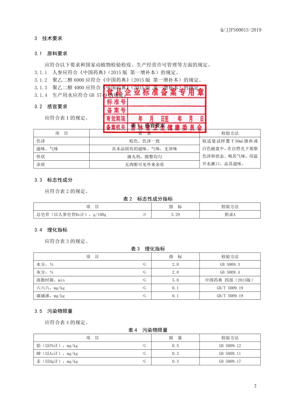
Q/JJFS0001S-2019220130S-20192019033120220330**Q/JJFS备案号:220130S-2019有效期至:2022年03月30日吉林吉福参生物开发股份有限公司企业标准Q/JJFS0001S-2019保健食品吉福参牌人参滴丸2019-03-01发布2019-04-01实施吉林吉福参生物开发股份有限公司发布Q/JJFS0001S-20191保健食品吉福参牌人参滴丸1范围本标准适用于以人参、聚乙二醇6000、聚乙二醇4000为主要原料,经提取、浓缩、干燥、粉碎、混合、制丸、包装等主要工艺制成的具有缓解体力疲劳保健功能的保健食品,吉福参牌人参滴丸,其标志性成分为总皂苷。2规范性引用文件下列文件对于本文件的应用是必不可少的。凡是注日期的引用文件,仅注日期的版本适用于本文件,凡是不注日期的引用文件,其最新版本(包括所有的修改单)适应于本文件。GB/T191包装储运图示标志GB4789.2食品安全国家标准食品微生物学检验菌落总数测定GB/T4789.3-2003食品卫生微生物学检验大肠菌群测定GB4789.4食品安全国家标准食品微生物学检验沙门氏菌检验GB4789.5食品安全国家标准食品微生物学检验志贺氏菌检验GB4789.10食品安全国家标准食品微生物学检验金黄色葡萄球菌检验GB4789.11食品安全国家标准食品微生物学检验β型溶血性链球菌检验GB4789.15食品安全国家标准食品微生物学检验霉菌和酵母计数GB4806.7食品安全国家标准食品接触用塑料材料及制品GB4806.9食品安全国家标准食品接触用金属材料及制品GB5009.3食品安全国家标准食品中水分的测定GB5009.4食品安全国家标准食品中灰分的测定GB5009.11食品安全国家标准食品中总砷及无机砷的测定GB5009.12食品安全国家标准食品中铅的测定GB5009.17食品安全国家标准食品中总汞及有机汞的测定GB/T5009.19食品中有机氯农药多组分残留量的测定GB5749生活饮用水卫生标准GB/T6543运输包装用单瓦楞纸箱和双瓦楞纸箱GB10343食用酒精GB16740食品安全国家标准保健食品GB17405保健食品良好生产规范JJF1070定量包装商品净含量计量检验规则《中国药典》(2015版第一增补本)人参、聚乙二醇6000、聚乙二醇4000国家质检总局令第75号(2005)定量包装商品计量监督管理办法卫监发[1996]第38号保健食品标识规定Q/JJFS0001S-201923技术要求3.1原料要求应符合以下要求和国家动植物检验检疫、生产经营许可管理等方面的规定。3.1.1人参应符合《中国药典》(2015版第一增补本)的规定。3.1.2聚乙二醇6000应符合《中国药典》(2015版第一增补本)的规定。3.1.3聚乙二醇4000应符合《中国药典》(2015版第...

1、当您付费下载文档后,您只拥有了使用权限,并不意味着购买了版权,文档只能用于自身使用,不得用于其他商业用途(如 [转卖]进行直接盈利或[编辑后售卖]进行间接盈利)。
2、本站所有内容均由合作方或网友上传,本站不对文档的完整性、权威性及其观点立场正确性做任何保证或承诺!文档内容仅供研究参考,付费前请自行鉴别。
3、如文档内容存在违规,或者侵犯商业秘密、侵犯著作权等,请点击“违规举报”。

碎片内容

蜗牛文库的最新文档

二年级数学下册其中检测卷二年级数学下册其中检测卷附答案#期中测试卷.pdf
10.00金币
0下载
二年级数学下册期末质检卷(苏教版)二年级数学下册期末质检卷(苏教版)#期末复习 #期末测试卷 #二年级数学 #二年级数学下册#关注我持续更新小学知识.pdf
10.00金币
0下载
二年级数学下册期末混合运算专项练习二年级数学下册期末混合运算专项练习#二年级#二年级数学下册#关注我持续更新小学知识 #知识分享 #家长收藏孩子受益.pdf
10.00金币
1下载
二年级数学下册年月日三类周期问题解题方法二年级数学下册年月日三类周期问题解题方法#二年级#二年级数学下册#知识分享 #关注我持续更新小学知识 #家长收藏孩子受益.pdf
10.00金币
0下载
二年级数学下册解决问题专项训练二年级数学下册解决问题专项训练#专项训练#解决问题#二年级#二年级数学下册#知识分享.pdf
10.00金币
1下载
二年级数学下册还原问题二年级数学下册还原问题#二年级#二年级数学#关注我持续更新小学知识 #知识分享 #家长收藏孩子受益.pdf
10.00金币
1下载
二年级数学下册第六单元考试卷家长打印出来给孩子测试测试争取拿到高分!#小学二年级试卷分享 #二年级第六单考试数学 #第六单考试#二年级数学下册.pdf
10.00金币
0下载
二年级数学下册必背顺口溜口诀汇总二年级数学下册必背顺口溜口诀汇总#二年级#二年级数学下册 #知识分享 #家长收藏孩子受益 #关注我持续更新小学知识.pdf
10.00金币
0下载
二年级数学下册《重点难点思维题》两大问题解决技巧和方法巧算星期几解决周期问题还原问题强化思维训练老师精心整理家长可以打印出来给孩子练习#家长收藏孩子受益 #学霸秘籍 #思维训练 #二年级 #知识点总结.pdf
10.00金币
0下载
二年级数学下册 必背公式大全寒假提前背一背开学更轻松#二年级 #二年级数学 #二年级数学下册 #寒假充电计划 #公式.pdf
10.00金币
0下载
蜗牛文库+ 关注
实名认证
内容提供者

提供各种专业文档内容

确认删除?
QQ
  • QQ点击这里给我发消息
微信客服
  • 微信客服
回到顶部