电脑桌面
添加蜗牛文库到电脑桌面
安装后可以在桌面快捷访问

QTHKY 0098 S-2019 牡蛎肽.pdfVIP免费

QTHKY 0098 S-2019 牡蛎肽.pdf_第1页
QTHKY 0098 S-2019 牡蛎肽.pdf_第2页
QTHKY 0098 S-2019 牡蛎肽.pdf_第3页
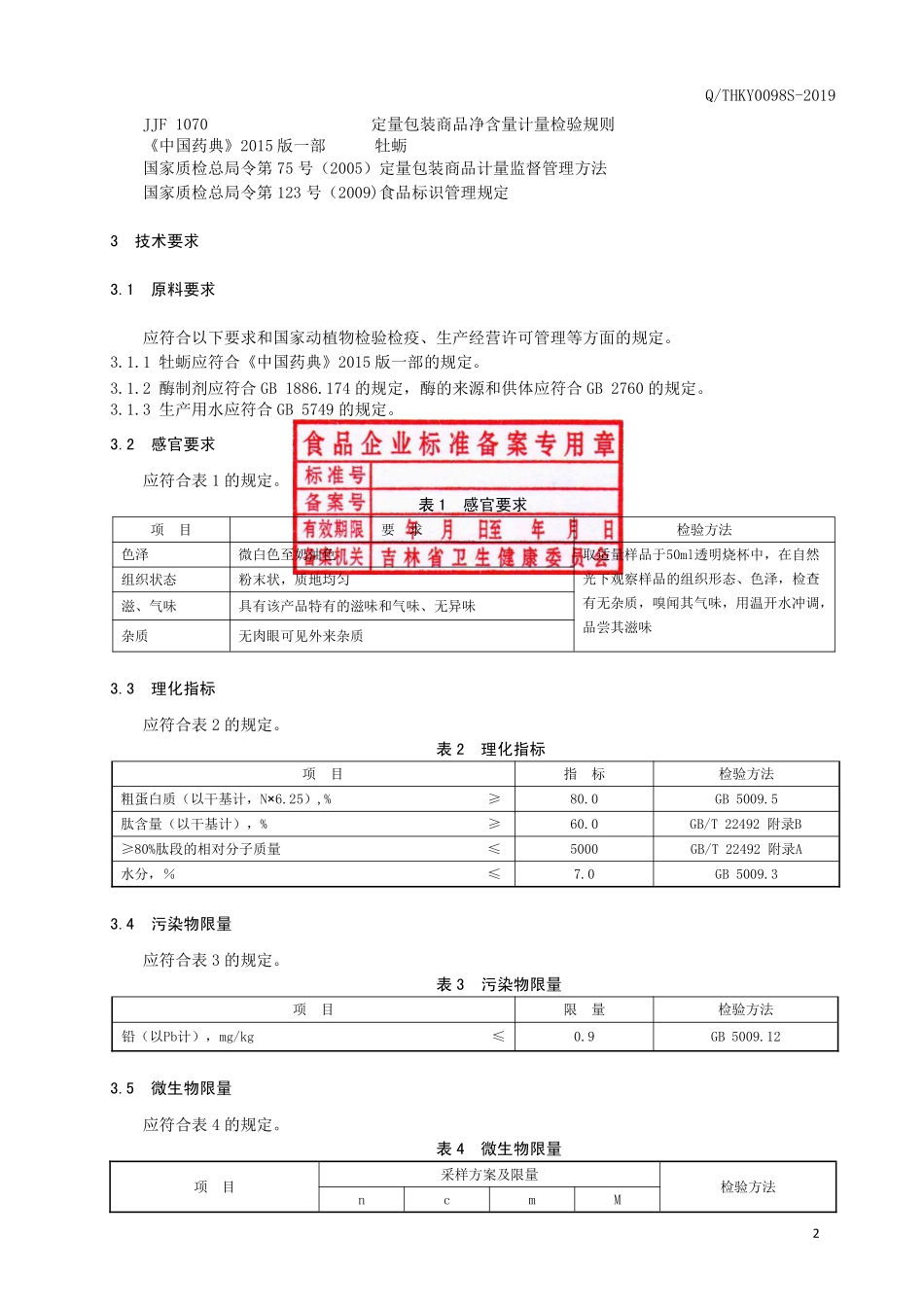
Q/THKY0098S-2019223875S-20192019122420221223**Q/THKY备案号:223875S-2019有效期至:2022年12月23日通化康元生物科技有限公司企业标准Q/THKY0098S-2019牡蛎肽2019-11-20发布2019-11-25实施通化康元生物科技有限公司发布Q/THKY0098S-20191牡蛎肽1范围本标准适用于以牡蛎为原料,添加水,食品添加剂酶,经煮制、酶解、过滤、浓缩、喷雾干燥包装等工艺加工制成的牡蛎肽。2规范性引用文件下列文件对于本文件的应用是必不可少的。凡是注日期的引用文件,仅注日期的版本适用于本文件,凡是不注日期的引用文件,其最新版本(包括所有的修改单)适应于本标准。GB/T191包装储运图示标志GB1886.174食品安全国家标准食品添加剂食品工业酶制剂GB2733鲜、冻动物性水产品卫生标准GB2760食品安全国家标准食品添加剂使用标准GB2762食品安全国家标准食品中污染物限量GB4789.1食品安全国家标准食品微生物学检验总则GB4789.2食品安全国家标准食品微生物学检验菌落总数测定GB4789.3食品安全国家标准食品微生物学检验大肠菌群计数GB4789.4食品安全国家标准食品微生物学检验沙门氏菌检验GB4789.10食品安全国家标准食品微生物学检验金黄色葡萄球菌检验GB4789.15食品安全国家标准食品微生物学检验霉菌和酵母计数GB4789.21食品卫生微生物学检验冷冻饮料、饮料检验GB5009.3食品安全国家标准食品中水分的测定方法GB5009.4食品安全国家标准食品中灰分的测定方法GB5009.5食品安全国家标准食品中蛋白质的测定GB5009.12食品安全国家标准食品中铅的测定GB5749生活饮用水卫生标准GB/T6543运输包装用单瓦楞纸箱和双瓦楞纸箱GB7101食品安全国家标准饮料GB7718食品安全国家标准预包装食品标签通则GB/T10004包装用塑料复合膜、袋干法复合、挤出复合GB12695饮料企业良好生产规范GB14881食品安全国家标准食品生产通用卫生规范GB28050食品安全国家标准预包装食品营养标签通则GB/T28118食品包装用塑料与铝箔复合膜、袋GB29921食品安全国家标准食品中致病菌限量Q/THKY0098S-20192JJF1070定量包装商品净含量计量检验规则《中国药典》2015版一部牡蛎国家质检总局令第75号(2005)定量包装商品计量监督管理方法国家质检总局令第123号(2009)食品标识管理规定3技术要求3.1原料要求应符合以下要求和国家动植物检验检疫、生产经营许可管理等方面的规定。3.1.1牡蛎应符合《中国药典》2015版一部的规定。3.1.2酶制剂应符合GB1886.174的规定,酶的来源和供体应符合GB2760的规定。3.1.3生产用水应符合G...

1、当您付费下载文档后,您只拥有了使用权限,并不意味着购买了版权,文档只能用于自身使用,不得用于其他商业用途(如 [转卖]进行直接盈利或[编辑后售卖]进行间接盈利)。
2、本站所有内容均由合作方或网友上传,本站不对文档的完整性、权威性及其观点立场正确性做任何保证或承诺!文档内容仅供研究参考,付费前请自行鉴别。
3、如文档内容存在违规,或者侵犯商业秘密、侵犯著作权等,请点击“违规举报”。

碎片内容

蜗牛文库的最新文档

二年级数学下册其中检测卷二年级数学下册其中检测卷附答案#期中测试卷.pdf
10.00金币
0下载
二年级数学下册期末质检卷(苏教版)二年级数学下册期末质检卷(苏教版)#期末复习 #期末测试卷 #二年级数学 #二年级数学下册#关注我持续更新小学知识.pdf
10.00金币
0下载
二年级数学下册期末混合运算专项练习二年级数学下册期末混合运算专项练习#二年级#二年级数学下册#关注我持续更新小学知识 #知识分享 #家长收藏孩子受益.pdf
10.00金币
1下载
二年级数学下册年月日三类周期问题解题方法二年级数学下册年月日三类周期问题解题方法#二年级#二年级数学下册#知识分享 #关注我持续更新小学知识 #家长收藏孩子受益.pdf
10.00金币
0下载
二年级数学下册解决问题专项训练二年级数学下册解决问题专项训练#专项训练#解决问题#二年级#二年级数学下册#知识分享.pdf
10.00金币
1下载
二年级数学下册还原问题二年级数学下册还原问题#二年级#二年级数学#关注我持续更新小学知识 #知识分享 #家长收藏孩子受益.pdf
10.00金币
1下载
二年级数学下册第六单元考试卷家长打印出来给孩子测试测试争取拿到高分!#小学二年级试卷分享 #二年级第六单考试数学 #第六单考试#二年级数学下册.pdf
10.00金币
0下载
二年级数学下册必背顺口溜口诀汇总二年级数学下册必背顺口溜口诀汇总#二年级#二年级数学下册 #知识分享 #家长收藏孩子受益 #关注我持续更新小学知识.pdf
10.00金币
0下载
二年级数学下册《重点难点思维题》两大问题解决技巧和方法巧算星期几解决周期问题还原问题强化思维训练老师精心整理家长可以打印出来给孩子练习#家长收藏孩子受益 #学霸秘籍 #思维训练 #二年级 #知识点总结.pdf
10.00金币
0下载
二年级数学下册 必背公式大全寒假提前背一背开学更轻松#二年级 #二年级数学 #二年级数学下册 #寒假充电计划 #公式.pdf
10.00金币
0下载
蜗牛文库+ 关注
实名认证
内容提供者

提供各种专业文档内容

确认删除?
QQ
  • QQ点击这里给我发消息
微信客服
  • 微信客服
回到顶部