电脑桌面
添加蜗牛文库到电脑桌面
安装后可以在桌面快捷访问

BBT 0030-2004 包装用镀铝薄膜.pdfVIP免费

BBT 0030-2004 包装用镀铝薄膜.pdf_第1页
BBT 0030-2004 包装用镀铝薄膜.pdf_第2页
BBT 0030-2004 包装用镀铝薄膜.pdf_第3页
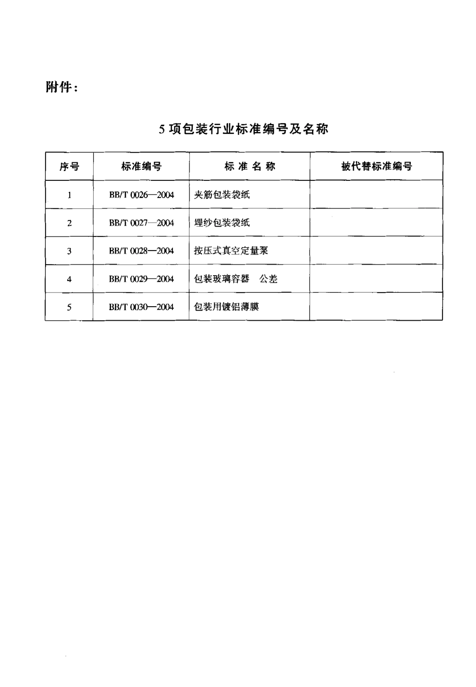
He中华人民共和国包装行业标准BB/T0030-2004包装用镀铝薄膜Plasticpackagingfilmdepositedwithaluminium2004-10-20发布2005-04-01实施虱丈定万趁和XL交肖笙刁导员鉴纷发布中华人民共和国国家发展和改革委员会公月匕口2004年第61号国家发展改革委批准《拖拉机外观质量要求》等228项行业标准(标准编号及名称见附件),其中机械行业标准129项、建材行业标准17项、电力行业标准34项、汽车行业标准23项、有色金属行业标准2项、包装行业标准5项、石化行业标准18项,现予公布。以上标准自2005年4月1日起实施。以上机械行业标准由机械工业出版社出版,建材行业标准由建材工业出版社出版,电力行业标准由电力出版社出版,汽车行业标准、有色金属行业标准和包装行业标准由中国计划出版社出版,石化行业标准由中国石化出版社出版。附件:5项包装行业标准编号及名称。中华人民共和国国家发展和改革委员会.:::.00四年十月二十日附件:5项包装行业标准编号及名称序号标准编号标准名称被代替标准编号1BB/T0026-2004夹筋包装袋纸2BBIT002'7-2004埋纱包装袋纸3BB/T0028-2004按压式真空定量泵4BB/T0029-2004包装玻璃容器公差5BB/T0030-2004包装用镀铝薄膜BR/T00.E-2004.JJ‘.,J‘.oil青本标准的主要技术指标是根据对国内相关企业的产品的检测结果,经综合分析、比较而确定的。镀铝膜的拉伸强度、断裂伸长率及热收缩率等技术指标是根据镀铝膜所用基材的国家标准、行业标准的技术指标确定的。本标准由中国包装技术协会提出。本标准由全国包装标准化技术委员会归口。本标准由国家包装产品质量监督检验中心(济南)起草。本标准的主要起草人:王兴东、周加彦、王微山、李子安。BB/T创艾幻一2以又包装用镀铝薄膜范围本标准规定了包装用镀铝薄膜(以下简称镀铝薄膜)的产品分类、技术要求、试验方法、检验规则和标志、包装、运输贮存等。本标准适用于以双向拉伸聚醋(BOPET)、双向拉伸聚丙烯(BOPP)、未拉伸聚丙烯(CPP)塑料薄膜为基材,用真空蒸镀法生产的镀铝薄膜。2规范性引用文件下列文件中的条款通过本标准的引用而成为本标准的条款。凡是注日期的引用文件,其随后所有的修改单(不包括勘误的内容)或修订版均不适用于本标准。然而,鼓励根据本标准达成协议的各方研究是否可使用这些文件的最新版本。凡是不注日期的引用文件,其最新版本适用于本标准。GB/T1037-1988塑料薄膜和片材透水蒸气性试验方法杯式法(neqASTME96:1980)GB/T1038-2000塑料薄膜和薄片气体透过性试验方法压差法(n...

1、当您付费下载文档后,您只拥有了使用权限,并不意味着购买了版权,文档只能用于自身使用,不得用于其他商业用途(如 [转卖]进行直接盈利或[编辑后售卖]进行间接盈利)。
2、本站所有内容均由合作方或网友上传,本站不对文档的完整性、权威性及其观点立场正确性做任何保证或承诺!文档内容仅供研究参考,付费前请自行鉴别。
3、如文档内容存在违规,或者侵犯商业秘密、侵犯著作权等,请点击“违规举报”。

碎片内容

蜗牛文库的最新文档

二年级数学下册其中检测卷二年级数学下册其中检测卷附答案#期中测试卷.pdf
10.00金币
0下载
二年级数学下册期末质检卷(苏教版)二年级数学下册期末质检卷(苏教版)#期末复习 #期末测试卷 #二年级数学 #二年级数学下册#关注我持续更新小学知识.pdf
10.00金币
0下载
二年级数学下册期末混合运算专项练习二年级数学下册期末混合运算专项练习#二年级#二年级数学下册#关注我持续更新小学知识 #知识分享 #家长收藏孩子受益.pdf
10.00金币
1下载
二年级数学下册年月日三类周期问题解题方法二年级数学下册年月日三类周期问题解题方法#二年级#二年级数学下册#知识分享 #关注我持续更新小学知识 #家长收藏孩子受益.pdf
10.00金币
0下载
二年级数学下册解决问题专项训练二年级数学下册解决问题专项训练#专项训练#解决问题#二年级#二年级数学下册#知识分享.pdf
10.00金币
1下载
二年级数学下册还原问题二年级数学下册还原问题#二年级#二年级数学#关注我持续更新小学知识 #知识分享 #家长收藏孩子受益.pdf
10.00金币
1下载
二年级数学下册第六单元考试卷家长打印出来给孩子测试测试争取拿到高分!#小学二年级试卷分享 #二年级第六单考试数学 #第六单考试#二年级数学下册.pdf
10.00金币
0下载
二年级数学下册必背顺口溜口诀汇总二年级数学下册必背顺口溜口诀汇总#二年级#二年级数学下册 #知识分享 #家长收藏孩子受益 #关注我持续更新小学知识.pdf
10.00金币
0下载
二年级数学下册《重点难点思维题》两大问题解决技巧和方法巧算星期几解决周期问题还原问题强化思维训练老师精心整理家长可以打印出来给孩子练习#家长收藏孩子受益 #学霸秘籍 #思维训练 #二年级 #知识点总结.pdf
10.00金币
0下载
二年级数学下册 必背公式大全寒假提前背一背开学更轻松#二年级 #二年级数学 #二年级数学下册 #寒假充电计划 #公式.pdf
10.00金币
0下载
蜗牛文库+ 关注
实名认证
内容提供者

提供各种专业文档内容

确认删除?
QQ
  • QQ点击这里给我发消息
微信客服
  • 微信客服
回到顶部