电脑桌面
添加蜗牛文库到电脑桌面
安装后可以在桌面快捷访问

HGT 2899-1997 聚四氟乙烯材料命名.pdfVIP免费

HGT 2899-1997 聚四氟乙烯材料命名.pdf_第1页
HGT 2899-1997 聚四氟乙烯材料命名.pdf_第2页
HGT 2899-1997 聚四氟乙烯材料命名.pdf_第3页
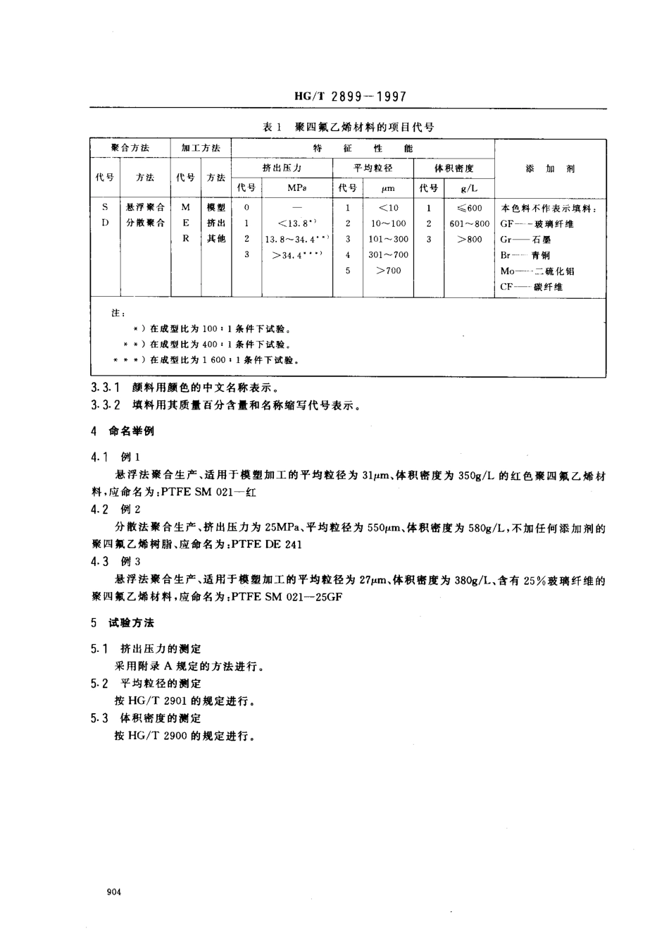
HG/T2899一1997前言本标准的前版本是GB5477-85((聚四氟乙烯材料命名》。与前版本的差异是:增设了“前言”、“第1章范围”、“第2章引用标准”。前版本的附录B、附录C已有相应的标准,本标准不再列人;前版本的附录D因无实际意义,本标准亦不再列人;前版本的附录A仍作为本标准的附录A。附录A等效采用ASTMD1457:1992中的13.10,在文字上作了适当修改,增设了‘`Al范围”和"A2定义”。本标准附录A是标准的附录。自本标准实施之日起,原国家标准GB5477-85《聚四氟乙烯材料命名》废止。本标准由中华人民共和国化学且_业部技术监督司提出。本标准由全国塑料标准化技术委员会塑料树脂产品分技术委员会(SC4)归口本标准负责起草单位:上海三爱富新材料股份有限公司。本标准主要起草人:马玉瑾、周霞宝。902中华人民共和国化工行业标准HG/T2899-1997聚四氟乙烯材料命名代替GB5477-85Designationofpolytetrafluoroethylenematerials1范围本标准规定了聚四氟乙烯材料的命名方法。本标准适用于分散法或悬浮法聚合生产的聚四氟乙烯树脂,包括共聚单体含量不大于1%的共聚物以及加人添加剂的聚四氟乙烯材料,但不包括聚四氟乙烯分散液。2引用标准下列标准所包含的条文,通过在本标准中引用而构成为本标准的条文。本标准出版时,所示版本均为有效。所有标准都会被修订,使用本标准的各方应探讨使用下列标准最新版本的可能性。GB/T1844.1-1995塑料及树脂缩写代号第一部分荃础聚合物及其特征性能HG/T2900-1997聚四氟乙烯树脂体积密度试验方法HG/T2901-1997聚四氟乙烯树脂粒径试验方法3命名方法聚四氟乙烯材料命名方法为:固定名称+型号。3.1固定名称按照GB/T1844.1中规定,用聚四氟乙烯的缩写代号PTFE表示。3.2型号型号由下列6项内容组成,分别用英文字母和阿拉伯数字表示:聚合方法加工方法挤出压力平均粒径体积密度添加剂3.3项目代号聚四氟乙烯材料型号中各项目代号见表1,中华人民共和国化学工业部1997-05-23批准1997一10一01实施HG/T2899一1997表1聚四氟乙烯材料的项目代号聚合方法加工方法特征性能添加剂代号方法代号方法挤出压力平均粒径体积密度代号MPa代号产了n代号9/L霖悬浮聚合分散聚合MER模塑挤出其他0l23<13.8.)13.8~34.4t.)>34.4“口“)12345<1010~100101~300301~700>700l23簇600601~800>800本色料不作表示填料GF-一玻璃纤维Gr—石墨Br一青铜M。一二硫化铝CF-一碳纤维一一一一一一一一一一一一一一一一二注:长)在成型比为100:1条件下试验。釜釜)在成型比为400:1...

1、当您付费下载文档后,您只拥有了使用权限,并不意味着购买了版权,文档只能用于自身使用,不得用于其他商业用途(如 [转卖]进行直接盈利或[编辑后售卖]进行间接盈利)。
2、本站所有内容均由合作方或网友上传,本站不对文档的完整性、权威性及其观点立场正确性做任何保证或承诺!文档内容仅供研究参考,付费前请自行鉴别。
3、如文档内容存在违规,或者侵犯商业秘密、侵犯著作权等,请点击“违规举报”。

碎片内容

蜗牛文库的最新文档

二年级数学下册其中检测卷二年级数学下册其中检测卷附答案#期中测试卷.pdf
10.00金币
0下载
二年级数学下册期末质检卷(苏教版)二年级数学下册期末质检卷(苏教版)#期末复习 #期末测试卷 #二年级数学 #二年级数学下册#关注我持续更新小学知识.pdf
10.00金币
0下载
二年级数学下册期末混合运算专项练习二年级数学下册期末混合运算专项练习#二年级#二年级数学下册#关注我持续更新小学知识 #知识分享 #家长收藏孩子受益.pdf
10.00金币
1下载
二年级数学下册年月日三类周期问题解题方法二年级数学下册年月日三类周期问题解题方法#二年级#二年级数学下册#知识分享 #关注我持续更新小学知识 #家长收藏孩子受益.pdf
10.00金币
0下载
二年级数学下册解决问题专项训练二年级数学下册解决问题专项训练#专项训练#解决问题#二年级#二年级数学下册#知识分享.pdf
10.00金币
1下载
二年级数学下册还原问题二年级数学下册还原问题#二年级#二年级数学#关注我持续更新小学知识 #知识分享 #家长收藏孩子受益.pdf
10.00金币
1下载
二年级数学下册第六单元考试卷家长打印出来给孩子测试测试争取拿到高分!#小学二年级试卷分享 #二年级第六单考试数学 #第六单考试#二年级数学下册.pdf
10.00金币
0下载
二年级数学下册必背顺口溜口诀汇总二年级数学下册必背顺口溜口诀汇总#二年级#二年级数学下册 #知识分享 #家长收藏孩子受益 #关注我持续更新小学知识.pdf
10.00金币
0下载
二年级数学下册《重点难点思维题》两大问题解决技巧和方法巧算星期几解决周期问题还原问题强化思维训练老师精心整理家长可以打印出来给孩子练习#家长收藏孩子受益 #学霸秘籍 #思维训练 #二年级 #知识点总结.pdf
10.00金币
0下载
二年级数学下册 必背公式大全寒假提前背一背开学更轻松#二年级 #二年级数学 #二年级数学下册 #寒假充电计划 #公式.pdf
10.00金币
0下载
蜗牛文库+ 关注
实名认证
内容提供者

提供各种专业文档内容

确认删除?
QQ
  • QQ点击这里给我发消息
微信客服
  • 微信客服
回到顶部