电脑桌面
添加蜗牛文库到电脑桌面
安装后可以在桌面快捷访问

HG 2932-1999 饲料级 硫酸铜.pdfVIP免费

HG 2932-1999 饲料级 硫酸铜.pdf_第1页
HG 2932-1999 饲料级 硫酸铜.pdf_第2页
HG 2932-1999 饲料级 硫酸铜.pdf_第3页
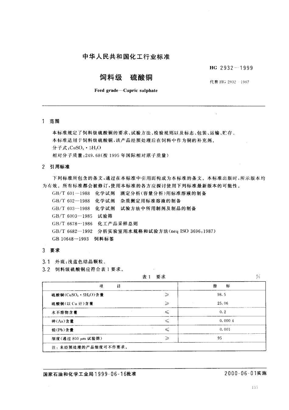
HG2932-1999前台本标准是非等效采用日本饲料添加物安全扶令要览(1995年版)(硫酸铜》‘以下简称《要览)产品规格对化7几行业标准HG2932-1987((饲料级硫酸铜》修i7而成本标准与《要览》的主要差异为:-一本标准的砷指标为不大于。.0004%,((要览》为不大于。.0005环。-一根据用户要求增设了水不溶物和细度指标。-一试验方法中五水硫酸铜含量的侧定等效采用《要览》规定的方法;铅含量的测定采用双硫粽-毛氯甲烷萃取比色和原子吸收分光光度法并列,比色法中与日本方法不同的是有机相使用氯仿代替苯,还原剂使用盐酸羚胺代替亚硫酸钠,其他项目的测定方法均采用我国有关标准本标准与HG2932-1987的主要技术差异为:一砷含量指标由。0005%降至00004%提高了标准水平。-一取消重金属指标,以铅含量指标代替,与日本标准一致,并增加了相应的试验方法一砷、铅含量的测定方法作了较大的改进。本标准的附录A是标准的附录。本标准自实施之日起,同时代替HG2932-1987本标准由原化学工业部技术监督司提出。本标准由化工部无机盐产品标准化技术归口单位归口本标准起草单位:化工部天津化工研究院、天津兽药二厂、成都蜀星矿物元素预处理厂。本标准主要起草人刘淑英、高占友、马玲、武纯青、张治平本标准1987年首次发布为国家标准,1997年调整为强制性化工行业标准,并重新进行了编号。本标准委托化工部无机盐产品标准化技术归口单位负责解释。中华人民共和国化工行业标准HG2932--1999饲料级硫酸铜代替HG29322987Needgrade一Cupricsulphate1范围本标准规定了饲料级硫酸铜的要求、试验方法、检验规则以及标志、包装、运输、贮存门木标准适用于饲料级硫酸铜,该产品经预处理后在饲料中作为铜的补充剂分子式:CuSO,·5H,O相对分子质量:249.68(按1995年国际相对原子质量)2引用标准下列标准所包含的条文,通过在本标准中引用而构成为本标准的条文。本标准出版时,所示版本均为有效。所有标准都会被修订,使用本标准的各方应探讨使用下列标准最新版本的可能性。GB/T601-1988化学试剂滴定分析(容量分析)用标准溶液的制备GB/,r602-1988化学试剂杂质测定用标准溶液的制备GB/丁603--1988化学试剂试验方法中所用制剂及制品的制备GB/T6003-1985试验筛(;B/T6678--1986化工产品采样总则GB/T6682-1992分析实验室用水规格和试验方法(neyISO3696:1987)GB10648-1993饲料标签3要求3.1外观:浅蓝色结晶颗粒3.2饲料级硫酸铜应符合表1要求。表1要求r,项目指标硫酸铜(CuS0,.5H,0)含量李硫酸铜〔以Cu...

1、当您付费下载文档后,您只拥有了使用权限,并不意味着购买了版权,文档只能用于自身使用,不得用于其他商业用途(如 [转卖]进行直接盈利或[编辑后售卖]进行间接盈利)。
2、本站所有内容均由合作方或网友上传,本站不对文档的完整性、权威性及其观点立场正确性做任何保证或承诺!文档内容仅供研究参考,付费前请自行鉴别。
3、如文档内容存在违规,或者侵犯商业秘密、侵犯著作权等,请点击“违规举报”。

碎片内容

蜗牛文库的最新文档

二年级数学下册其中检测卷二年级数学下册其中检测卷附答案#期中测试卷.pdf
10.00金币
0下载
二年级数学下册期末质检卷(苏教版)二年级数学下册期末质检卷(苏教版)#期末复习 #期末测试卷 #二年级数学 #二年级数学下册#关注我持续更新小学知识.pdf
10.00金币
0下载
二年级数学下册期末混合运算专项练习二年级数学下册期末混合运算专项练习#二年级#二年级数学下册#关注我持续更新小学知识 #知识分享 #家长收藏孩子受益.pdf
10.00金币
1下载
二年级数学下册年月日三类周期问题解题方法二年级数学下册年月日三类周期问题解题方法#二年级#二年级数学下册#知识分享 #关注我持续更新小学知识 #家长收藏孩子受益.pdf
10.00金币
0下载
二年级数学下册解决问题专项训练二年级数学下册解决问题专项训练#专项训练#解决问题#二年级#二年级数学下册#知识分享.pdf
10.00金币
1下载
二年级数学下册还原问题二年级数学下册还原问题#二年级#二年级数学#关注我持续更新小学知识 #知识分享 #家长收藏孩子受益.pdf
10.00金币
1下载
二年级数学下册第六单元考试卷家长打印出来给孩子测试测试争取拿到高分!#小学二年级试卷分享 #二年级第六单考试数学 #第六单考试#二年级数学下册.pdf
10.00金币
0下载
二年级数学下册必背顺口溜口诀汇总二年级数学下册必背顺口溜口诀汇总#二年级#二年级数学下册 #知识分享 #家长收藏孩子受益 #关注我持续更新小学知识.pdf
10.00金币
0下载
二年级数学下册《重点难点思维题》两大问题解决技巧和方法巧算星期几解决周期问题还原问题强化思维训练老师精心整理家长可以打印出来给孩子练习#家长收藏孩子受益 #学霸秘籍 #思维训练 #二年级 #知识点总结.pdf
10.00金币
0下载
二年级数学下册 必背公式大全寒假提前背一背开学更轻松#二年级 #二年级数学 #二年级数学下册 #寒假充电计划 #公式.pdf
10.00金币
0下载
蜗牛文库+ 关注
实名认证
内容提供者

提供各种专业文档内容

确认删除?
QQ
  • QQ点击这里给我发消息
微信客服
  • 微信客服
回到顶部