电脑桌面
添加蜗牛文库到电脑桌面
安装后可以在桌面快捷访问

SCT 3203-2001 调味鱼干.pdfVIP免费

SCT 3203-2001 调味鱼干.pdf_第1页
SCT 3203-2001 调味鱼干.pdf_第2页
SCT 3203-2001 调味鱼干.pdf_第3页
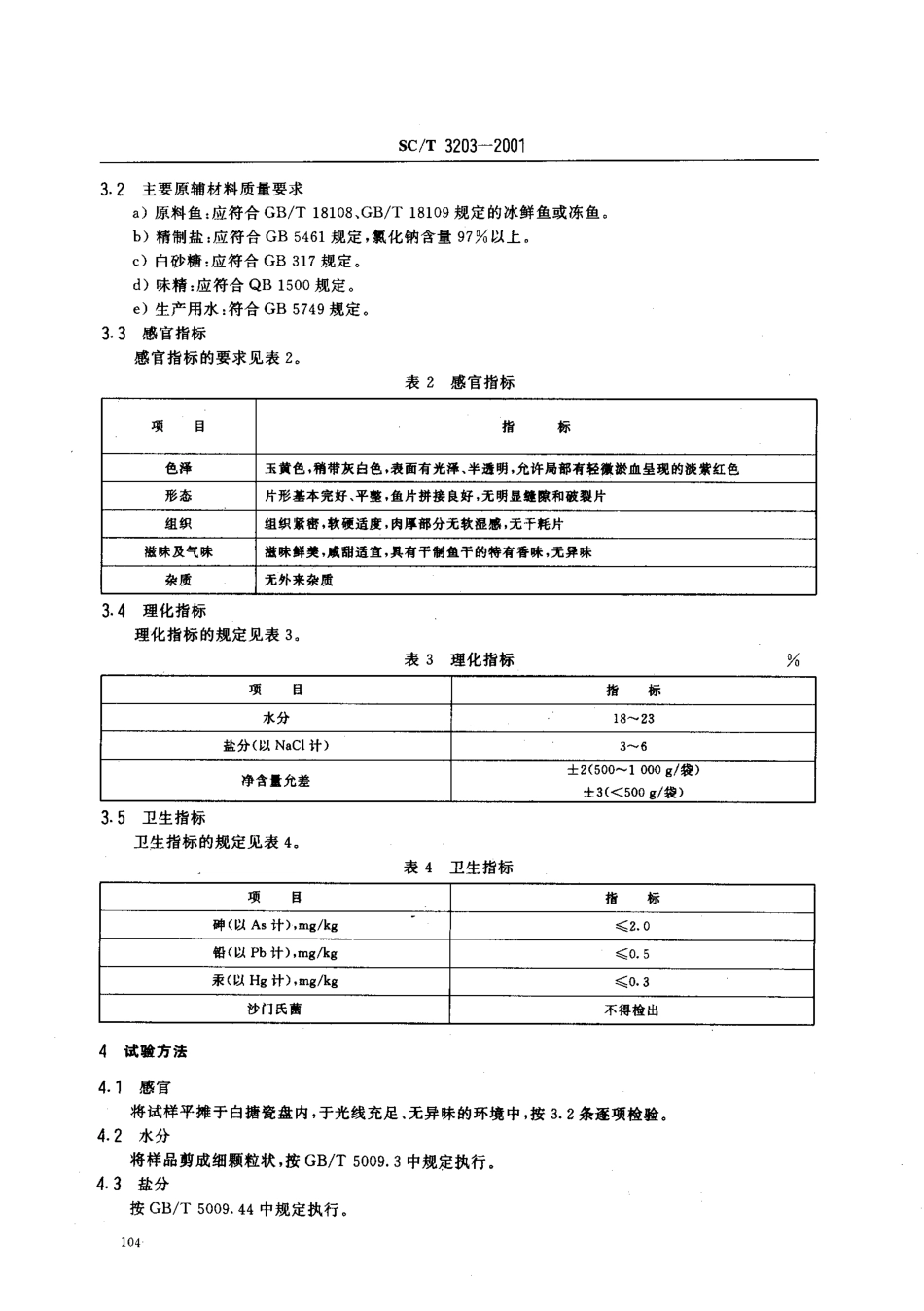
SC/'r3203-2001前言本标准是对水产行业标准SC/T3203-1986U调味马面纯鱼干)(原GB6630-1986)进行的修订。本标准主要修订内容:—标准名称改为《调味鱼干》,扩大了适用范围,增加了原料鱼的品种;—将盐分指标由参考件移人标准正文,含量由400^'6%改为30o-60u,放宽后可满足人们对低盐的要求;—水分按主要进口国的要求由18%-22%改为180o-230o;—水分、盐分的检验方法直接引用相关标准;—增加了汞、无机砷、铅等卫生指标,微生物指标改为沙门氏菌不得检出。本标准由农业部渔业局提出。本标准由中国水产科学研究院黄海水产研究所归口。本标准起草单位:中国水产科学研究院黄海水产研究所。本标准主要起草人:王联珠、陈远惠。本标准于1986年7月首次发布。本次修订为第一次修订。中华人民共和国水产行业标准SC/T3203-2001调味鱼千代替SC/T3203-1986Driedseasonedfishfillet1范围本标准规定了调味鱼干的要求、抽样、试验方法、标志、标签、包装要求。本标准适用于以冰鲜或冷冻马面纯鱼(Navodonmodestus),鳍鱼(Gadusmacrocephalus)为原料,经剖片、漂洗、调味、烘干等工序制成的调味鱼干产品,其他原料鱼制成的调味鱼干亦可参照执行。2引用标准下列标准所包含的条文,通过在本标准中引用而构成为本标准的条文。本标准出版时,所示版本均为有效。所有标准都会被修订,使用本标准的各方应探讨使用下列标准最新版本的可能性。GB317-1998白砂糖GB4789.4-1994食品卫生微生物学检验沙门氏苗检验GB/T5009.3-1985食品中水分的测定方法GB/T5009.11-1996食品中总砷的测定方法GB/T5009.12-1996食品中铅的测定方法GB/T5009.17-1996食品中总汞的测定方法GB/T5009.44-1996肉与肉制品卫生标准的分析方法GB5461-2000食用盐GB5749-1985生活饮用水卫生标准GB7718-1994食品标签通用标准GB/T18108-2000鲜海水鱼GB/T18109-2000冻海水鱼QB1500-1992味精3要求3.1产品规格产品规格的要求见表to表1产品规格cm规格(代号)长度大(L)14以上中(M)12以上~14小(S)10以上~12特小(SS)10以下中华人民共和国农业部2001一09-27批准2001一11一01实施SC/T3203-20013.2主要原辅材料质量要求a)原料鱼:应符合GB/T18108,GB/T18109规定的冰鲜鱼或冻鱼b)精制盐:应符合GB5461规定,抓化钠含量97%以上。c)白砂糖:应符合GB317规定。d)味精:应符合QB1500规定。e)生产用水:符合GB5749规定。3.3感官指标感官指标的要求见表2,表2感官指标项目指标色泽玉黄色,稍带灰白色,表面有光泽、半透明,允许局部有轻徽淤血呈...

1、当您付费下载文档后,您只拥有了使用权限,并不意味着购买了版权,文档只能用于自身使用,不得用于其他商业用途(如 [转卖]进行直接盈利或[编辑后售卖]进行间接盈利)。
2、本站所有内容均由合作方或网友上传,本站不对文档的完整性、权威性及其观点立场正确性做任何保证或承诺!文档内容仅供研究参考,付费前请自行鉴别。
3、如文档内容存在违规,或者侵犯商业秘密、侵犯著作权等,请点击“违规举报”。

碎片内容

蜗牛文库的最新文档

二年级数学下册其中检测卷二年级数学下册其中检测卷附答案#期中测试卷.pdf
10.00金币
0下载
二年级数学下册期末质检卷(苏教版)二年级数学下册期末质检卷(苏教版)#期末复习 #期末测试卷 #二年级数学 #二年级数学下册#关注我持续更新小学知识.pdf
10.00金币
0下载
二年级数学下册期末混合运算专项练习二年级数学下册期末混合运算专项练习#二年级#二年级数学下册#关注我持续更新小学知识 #知识分享 #家长收藏孩子受益.pdf
10.00金币
1下载
二年级数学下册年月日三类周期问题解题方法二年级数学下册年月日三类周期问题解题方法#二年级#二年级数学下册#知识分享 #关注我持续更新小学知识 #家长收藏孩子受益.pdf
10.00金币
0下载
二年级数学下册解决问题专项训练二年级数学下册解决问题专项训练#专项训练#解决问题#二年级#二年级数学下册#知识分享.pdf
10.00金币
1下载
二年级数学下册还原问题二年级数学下册还原问题#二年级#二年级数学#关注我持续更新小学知识 #知识分享 #家长收藏孩子受益.pdf
10.00金币
1下载
二年级数学下册第六单元考试卷家长打印出来给孩子测试测试争取拿到高分!#小学二年级试卷分享 #二年级第六单考试数学 #第六单考试#二年级数学下册.pdf
10.00金币
0下载
二年级数学下册必背顺口溜口诀汇总二年级数学下册必背顺口溜口诀汇总#二年级#二年级数学下册 #知识分享 #家长收藏孩子受益 #关注我持续更新小学知识.pdf
10.00金币
0下载
二年级数学下册《重点难点思维题》两大问题解决技巧和方法巧算星期几解决周期问题还原问题强化思维训练老师精心整理家长可以打印出来给孩子练习#家长收藏孩子受益 #学霸秘籍 #思维训练 #二年级 #知识点总结.pdf
10.00金币
0下载
二年级数学下册 必背公式大全寒假提前背一背开学更轻松#二年级 #二年级数学 #二年级数学下册 #寒假充电计划 #公式.pdf
10.00金币
0下载
蜗牛文库+ 关注
实名认证
内容提供者

提供各种专业文档内容

确认删除?
QQ
  • QQ点击这里给我发消息
微信客服
  • 微信客服
回到顶部