电脑桌面
添加蜗牛文库到电脑桌面
安装后可以在桌面快捷访问

SBT 10313-1999 固稀发酵法酱油酿造工艺规程.pdfVIP免费

SBT 10313-1999 固稀发酵法酱油酿造工艺规程.pdf_第1页
SBT 10313-1999 固稀发酵法酱油酿造工艺规程.pdf_第2页
SBT 10313-1999 固稀发酵法酱油酿造工艺规程.pdf_第3页
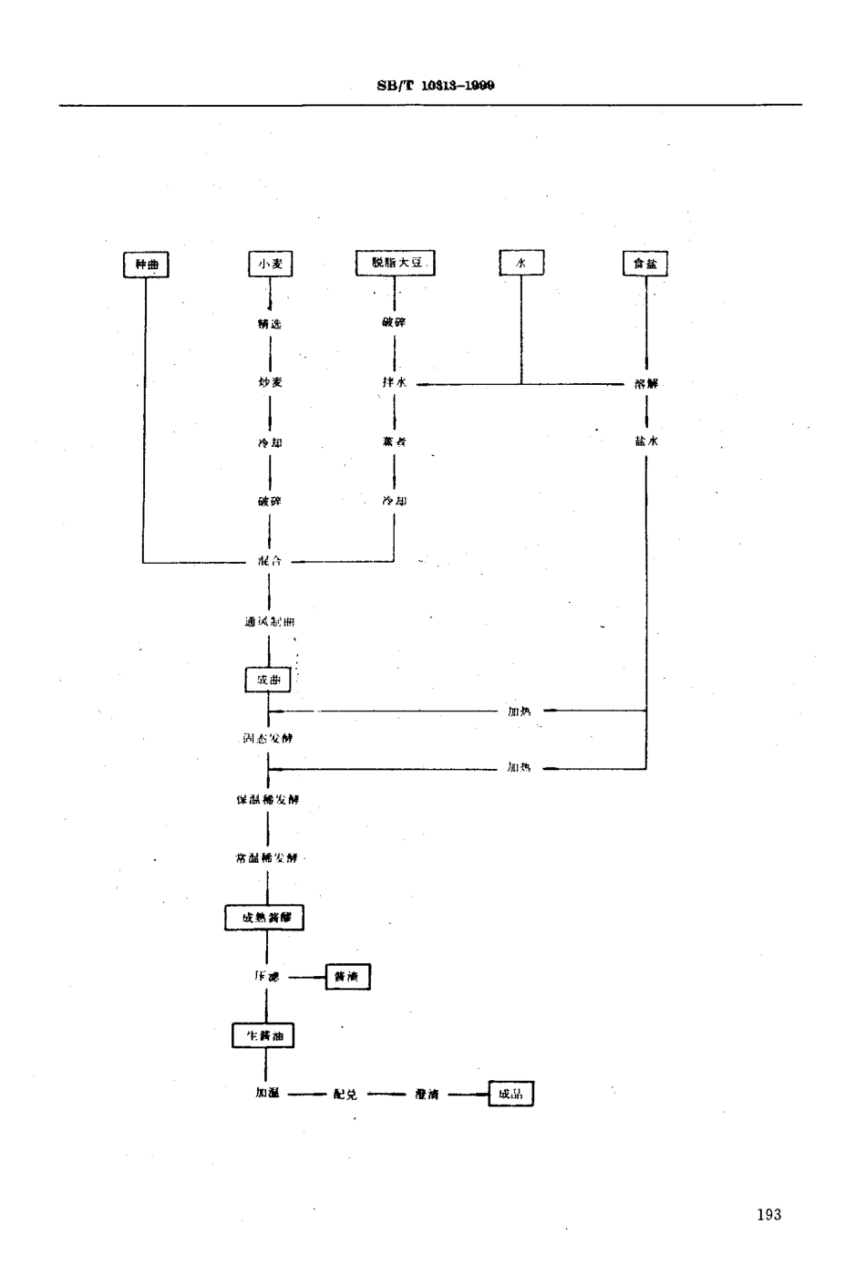
备爽号:2740-1999中华人民共和国行业标准固稀发酵法酱油酿造工艺规程露豁器撰87Technicalregulatidnsofsoysaucewithsolid-liquidstatefermentation本标准适用于以脱脂大豆,小麦为主要原料,经过前期固态发酵后期稀发酵两个阶段酿造酱油的工艺。原料要求L1脱脂大豆应符合GB1352-《大豆》及GB2715《粮食卫生标准》之规定1.2小麦应符合GB1351《小麦》之规定。1.3水生产用水应符合GB5749《生活饮用水卫生标准》规定。1.4食盐应符合GB5461《食用盐》之规定。15食品添加剂应符合GB2760《食品添加剂使用卫生标准》之规定。工艺流程国家国内贸易局1999-04-15批准1999-04-15实施2928B/T18918-1988种曲F1lA平情选{炒麦{冷却1破碎I涅合破碎{拌水{若者I冷翻』军{1{常—)mps加执保似稀发解!常谧稀发解加砚—配兑-硬油-{刃193SHITipg18-18993制作方法3.1种曲制造3.1.1菌种3.1.2种曲培养试管菌种~锥形瓶菌种~曲盒菌种(或曲池、曲匾),逐级扩大培养。试管菌种应定期进行纯化,复壮。3.1.3质量要求3.1.3.1感官指标抱子丛生,黄绿色,无异味,无污染。3.1.3.2理化指标每克种曲(干基)含抱子数5X10,个以上。抱子发芽率在900o以上。3.2原料处理3.2.1脱脂大豆的处理脱脂大豆的破碎程度,以粗细均匀为宜。要求颗粒直径为2-3mm,2mm以下粉末量不超过20%.3.2-1.1浸润轧碎之脱脂大豆均匀地拌入80^-90℃之热水,加水量为原料(脱脂大豆之的12000^125%,浸润适当时间。3.2.1.2蒸料蒸料工艺:a.蒸汽压力:1.5-2.Okg/cm';b.蒸汽温度:125-130C;c.保压时间:5-15min,3.2-1.3熟料质量要求a.呈淡红褐色,不生不粘,松散,具有甜香味及弹性,蛋白质变性适度;b.消化率80%以上;c·无N性沉淀。3.2.2小麦的处理3.2-2.1小麦焙炒温度为170'C3.2-2.2焙炒后的小麦经冷却~破碎。3.2-2.3破碎粒度:1-3mm,允许有35%通过32目筛的粉末。32.2.4焙炒破碎小麦质量标准:水分不超过10%,焙炒小麦为淡茶色,破碎后具有独特的香气。3.3制曲3.3.1接种入池将蒸熟的脱脂大豆与焙炒破碎的小麦混合均匀,冷却到40C以下,接入种曲。种曲用量:2'%.-3Y-混合均匀后移入曲池制曲。3.3.2制曲工艺条件a.曲层厚度:25-30cm;b.制曲过程中,品温控制在30-32`C,最高不得超过35`C;c.曲室温度28-32'C;d.曲室相对湿度在90%以上;e.制曲时间3天;1948B!T功呀功-功日日f.在制曲过程中应进行2-3次翻曲。3.3.3成曲质量要求a.感官要求:曲料疏松,柔软有弹性,菌丝丰满,黄绿色,抱子飞扬,具有成曲特有之香气,无异味。b.理化要求:成曲水分:...

1、当您付费下载文档后,您只拥有了使用权限,并不意味着购买了版权,文档只能用于自身使用,不得用于其他商业用途(如 [转卖]进行直接盈利或[编辑后售卖]进行间接盈利)。
2、本站所有内容均由合作方或网友上传,本站不对文档的完整性、权威性及其观点立场正确性做任何保证或承诺!文档内容仅供研究参考,付费前请自行鉴别。
3、如文档内容存在违规,或者侵犯商业秘密、侵犯著作权等,请点击“违规举报”。

碎片内容

蜗牛文库的最新文档

二年级数学下册其中检测卷二年级数学下册其中检测卷附答案#期中测试卷.pdf
10.00金币
0下载
二年级数学下册期末质检卷(苏教版)二年级数学下册期末质检卷(苏教版)#期末复习 #期末测试卷 #二年级数学 #二年级数学下册#关注我持续更新小学知识.pdf
10.00金币
0下载
二年级数学下册期末混合运算专项练习二年级数学下册期末混合运算专项练习#二年级#二年级数学下册#关注我持续更新小学知识 #知识分享 #家长收藏孩子受益.pdf
10.00金币
1下载
二年级数学下册年月日三类周期问题解题方法二年级数学下册年月日三类周期问题解题方法#二年级#二年级数学下册#知识分享 #关注我持续更新小学知识 #家长收藏孩子受益.pdf
10.00金币
0下载
二年级数学下册解决问题专项训练二年级数学下册解决问题专项训练#专项训练#解决问题#二年级#二年级数学下册#知识分享.pdf
10.00金币
1下载
二年级数学下册还原问题二年级数学下册还原问题#二年级#二年级数学#关注我持续更新小学知识 #知识分享 #家长收藏孩子受益.pdf
10.00金币
1下载
二年级数学下册第六单元考试卷家长打印出来给孩子测试测试争取拿到高分!#小学二年级试卷分享 #二年级第六单考试数学 #第六单考试#二年级数学下册.pdf
10.00金币
0下载
二年级数学下册必背顺口溜口诀汇总二年级数学下册必背顺口溜口诀汇总#二年级#二年级数学下册 #知识分享 #家长收藏孩子受益 #关注我持续更新小学知识.pdf
10.00金币
0下载
二年级数学下册《重点难点思维题》两大问题解决技巧和方法巧算星期几解决周期问题还原问题强化思维训练老师精心整理家长可以打印出来给孩子练习#家长收藏孩子受益 #学霸秘籍 #思维训练 #二年级 #知识点总结.pdf
10.00金币
0下载
二年级数学下册 必背公式大全寒假提前背一背开学更轻松#二年级 #二年级数学 #二年级数学下册 #寒假充电计划 #公式.pdf
10.00金币
0下载
蜗牛文库+ 关注
实名认证
内容提供者

提供各种专业文档内容

确认删除?
QQ
  • QQ点击这里给我发消息
微信客服
  • 微信客服
回到顶部