电脑桌面
添加蜗牛文库到电脑桌面
安装后可以在桌面快捷访问

SBT 10260-1996 芝麻酱.pdfVIP免费

SBT 10260-1996 芝麻酱.pdf_第1页
SBT 10260-1996 芝麻酱.pdf_第2页
SBT 10260-1996 芝麻酱.pdf_第3页
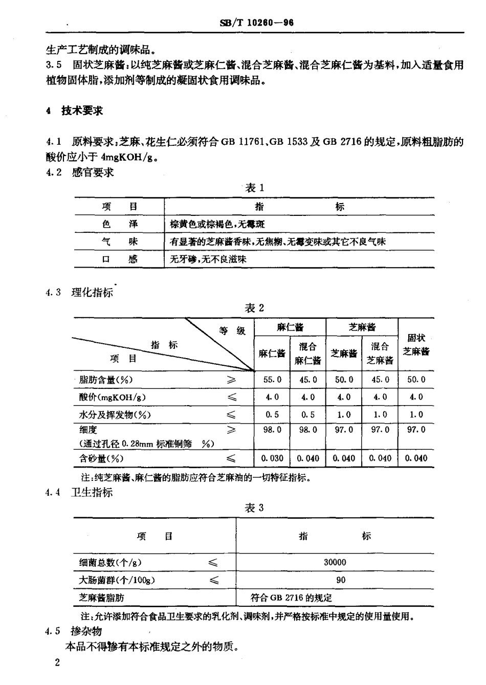
SB中华人民共和国行业标准Ss/T10260一96芝麻酱SesamePaste1996-04一19发布1996一10一01实施中华人民共和国国内贸易部发布中华人民共和国行业标准芝麻酱SesamePasteSB/T10260-96主题内容与适用范围本标准主要规定了芝麻酱的产品分类、技术要求、检验规则、检验方法及标志、包装、运输和贮存。本标准适用于以纯芝麻(纯芝麻仁)、芝麻(仁)与花生仁或葵花籽仁混合物为原料制成,或再加人食用植物固体脂、食品添力喇等制成的粘稠糊状或凝固状食用调味品。弓1用标准GB5492粮食、油料检验色泽、气味、口味鉴定法GB5512粮食、油料检验粗脂肪测定法GB5528植物油脂检验水分及挥发物测定法GB5530植物油脂检验酸价测定法GB5538植物油脂检验油脂酸败试验及过氧化值测定法GB7718食品标签通用标准GB2716食用植物油卫生标准GB11761芝麻GB1533花生仁GB4789.2食品卫生微生物学检验菌落总数测定GB4789.3食品卫生微生物学检验大肠菌群测定根据产品选用的原料品种、配比、产品形状的不同进行分类。3.1纯芝麻茜(简称芝麻茜):以纯芝麻为原料,经除杂、清洗、烘炒、研磨制成的粘稠糊状食用调味品。3.2芝麻仁酱:以纯芝麻仁为原料,经除杂、清洗、去皮、烘炒、研磨制成的糊状食用调味品。3.3混合芝麻昔:以芝麻、花生仁(葵花籽仁)为原料,芝麻成分不少于500o,按芝麻酱生产工艺制成的调味品。3.4混合芝麻仁昔:以芝麻仁、花生仁(葵花籽仁)为原料,芝麻仁成分不少于500o,按芝麻酱中华人民共和国国内贸易部1996-04一19批准Is”一10-01实施1SB/T10290-99生产工艺制成的调味品。3.5固状芝麻酱:以纯芝麻酱或芝麻仁酱、混合芝麻酱、混合芝麻仁茜为基料,加人适量食用植物固体月旨,添加剂等制成的凝固状食用调味品。4技术要求4.1原料要求:芝麻、花生仁必须符合GB11761,GB1533及GB2716的规定,原料赶幼却仿的酸价应小于4mgKOH/g,4.2表1项目指标色泽棕黄色或棕褐色,无霉斑气味有显著的芝麻酱香味,无焦糊、无母变味或其它不良气味口感无牙珍,无不良滋味4.3理化指标表2、#}}T麻仁昔芝麻酱固状芝麻昔麻仁昔混合麻仁酱芝麻昔混合芝麻酱脂肪含量(%))55.045.050.045.050.0酸价(mgKOH饱)毛4.04.04.04.04.0水分及挥发物(%)蕊0.50.51.01.01.0细度)(通过孔径0.28mm标准铜筛肠)98.098.097.097.097.0含砂量(%)(0.0300.0400.0400.0400.040注:纯芝麻酱、麻仁酱的脂肪应符合芝麻油的一切特征指标。4.4卫生指标表3项目指标细菌总数(个/g)30000大肠菌群(个八008)(90芝麻酱脂肪符合GB2716的规定注:允许...

1、当您付费下载文档后,您只拥有了使用权限,并不意味着购买了版权,文档只能用于自身使用,不得用于其他商业用途(如 [转卖]进行直接盈利或[编辑后售卖]进行间接盈利)。
2、本站所有内容均由合作方或网友上传,本站不对文档的完整性、权威性及其观点立场正确性做任何保证或承诺!文档内容仅供研究参考,付费前请自行鉴别。
3、如文档内容存在违规,或者侵犯商业秘密、侵犯著作权等,请点击“违规举报”。

碎片内容

蜗牛文库的最新文档

二年级数学下册其中检测卷二年级数学下册其中检测卷附答案#期中测试卷.pdf
10.00金币
0下载
二年级数学下册期末质检卷(苏教版)二年级数学下册期末质检卷(苏教版)#期末复习 #期末测试卷 #二年级数学 #二年级数学下册#关注我持续更新小学知识.pdf
10.00金币
0下载
二年级数学下册期末混合运算专项练习二年级数学下册期末混合运算专项练习#二年级#二年级数学下册#关注我持续更新小学知识 #知识分享 #家长收藏孩子受益.pdf
10.00金币
1下载
二年级数学下册年月日三类周期问题解题方法二年级数学下册年月日三类周期问题解题方法#二年级#二年级数学下册#知识分享 #关注我持续更新小学知识 #家长收藏孩子受益.pdf
10.00金币
0下载
二年级数学下册解决问题专项训练二年级数学下册解决问题专项训练#专项训练#解决问题#二年级#二年级数学下册#知识分享.pdf
10.00金币
1下载
二年级数学下册还原问题二年级数学下册还原问题#二年级#二年级数学#关注我持续更新小学知识 #知识分享 #家长收藏孩子受益.pdf
10.00金币
1下载
二年级数学下册第六单元考试卷家长打印出来给孩子测试测试争取拿到高分!#小学二年级试卷分享 #二年级第六单考试数学 #第六单考试#二年级数学下册.pdf
10.00金币
0下载
二年级数学下册必背顺口溜口诀汇总二年级数学下册必背顺口溜口诀汇总#二年级#二年级数学下册 #知识分享 #家长收藏孩子受益 #关注我持续更新小学知识.pdf
10.00金币
0下载
二年级数学下册《重点难点思维题》两大问题解决技巧和方法巧算星期几解决周期问题还原问题强化思维训练老师精心整理家长可以打印出来给孩子练习#家长收藏孩子受益 #学霸秘籍 #思维训练 #二年级 #知识点总结.pdf
10.00金币
0下载
二年级数学下册 必背公式大全寒假提前背一背开学更轻松#二年级 #二年级数学 #二年级数学下册 #寒假充电计划 #公式.pdf
10.00金币
0下载
蜗牛文库+ 关注
实名认证
内容提供者

提供各种专业文档内容

确认删除?
QQ
  • QQ点击这里给我发消息
微信客服
  • 微信客服
回到顶部