电脑桌面
添加蜗牛文库到电脑桌面
安装后可以在桌面快捷访问

SBT 10090-1992 鲜桃.pdfVIP免费

SBT 10090-1992 鲜桃.pdf_第1页
SBT 10090-1992 鲜桃.pdf_第2页
SBT 10090-1992 鲜桃.pdf_第3页
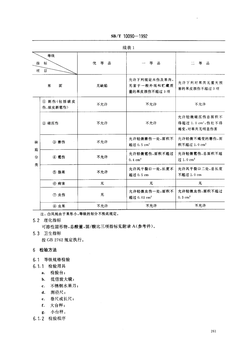
中华人民共和国商业行业标准SB/'r10090-1992鲜桃1主题内容与适用范围本标准规定了鲜桃的品种、等级、质量、技术要求、检验方法、包装、运输和保管本标准适用于鲜桃的商品收购。231用标准GB2762食品中汞允许量标准GB/T5009.17食品中总汞的测定方法GB/T10651鲜苹果3术语3.1果形主要的形状有近圆形、卵圆形、扁圆形、椭圆形和扁平形等。3.2畸形果外观有不正常的明显突起或凹陷,以及偏缺的果实。3.3清洁果实表面无泥土、灰尘、虫卵、虫粪等影响外观的污物。3.4良好果实无机械伤、无病虫害或腐烂,完全适于食用。3.5横径果实缝合线和背部水平切面中的最长线段,以毫米(mm)表示。3.6异味果实吸收其他物质的不良气味或因果实变质而产生不正常的气味和滋味。3.7不正常的外来水分经雨淋或用水冲洗后留在果实表面的水分。3.8充分发育果实已长成应有的大小和形状。3.9成熟果实已达充分发育阶段,并表现出品种特征。3.10成熟度果实成熟过程中的不同阶段。3门0.1七成熟:底色绿或绿色开始减退,果实充分发育,果面基本平展无坑洼,中晚熟品种在缝合线附近有少量坑洼痕迹,果面毛茸较厚。3.10.2八成熟:从果顶开始绿色明显减退,呈淡绿色或淡黄色。果面丰满,茸毛减少,果肉稍硬。有色品种已着色。中华人民共和国商业部1992一12一30批准1993一06一01实施Bs/T10090-1992110-3九成熟:绿色大部分退尽,呈现该品种应有的底色,如白色,乳白色,橙黄色,茸毛少,有色品种大部分着色。表现出品种的风味3.10.4十成熟果实茸毛易脱落,无残留绿色。水蜜型桃柔软多汁,皮易剥离,稍压即流汁破裂;硬质型桃开始变绵。3.11溶质俗称水蜜,桃成熟时原果胶显著减少,果肉细胞的细胞膜转薄,并有一部分细胞破裂,使细胞内溶物渗出于细胞间隙,以致果肉呈现柔软多汁的性状。3门2水溶质即硬质,完全成熟时中胶层水解呈粉质变绵。3.13虫伤果实被虫咬的伤。3.14虫果主要指食心虫危害的果实。3.15容许度桃在采后分级中可能存在疏忽,以及在处理和贮运过程中可能产生的品质变化,规定一个低于本等级质量的允许限度。4品种4.1极早熟品种:麦香、早花露、春蕾等4.2早熟品种:早凤、早香玉、雨花露、扬州早甜桃、庆丰、五月鲜、夭津水蜜等4.3中熟品种:陆林、撒花红蟠桃、大久保、白凤、冈山白、京玉、上海水蜜等。4.4晚熟品种:深州水蜜、燕红、秋香、燕黄、玉露、白花等。4.5极晚熟品种:绿化五号、肥城桃、满城雪桃等。5技术要求5.1等级指标见表1,表1二#a6r优等品一等品二等品质鳌果实充分发育...

1、当您付费下载文档后,您只拥有了使用权限,并不意味着购买了版权,文档只能用于自身使用,不得用于其他商业用途(如 [转卖]进行直接盈利或[编辑后售卖]进行间接盈利)。
2、本站所有内容均由合作方或网友上传,本站不对文档的完整性、权威性及其观点立场正确性做任何保证或承诺!文档内容仅供研究参考,付费前请自行鉴别。
3、如文档内容存在违规,或者侵犯商业秘密、侵犯著作权等,请点击“违规举报”。

碎片内容

蜗牛文库的最新文档

二年级数学下册其中检测卷二年级数学下册其中检测卷附答案#期中测试卷.pdf
10.00金币
0下载
二年级数学下册期末质检卷(苏教版)二年级数学下册期末质检卷(苏教版)#期末复习 #期末测试卷 #二年级数学 #二年级数学下册#关注我持续更新小学知识.pdf
10.00金币
0下载
二年级数学下册期末混合运算专项练习二年级数学下册期末混合运算专项练习#二年级#二年级数学下册#关注我持续更新小学知识 #知识分享 #家长收藏孩子受益.pdf
10.00金币
1下载
二年级数学下册年月日三类周期问题解题方法二年级数学下册年月日三类周期问题解题方法#二年级#二年级数学下册#知识分享 #关注我持续更新小学知识 #家长收藏孩子受益.pdf
10.00金币
0下载
二年级数学下册解决问题专项训练二年级数学下册解决问题专项训练#专项训练#解决问题#二年级#二年级数学下册#知识分享.pdf
10.00金币
1下载
二年级数学下册还原问题二年级数学下册还原问题#二年级#二年级数学#关注我持续更新小学知识 #知识分享 #家长收藏孩子受益.pdf
10.00金币
1下载
二年级数学下册第六单元考试卷家长打印出来给孩子测试测试争取拿到高分!#小学二年级试卷分享 #二年级第六单考试数学 #第六单考试#二年级数学下册.pdf
10.00金币
0下载
二年级数学下册必背顺口溜口诀汇总二年级数学下册必背顺口溜口诀汇总#二年级#二年级数学下册 #知识分享 #家长收藏孩子受益 #关注我持续更新小学知识.pdf
10.00金币
0下载
二年级数学下册《重点难点思维题》两大问题解决技巧和方法巧算星期几解决周期问题还原问题强化思维训练老师精心整理家长可以打印出来给孩子练习#家长收藏孩子受益 #学霸秘籍 #思维训练 #二年级 #知识点总结.pdf
10.00金币
0下载
二年级数学下册 必背公式大全寒假提前背一背开学更轻松#二年级 #二年级数学 #二年级数学下册 #寒假充电计划 #公式.pdf
10.00金币
0下载
蜗牛文库+ 关注
实名认证
内容提供者

提供各种专业文档内容

确认删除?
QQ
  • QQ点击这里给我发消息
微信客服
  • 微信客服
回到顶部