电脑桌面
添加蜗牛文库到电脑桌面
安装后可以在桌面快捷访问

SBT 10282-1997 肉干.pdfVIP免费

SBT 10282-1997 肉干.pdf_第1页
SBT 10282-1997 肉干.pdf_第2页
SBT 10282-1997 肉干.pdf_第3页
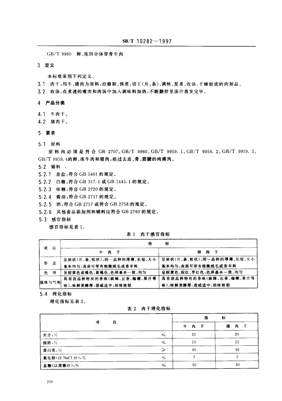
SB/T10282一1997前言肉干是具有中国特色的一种即食干肉制品,加工技术比较简单风味独特,且易贮藏,在国内外享有声替,肉干产品原无行业和国家标准,属首次制定发布。本标准在制定时参照了各地的地方标准和企业标准,符合我国国情,有利于保护国家及消费者的利益。本标准由中华人民共和国国内贸易部提出。本标准由中国肉类食品综合研究中心技术归口。本标准由江苏省肉食品研究所负责起草。本标准主要起草人:蒋承营、吴百灵、丁秀绮e本标准由中国肉类食品综合研究中心负贪解释。中华人民共和国商业行业标准肉千SB/T10282一1997Driedmeatdice1范围本标准规定了肉干的产品分类、技术要求、试验方法、产品检验和标志、包装、运输、贮存。本标准适用于以猪、牛肉为原料加工制作的肉干2引用标准下列标准所包含的条文,通过在本标准中引用而构成为本标准的条文。本标准出版时,所示版本均为有效。GBGBGBGBGBGBGBGBGBGBGBGBGBGBGBGBGB所有标准都会被修订,使用本标准的各方应探讨使用下列标准最新版本的可能性。317.1白砂糖1445.1绵白糖2707猪肉卫生标准2717酱油卫生标准2720味精卫生标准2757蒸馏酒及配制酒卫生标准2758发酵酒卫生标准2760食品添加剂使用卫生标准4789.1-4789.31食品卫生检验方法微生物学部分5009.7食品中还原糖的测定方法5461食用盐6543瓦楞纸箱7718食品标签通用标准9681食品包装用聚抓乙烯成型品卫生标准9687食品包装用聚乙烯成型品卫生标准9688食品包装用聚丙烯成型品卫生标准9689食品包装用聚苯乙姗成型品卫生标准GB/T9695.1肉与肉制品游离脂肪含量的测定GB/T9695.8肉与肉制品抓化物含量测定GB/T9695.11肉与肉制品氮含量侧定GB/T9695.15肉与肉制品水分含量侧定GB/T9695.19肉与肉制品取样方法GB/T9959.1带皮鲜、冻片猪肉GB/T9959.2无皮鲜、冻片猪肉GB/T9959.3分部位分割冻猪肉GB/T9959.4分割冻猪瘦肉中华人民共和国国内贸易部1997-03-10批准1997一10一01实施sB/T10292一1997GB/T9960鲜、冻四分体带骨牛肉3定义本标准采用下列定义。3门肉干:用牛、猪肉为原料,经修割、预煮、切丁(片、条)、调味、复煮、收汤、干燥制成的肉制品。3.2收汤:在煮透的瘦肉和肉汤中加人调味料加热,不断翻炒至汤汁蒸发完毕4产品分类:.;牛肉干猪肉干5要求5.1原料原料肉必须是符合GB2707,GB/T9960,GB/T9959.1,GB/T9959.2,GB/T9959.3GB/T9959.4的鲜、冻牛肉和猪肉,经过去皮、骨、筋胜的纯瘦肉。5.2辅料5.2.1食盐:符合GB5461的规定。5.2.2白糖:符合GB317.1或GB1445...

1、当您付费下载文档后,您只拥有了使用权限,并不意味着购买了版权,文档只能用于自身使用,不得用于其他商业用途(如 [转卖]进行直接盈利或[编辑后售卖]进行间接盈利)。
2、本站所有内容均由合作方或网友上传,本站不对文档的完整性、权威性及其观点立场正确性做任何保证或承诺!文档内容仅供研究参考,付费前请自行鉴别。
3、如文档内容存在违规,或者侵犯商业秘密、侵犯著作权等,请点击“违规举报”。

碎片内容

蜗牛文库的最新文档

二年级数学下册其中检测卷二年级数学下册其中检测卷附答案#期中测试卷.pdf
10.00金币
0下载
二年级数学下册期末质检卷(苏教版)二年级数学下册期末质检卷(苏教版)#期末复习 #期末测试卷 #二年级数学 #二年级数学下册#关注我持续更新小学知识.pdf
10.00金币
0下载
二年级数学下册期末混合运算专项练习二年级数学下册期末混合运算专项练习#二年级#二年级数学下册#关注我持续更新小学知识 #知识分享 #家长收藏孩子受益.pdf
10.00金币
1下载
二年级数学下册年月日三类周期问题解题方法二年级数学下册年月日三类周期问题解题方法#二年级#二年级数学下册#知识分享 #关注我持续更新小学知识 #家长收藏孩子受益.pdf
10.00金币
0下载
二年级数学下册解决问题专项训练二年级数学下册解决问题专项训练#专项训练#解决问题#二年级#二年级数学下册#知识分享.pdf
10.00金币
1下载
二年级数学下册还原问题二年级数学下册还原问题#二年级#二年级数学#关注我持续更新小学知识 #知识分享 #家长收藏孩子受益.pdf
10.00金币
1下载
二年级数学下册第六单元考试卷家长打印出来给孩子测试测试争取拿到高分!#小学二年级试卷分享 #二年级第六单考试数学 #第六单考试#二年级数学下册.pdf
10.00金币
0下载
二年级数学下册必背顺口溜口诀汇总二年级数学下册必背顺口溜口诀汇总#二年级#二年级数学下册 #知识分享 #家长收藏孩子受益 #关注我持续更新小学知识.pdf
10.00金币
0下载
二年级数学下册《重点难点思维题》两大问题解决技巧和方法巧算星期几解决周期问题还原问题强化思维训练老师精心整理家长可以打印出来给孩子练习#家长收藏孩子受益 #学霸秘籍 #思维训练 #二年级 #知识点总结.pdf
10.00金币
0下载
二年级数学下册 必背公式大全寒假提前背一背开学更轻松#二年级 #二年级数学 #二年级数学下册 #寒假充电计划 #公式.pdf
10.00金币
0下载
蜗牛文库+ 关注
实名认证
内容提供者

提供各种专业文档内容

确认删除?
QQ
  • QQ点击这里给我发消息
微信客服
  • 微信客服
回到顶部