电脑桌面
添加蜗牛文库到电脑桌面
安装后可以在桌面快捷访问

SBT 10186-1993 茶叶平面圆筛机型式与参数.pdfVIP免费

SBT 10186-1993 茶叶平面圆筛机型式与参数.pdf_第1页
SBT 10186-1993 茶叶平面圆筛机型式与参数.pdf_第2页
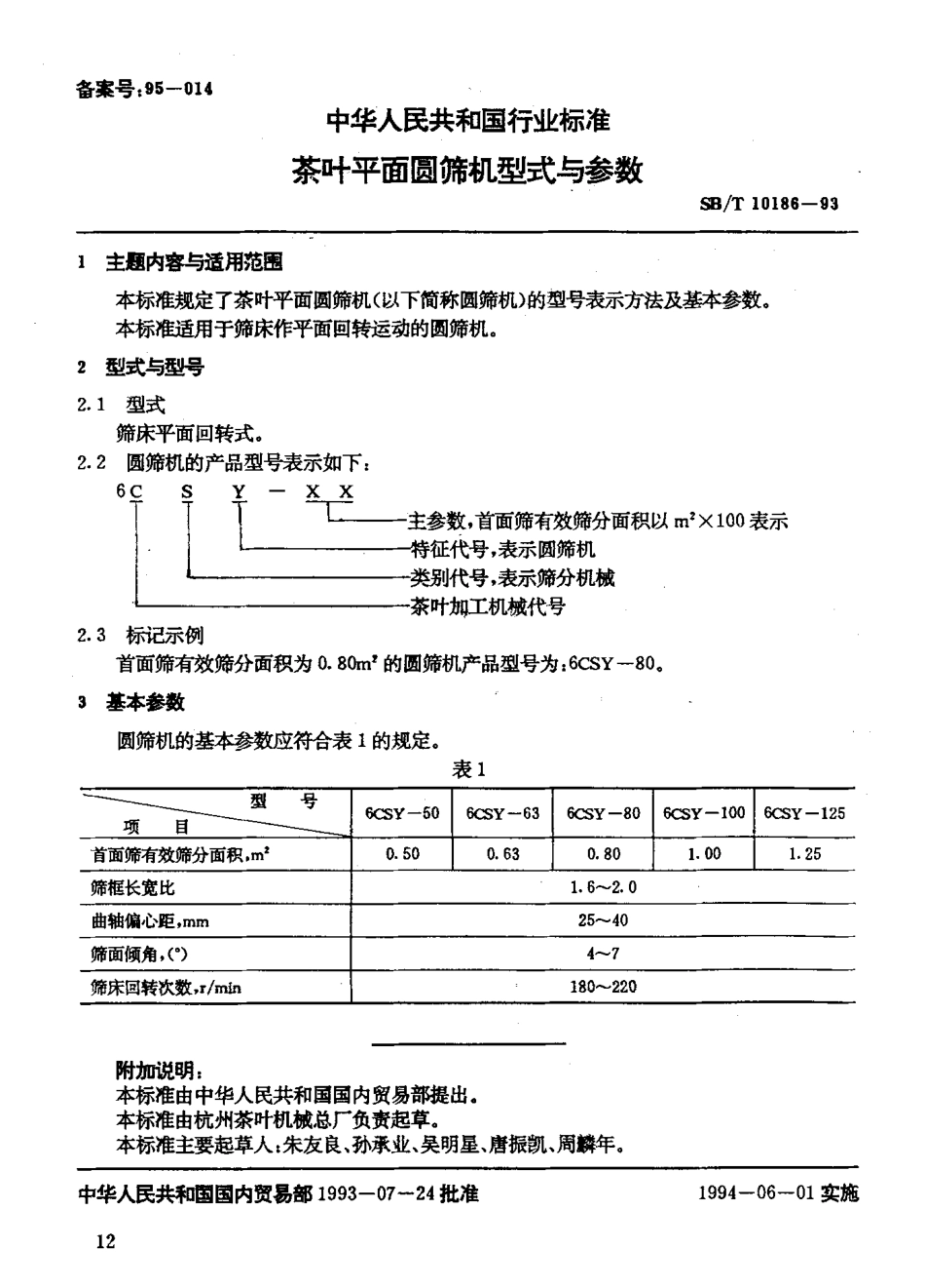
备案号:95-014SB中华人民共和国行业标准SB/T10167-x10168一93SB/T10185^10188一93茶叶和茶叶型式与参数中华人民共和国国内贸易部发布备案号:95-014中华人民共和国行业标准茶叶平面圆筛机型式与参数SB/T10186-931主皿内容与适用范围本标准规定了茶叶平面圆筛机(以下简称圆筛机)的型号表示方法及基本参数。本标准适用于筛床作平面回转运动的回筛机.2型式与型号2.1型式筛床平面回转式.2.2圆筛机的产品型号表示如下:6CSY一XX一毛二一一主参数,首面筛有效筛分面积以mZX100表示征代号,表示圆筛机类别代号,表示筛分机械茶叶加工机械代号2.3柄i己示例首面筛有效筛分面积为。.80m,的圆筛机产品型号为:6CSY-80,3墓本参数圆筛机的基本参数应符合表1的规定。表1一石~言一竺一且一6CSY-506CSY一63叙万Y-806CSY-100伙习Y-125首面筛有效筛分面积,m'0.500.630.801.001.25筛框长宽比1.6-2.0曲轴偏心距,mm25-"40筛面倾角,(。)4^-7筛床回转次数,r/min180^-220附加说明:本标准由中华人民共和国国内贸易部提出.本标准由杭州茶叶机械总厂负责起草.本标准主要起草人:朱友良、孙承业、吴明星、唐振凯、周麟年。中华人民共和国国内贸易部1993-07-24批准1994-06-01实施12

1、当您付费下载文档后,您只拥有了使用权限,并不意味着购买了版权,文档只能用于自身使用,不得用于其他商业用途(如 [转卖]进行直接盈利或[编辑后售卖]进行间接盈利)。
2、本站所有内容均由合作方或网友上传,本站不对文档的完整性、权威性及其观点立场正确性做任何保证或承诺!文档内容仅供研究参考,付费前请自行鉴别。
3、如文档内容存在违规,或者侵犯商业秘密、侵犯著作权等,请点击“违规举报”。

碎片内容

蜗牛文库的最新文档

二年级数学下册其中检测卷二年级数学下册其中检测卷附答案#期中测试卷.pdf
10.00金币
0下载
二年级数学下册期末质检卷(苏教版)二年级数学下册期末质检卷(苏教版)#期末复习 #期末测试卷 #二年级数学 #二年级数学下册#关注我持续更新小学知识.pdf
10.00金币
0下载
二年级数学下册期末混合运算专项练习二年级数学下册期末混合运算专项练习#二年级#二年级数学下册#关注我持续更新小学知识 #知识分享 #家长收藏孩子受益.pdf
10.00金币
1下载
二年级数学下册年月日三类周期问题解题方法二年级数学下册年月日三类周期问题解题方法#二年级#二年级数学下册#知识分享 #关注我持续更新小学知识 #家长收藏孩子受益.pdf
10.00金币
0下载
二年级数学下册解决问题专项训练二年级数学下册解决问题专项训练#专项训练#解决问题#二年级#二年级数学下册#知识分享.pdf
10.00金币
1下载
二年级数学下册还原问题二年级数学下册还原问题#二年级#二年级数学#关注我持续更新小学知识 #知识分享 #家长收藏孩子受益.pdf
10.00金币
1下载
二年级数学下册第六单元考试卷家长打印出来给孩子测试测试争取拿到高分!#小学二年级试卷分享 #二年级第六单考试数学 #第六单考试#二年级数学下册.pdf
10.00金币
0下载
二年级数学下册必背顺口溜口诀汇总二年级数学下册必背顺口溜口诀汇总#二年级#二年级数学下册 #知识分享 #家长收藏孩子受益 #关注我持续更新小学知识.pdf
10.00金币
0下载
二年级数学下册《重点难点思维题》两大问题解决技巧和方法巧算星期几解决周期问题还原问题强化思维训练老师精心整理家长可以打印出来给孩子练习#家长收藏孩子受益 #学霸秘籍 #思维训练 #二年级 #知识点总结.pdf
10.00金币
0下载
二年级数学下册 必背公式大全寒假提前背一背开学更轻松#二年级 #二年级数学 #二年级数学下册 #寒假充电计划 #公式.pdf
10.00金币
0下载
蜗牛文库+ 关注
实名认证
内容提供者

提供各种专业文档内容

确认删除?
QQ
  • QQ点击这里给我发消息
微信客服
  • 微信客服
回到顶部