电脑桌面
添加蜗牛文库到电脑桌面
安装后可以在桌面快捷访问

SBT 10060-1992 梨冷藏技术.pdfVIP免费

SBT 10060-1992 梨冷藏技术.pdf_第1页
SBT 10060-1992 梨冷藏技术.pdf_第2页
SBT 10060-1992 梨冷藏技术.pdf_第3页
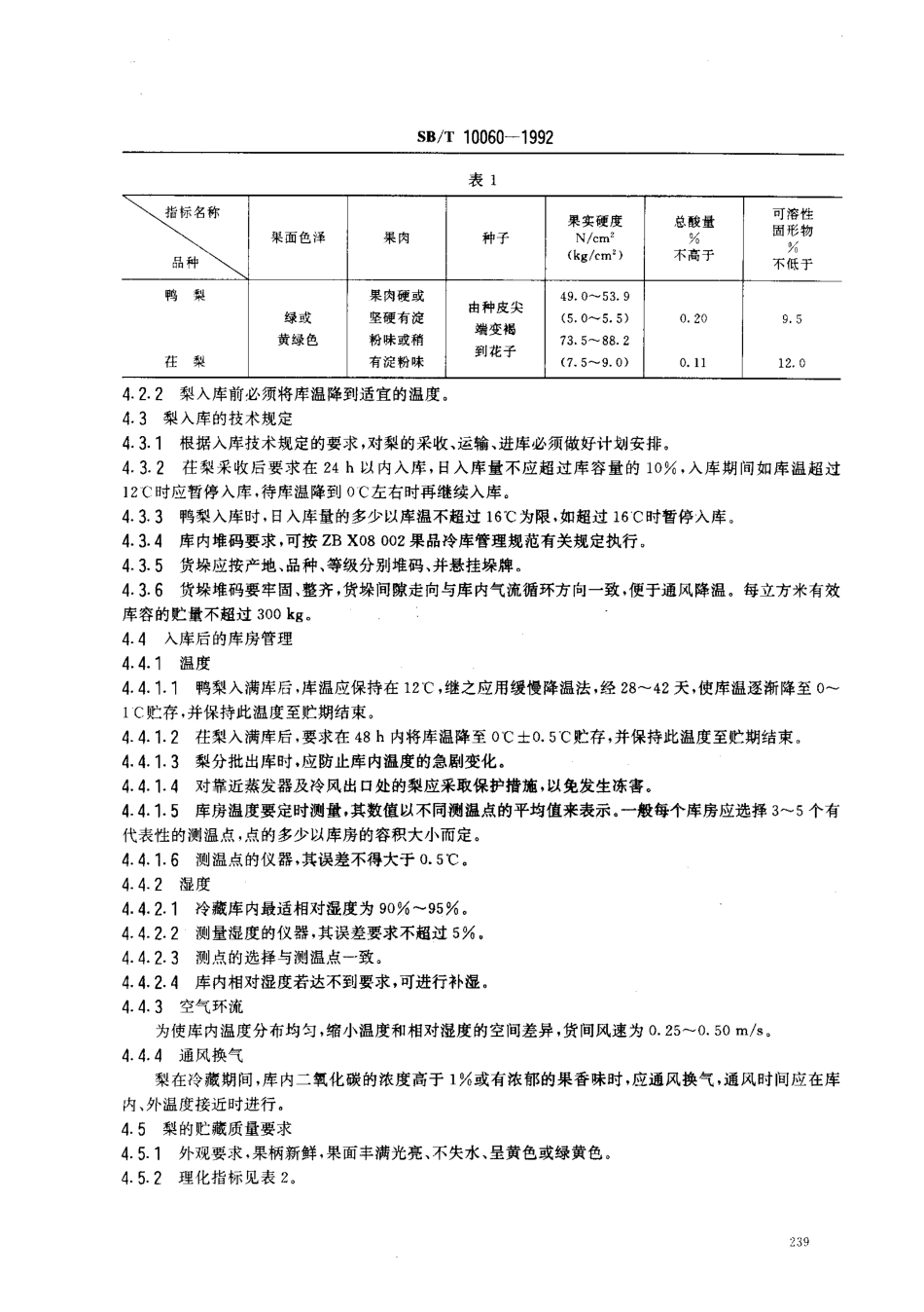
中华人民共和国商业行业标准SB/T10060-1992梨冷藏技术本标准参照采用国际标准ISO1134-1980(梨冷藏指南》。1主题内容与适用范围本标准规定了梨的冷藏技术要求、冷藏梨的检验规则和检验方法本标准适用于鸭梨、在梨的中、长期冷藏。其他如雪花梨、长把梨、香水梨、秋白梨、蜜梨、库尔勒香梨也可参照使用2引用标准GB/T8559苹果冷藏技术GB/T10650鲜梨ZBX08002果品冷库管理规范3术语3.1花子种皮大部分呈浅褐色,种仁变硬的种子。3.2机械伤由于人为对果实造成的损伤,如碰、压、刺伤等。3.3鸭梨黑心病鸭梨贮存过程中,常见的生理病害。初期果心变褐,严重时扩展到果肉,果心变黑。3.4缓慢降温鸭梨入库时,选用一定的起点温度,采用逐步降温的方法,将库温下降至规定的贮藏温度。有利于控制黑心病的发生。4技术要求4.1冷藏梨的质量要求4.1.1用于冷藏的梨,应在采前一周停止灌水,并不得在雨天或朝露未干时采摘。4.1.2用于冷藏的梨必须充分发育,达到采收成熟度,具有表1规定的各项成熟标志。4.1.3用于冷藏的梨,必须符合GB/T1065。所规定的优等品和一等品的质量指标。销地入库时机械伤果不得超过4%.4.2库房准备4.2.1梨入库前应对库房彻底清扫、灭鼠、消毒(参照GB/T8559附录C执行)。中华人民共和国商业部1992一08一14批准1992一12一01实施sB/T10060-1992表11}t}}1}(vo}$果面色泽果肉种子果实硬度N/cm}(kg/-')总酸量%不高于可溶性固形物%不低于鸭梨在梨绿或黄绿色果肉硬或坚硬有淀粉味或稍有淀粉味由种皮尖端变褐到花子49.0-53.9(5.0^-5.5)73.5-88.2(7.5^-9.0)0.200.119.512.04.2.2梨入库前必须将库温降到适宜的温度。4.3梨入库的技术规定4.3.1根据入库技术规定的要求,对梨的采收、运输、进库必须做好计划安排。4.3.2在梨采收后要求在24h以内入库,日入库量不应超过库容量的10%,入库期间如库温超过12℃时应暂停入库,待库温降到。℃左右时再继续入库。4.3.3鸭梨入库时旧入库量的多少以库温不超过16℃为限,如超过16C时暂停入库。4.3.4库内堆码要求,可按zBx08002果品冷库管理规范有关规定执行。4.3.5货垛应按产地、品种、等级分别堆码、并悬挂垛牌。4.3.6货垛堆码要牢固、整齐,货垛间隙走向与库内气流循环方向一致,便于通风降温。每立方米有效库容的贮量不超过300kg.4.4入库后的库房管理4.4门温度4.4.,门鸭梨入满库后,库温应保持在12'C,继之应用缓慢降温法,经28--42天,使库温逐渐降至。~工C贮存,并保持此温度至贮期结束。44.1.2往梨入满库后,要求...

1、当您付费下载文档后,您只拥有了使用权限,并不意味着购买了版权,文档只能用于自身使用,不得用于其他商业用途(如 [转卖]进行直接盈利或[编辑后售卖]进行间接盈利)。
2、本站所有内容均由合作方或网友上传,本站不对文档的完整性、权威性及其观点立场正确性做任何保证或承诺!文档内容仅供研究参考,付费前请自行鉴别。
3、如文档内容存在违规,或者侵犯商业秘密、侵犯著作权等,请点击“违规举报”。

碎片内容

蜗牛文库的最新文档

二年级数学下册其中检测卷二年级数学下册其中检测卷附答案#期中测试卷.pdf
10.00金币
0下载
二年级数学下册期末质检卷(苏教版)二年级数学下册期末质检卷(苏教版)#期末复习 #期末测试卷 #二年级数学 #二年级数学下册#关注我持续更新小学知识.pdf
10.00金币
0下载
二年级数学下册期末混合运算专项练习二年级数学下册期末混合运算专项练习#二年级#二年级数学下册#关注我持续更新小学知识 #知识分享 #家长收藏孩子受益.pdf
10.00金币
1下载
二年级数学下册年月日三类周期问题解题方法二年级数学下册年月日三类周期问题解题方法#二年级#二年级数学下册#知识分享 #关注我持续更新小学知识 #家长收藏孩子受益.pdf
10.00金币
0下载
二年级数学下册解决问题专项训练二年级数学下册解决问题专项训练#专项训练#解决问题#二年级#二年级数学下册#知识分享.pdf
10.00金币
1下载
二年级数学下册还原问题二年级数学下册还原问题#二年级#二年级数学#关注我持续更新小学知识 #知识分享 #家长收藏孩子受益.pdf
10.00金币
1下载
二年级数学下册第六单元考试卷家长打印出来给孩子测试测试争取拿到高分!#小学二年级试卷分享 #二年级第六单考试数学 #第六单考试#二年级数学下册.pdf
10.00金币
0下载
二年级数学下册必背顺口溜口诀汇总二年级数学下册必背顺口溜口诀汇总#二年级#二年级数学下册 #知识分享 #家长收藏孩子受益 #关注我持续更新小学知识.pdf
10.00金币
0下载
二年级数学下册《重点难点思维题》两大问题解决技巧和方法巧算星期几解决周期问题还原问题强化思维训练老师精心整理家长可以打印出来给孩子练习#家长收藏孩子受益 #学霸秘籍 #思维训练 #二年级 #知识点总结.pdf
10.00金币
0下载
二年级数学下册 必背公式大全寒假提前背一背开学更轻松#二年级 #二年级数学 #二年级数学下册 #寒假充电计划 #公式.pdf
10.00金币
0下载
蜗牛文库+ 关注
实名认证
内容提供者

提供各种专业文档内容

确认删除?
QQ
  • QQ点击这里给我发消息
微信客服
  • 微信客服
回到顶部