电脑桌面
添加蜗牛文库到电脑桌面
安装后可以在桌面快捷访问

NYT 429-2000 绿色食品 黑打瓜籽.pdfVIP免费

NYT 429-2000 绿色食品 黑打瓜籽.pdf_第1页
NYT 429-2000 绿色食品 黑打瓜籽.pdf_第2页
NYT 429-2000 绿色食品 黑打瓜籽.pdf_第3页
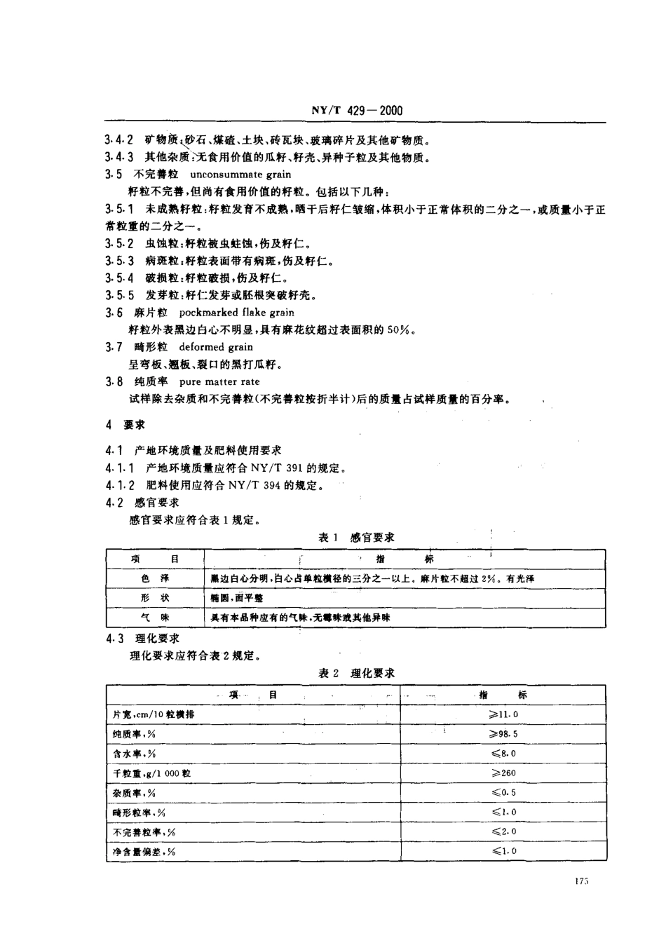
NY/T429-2000前言为判定绿色食品黑打瓜籽的质t和安全性,特制定本标准.本标准由中国绿色食品发展中心提出并归口。本标准起草单位:新班农垦科学院特产开发研究中心.本标准主要起草人:陈福赓、李元声、蒲彬、陈风翁、丛峰松、李卫平。中华人民共和国农业行业标准绿色食品黑打瓜籽NY/T429一2000Greenfood-Blackseedofseedingwatermelon,范围本标准规定了绿色食品黑打瓜籽的定义、要求、试验方法、检验规则、标志、标签、包装、运输、贮存。本标准适用于获得A级绿色食品标志的黑打瓜籽。2引用标准下列标准所包含的条文,通过在本标准中引用而构成为本标准的条文。本标准出版时,所示版本均为有效。所有标准都会被修订,使用本标准的各方应探讨使用下列标准最新版本的可能性.GB/T5009.11-1996食品中总砷的测定方法GB/T5009.17-1996食品中总汞的渊定方法GB/T5009.19--1996食品中六六六、滴滴涕残留量的测定方法GB/T5009.20-1996食品中有机磷农药残留量的测定方法GB/T5009.22-1996食品中黄曲霉毒素B,的测定方法GB5491-1985粮食、油料检验扦样、分样法GB/T5492-1985粮食、油料检验色泽、气味、口味鉴定法GB/T5494-1985粮食、油料检验杂质、不完善拉检验法GB/T5497-1985粮食、油料检验水分测定法GB/T5519-1988粮食和油料千枚重的侧定法GB7718-1994食品标签通用标准GB/T17109-1997粮食销售包装NY/T391--2000绿色食品产地环境技术条件NY/T393-2000绿色食品农药使用准则NY/T394-2000绿色食品肥料使用准则3定义3.4本标准采用下列定义。绿色食品greenfood见NY/T391-2000中3.1.A级绿色食品Agradegreenfood见NY/T391-2000中3.3.外观及气味appearanceandodour绿色食品黑打瓜籽的外部色泽、大小、粒形、健全、匀整、沽净程度以及气味。杂质impurity通过规定筛层和无食用价值的物质。包括下列几种:0‘月﹂:伪J巧1曰3.4.1筛下物:通过3.0mm圆孔的物质中华人民共和国农业部2000-12-22批准2001一04一01实施NY/T429一ZQOQ3.4·2矿物质妙石、煤碴、土块·砖瓦块·玻璃碎片及其他矿物质。3.4.3其他杂质;无食用价值的瓜籽、籽壳、异种子粒及其他物质。3.5不完普粒unconsummategrain籽粒不完善,但尚有食用价值的籽粒。包括以下几种:3.5,未成熟籽粒:籽粒发育不成熟,晒干后籽仁皱缩,体积小于正常体积的二分之一,或质量小于正常粒重的二分之一3.5.2虫蚀较:籽粒被虫蛀蚀,伤及籽仁。3.53病斑粒:籽粒表面带有病斑,伤及籽仁。3.5.4破损粒:籽粒破损,伤及籽仁。3.5.5发芽粒:籽...

1、当您付费下载文档后,您只拥有了使用权限,并不意味着购买了版权,文档只能用于自身使用,不得用于其他商业用途(如 [转卖]进行直接盈利或[编辑后售卖]进行间接盈利)。
2、本站所有内容均由合作方或网友上传,本站不对文档的完整性、权威性及其观点立场正确性做任何保证或承诺!文档内容仅供研究参考,付费前请自行鉴别。
3、如文档内容存在违规,或者侵犯商业秘密、侵犯著作权等,请点击“违规举报”。

碎片内容

蜗牛文库的最新文档

二年级数学下册其中检测卷二年级数学下册其中检测卷附答案#期中测试卷.pdf
10.00金币
0下载
二年级数学下册期末质检卷(苏教版)二年级数学下册期末质检卷(苏教版)#期末复习 #期末测试卷 #二年级数学 #二年级数学下册#关注我持续更新小学知识.pdf
10.00金币
0下载
二年级数学下册期末混合运算专项练习二年级数学下册期末混合运算专项练习#二年级#二年级数学下册#关注我持续更新小学知识 #知识分享 #家长收藏孩子受益.pdf
10.00金币
1下载
二年级数学下册年月日三类周期问题解题方法二年级数学下册年月日三类周期问题解题方法#二年级#二年级数学下册#知识分享 #关注我持续更新小学知识 #家长收藏孩子受益.pdf
10.00金币
0下载
二年级数学下册解决问题专项训练二年级数学下册解决问题专项训练#专项训练#解决问题#二年级#二年级数学下册#知识分享.pdf
10.00金币
1下载
二年级数学下册还原问题二年级数学下册还原问题#二年级#二年级数学#关注我持续更新小学知识 #知识分享 #家长收藏孩子受益.pdf
10.00金币
1下载
二年级数学下册第六单元考试卷家长打印出来给孩子测试测试争取拿到高分!#小学二年级试卷分享 #二年级第六单考试数学 #第六单考试#二年级数学下册.pdf
10.00金币
0下载
二年级数学下册必背顺口溜口诀汇总二年级数学下册必背顺口溜口诀汇总#二年级#二年级数学下册 #知识分享 #家长收藏孩子受益 #关注我持续更新小学知识.pdf
10.00金币
0下载
二年级数学下册《重点难点思维题》两大问题解决技巧和方法巧算星期几解决周期问题还原问题强化思维训练老师精心整理家长可以打印出来给孩子练习#家长收藏孩子受益 #学霸秘籍 #思维训练 #二年级 #知识点总结.pdf
10.00金币
0下载
二年级数学下册 必背公式大全寒假提前背一背开学更轻松#二年级 #二年级数学 #二年级数学下册 #寒假充电计划 #公式.pdf
10.00金币
0下载
蜗牛文库+ 关注
实名认证
内容提供者

提供各种专业文档内容

确认删除?
QQ
  • QQ点击这里给我发消息
微信客服
  • 微信客服
回到顶部