电脑桌面
添加蜗牛文库到电脑桌面
安装后可以在桌面快捷访问

NYT 421-2000 绿色食品 小麦粉.pdfVIP免费

NYT 421-2000 绿色食品 小麦粉.pdf_第1页
NYT 421-2000 绿色食品 小麦粉.pdf_第2页
NYT 421-2000 绿色食品 小麦粉.pdf_第3页
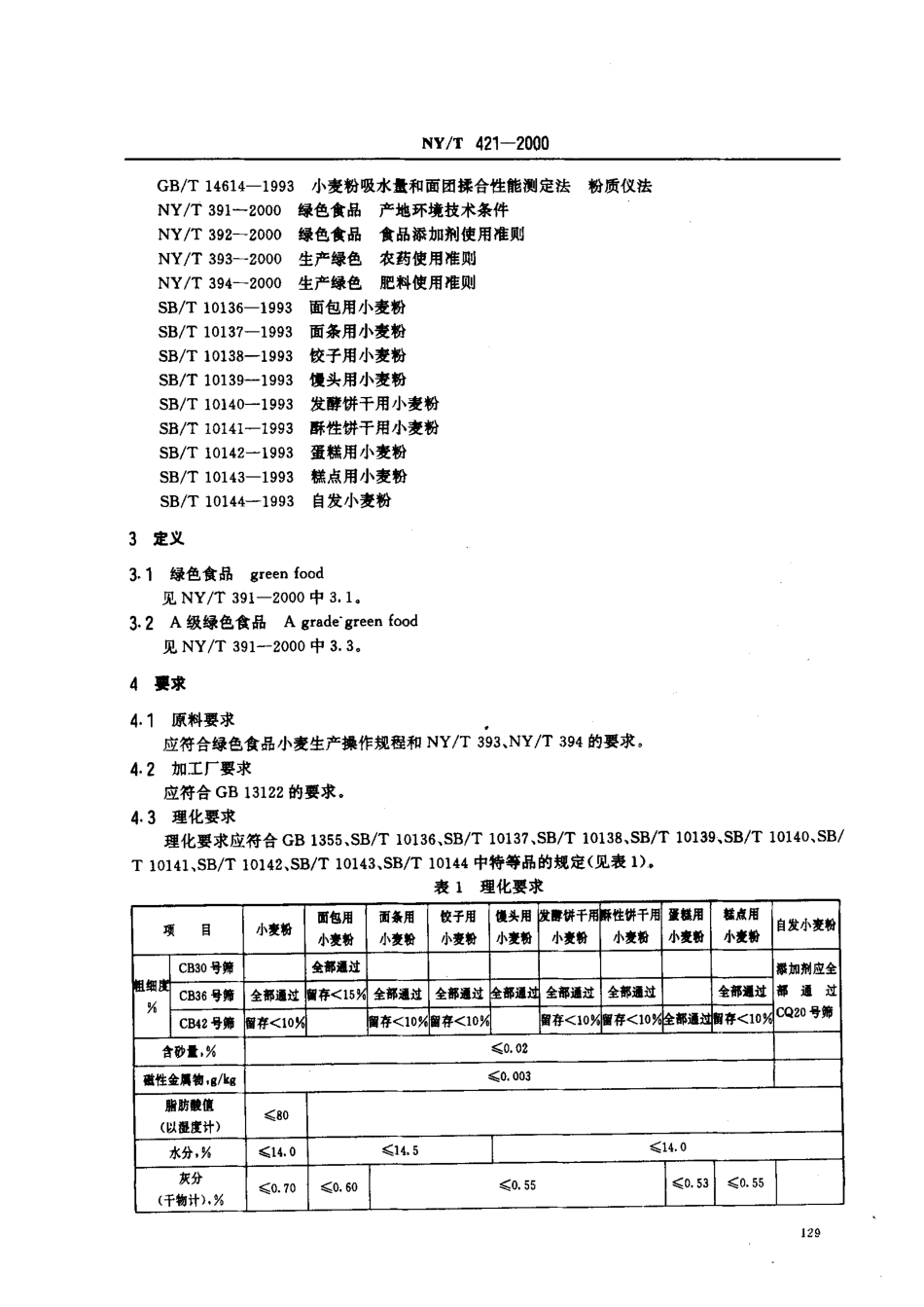
NY/T421-2000前言为判定绿色食品小麦粉的质t和安全性,特制定本标准。本标准由中国绿色食品发展中心提出并归口。本标准起草单位:绿色食品中国科学院沈阳食品监测中心。本标准主要起草人:王颜红、姚家彪、曹杰、杨玉兰。中华人民共和国农业行业标准绿色食品小麦粉NY/T421-2000Greenfood-Wheatflour,范围本标准规定了绿色食品小麦粉的定义、要求、试验方法、检验规则、标志、标签、包装、运输及贮存。本标准适用于A级绿色食品小麦粉的生产和流通。本标准所指的小麦粉包括各类以小麦为原料加工的专用小麦粉。2引用标准下列标准所包含的条文,通过在本标准中引用而构成为本标准的条文。本标准出版时,所示版本均为有效.所有标准都会被修订.使用本标准的各方应探讨使用下列标准最新版本的可能性。GB191-2000包装储运图示标志GB1355-1986小麦粉GB/T5009.11-1996食品中总砷的测定方法GB/T5009.12-1996食品中铅的测定方法GB/T5009.15-1996食品中福的测定方法GB/T5009.17-1996食品中总汞的测定方法GB/T5009.18-1996食品中氛的测定方法GB/T5009.19-1996食品中六六六、滴滴涕残留f的测定方法GB/T5009.20-1996食品中有机磷农药残留I的测定方法GB/T5009.22-1996食品中黄曲祥毒紊B:的测定方法GB/T5009.36-1996粮食卫生标准的分析方法GB5491-1985粮食、油料检验扦样、分样法GB/T5497-1985粮食、油料检验水分测定法GB/T5505-1985粮食、油料检验灰分测定法GB/T5506-1985粮食、油料检验面筋测定法GB/T5507-1985粮食、油料检验粉类粗细度测定法GB/T5508-1985粮食、油料检验粉类含砂f测定法GB/T5509-1985粮食、油料检验粉类磁性金属物浏定法GB/T5510-1985粮食、油料检脸脂肪酸值测定法GB/T5517-1985粮食、油料检验粮食酸度测定法GB/T5918-1997配合饲料混合均匀度的测定GB7718-1994食品标签通用标准GB/T10361-1989谷物降落数值测定法GB13122-1991面粉r卫生规范中华人民共和国农业部2000-12一22批准2001一04一01实施NY/T421-2000GB/T14614-1993小麦粉吸水盆和面团揉合性能测定法粉质仪法NY/T391-2000绿色食品产地环境技术条件NY/T392-2000绿色食品食品添加剂使用准则NY/T393-2000生产绿色农药使用准则NY/T394-2000生产绿色肥料使用准则SB/T10136-1993面包用小麦粉SB/T10137-1993面条用小麦粉SB/T10138-1993饺子用小麦粉SB/T10139-1993馒头用小麦粉SB/T10140-1993发醉饼干用小麦粉SB/T10141-1993酥性饼千用小麦粉SB/T10142-1993蛋糕用小麦粉SB/T10143-1993糕点用小麦粉SB/...

1、当您付费下载文档后,您只拥有了使用权限,并不意味着购买了版权,文档只能用于自身使用,不得用于其他商业用途(如 [转卖]进行直接盈利或[编辑后售卖]进行间接盈利)。
2、本站所有内容均由合作方或网友上传,本站不对文档的完整性、权威性及其观点立场正确性做任何保证或承诺!文档内容仅供研究参考,付费前请自行鉴别。
3、如文档内容存在违规,或者侵犯商业秘密、侵犯著作权等,请点击“违规举报”。

碎片内容

蜗牛文库的最新文档

二年级数学下册其中检测卷二年级数学下册其中检测卷附答案#期中测试卷.pdf
10.00金币
0下载
二年级数学下册期末质检卷(苏教版)二年级数学下册期末质检卷(苏教版)#期末复习 #期末测试卷 #二年级数学 #二年级数学下册#关注我持续更新小学知识.pdf
10.00金币
0下载
二年级数学下册期末混合运算专项练习二年级数学下册期末混合运算专项练习#二年级#二年级数学下册#关注我持续更新小学知识 #知识分享 #家长收藏孩子受益.pdf
10.00金币
1下载
二年级数学下册年月日三类周期问题解题方法二年级数学下册年月日三类周期问题解题方法#二年级#二年级数学下册#知识分享 #关注我持续更新小学知识 #家长收藏孩子受益.pdf
10.00金币
0下载
二年级数学下册解决问题专项训练二年级数学下册解决问题专项训练#专项训练#解决问题#二年级#二年级数学下册#知识分享.pdf
10.00金币
1下载
二年级数学下册还原问题二年级数学下册还原问题#二年级#二年级数学#关注我持续更新小学知识 #知识分享 #家长收藏孩子受益.pdf
10.00金币
1下载
二年级数学下册第六单元考试卷家长打印出来给孩子测试测试争取拿到高分!#小学二年级试卷分享 #二年级第六单考试数学 #第六单考试#二年级数学下册.pdf
10.00金币
0下载
二年级数学下册必背顺口溜口诀汇总二年级数学下册必背顺口溜口诀汇总#二年级#二年级数学下册 #知识分享 #家长收藏孩子受益 #关注我持续更新小学知识.pdf
10.00金币
0下载
二年级数学下册《重点难点思维题》两大问题解决技巧和方法巧算星期几解决周期问题还原问题强化思维训练老师精心整理家长可以打印出来给孩子练习#家长收藏孩子受益 #学霸秘籍 #思维训练 #二年级 #知识点总结.pdf
10.00金币
0下载
二年级数学下册 必背公式大全寒假提前背一背开学更轻松#二年级 #二年级数学 #二年级数学下册 #寒假充电计划 #公式.pdf
10.00金币
0下载
蜗牛文库+ 关注
实名认证
内容提供者

提供各种专业文档内容

确认删除?
QQ
  • QQ点击这里给我发消息
微信客服
  • 微信客服
回到顶部