电脑桌面
添加蜗牛文库到电脑桌面
安装后可以在桌面快捷访问

NYT 417-2000 饲料用低硫苷菜籽饼(粕).pdfVIP免费

NYT 417-2000 饲料用低硫苷菜籽饼(粕).pdf_第1页
NYT 417-2000 饲料用低硫苷菜籽饼(粕).pdf_第2页
NYT 417-2000 饲料用低硫苷菜籽饼(粕).pdf_第3页
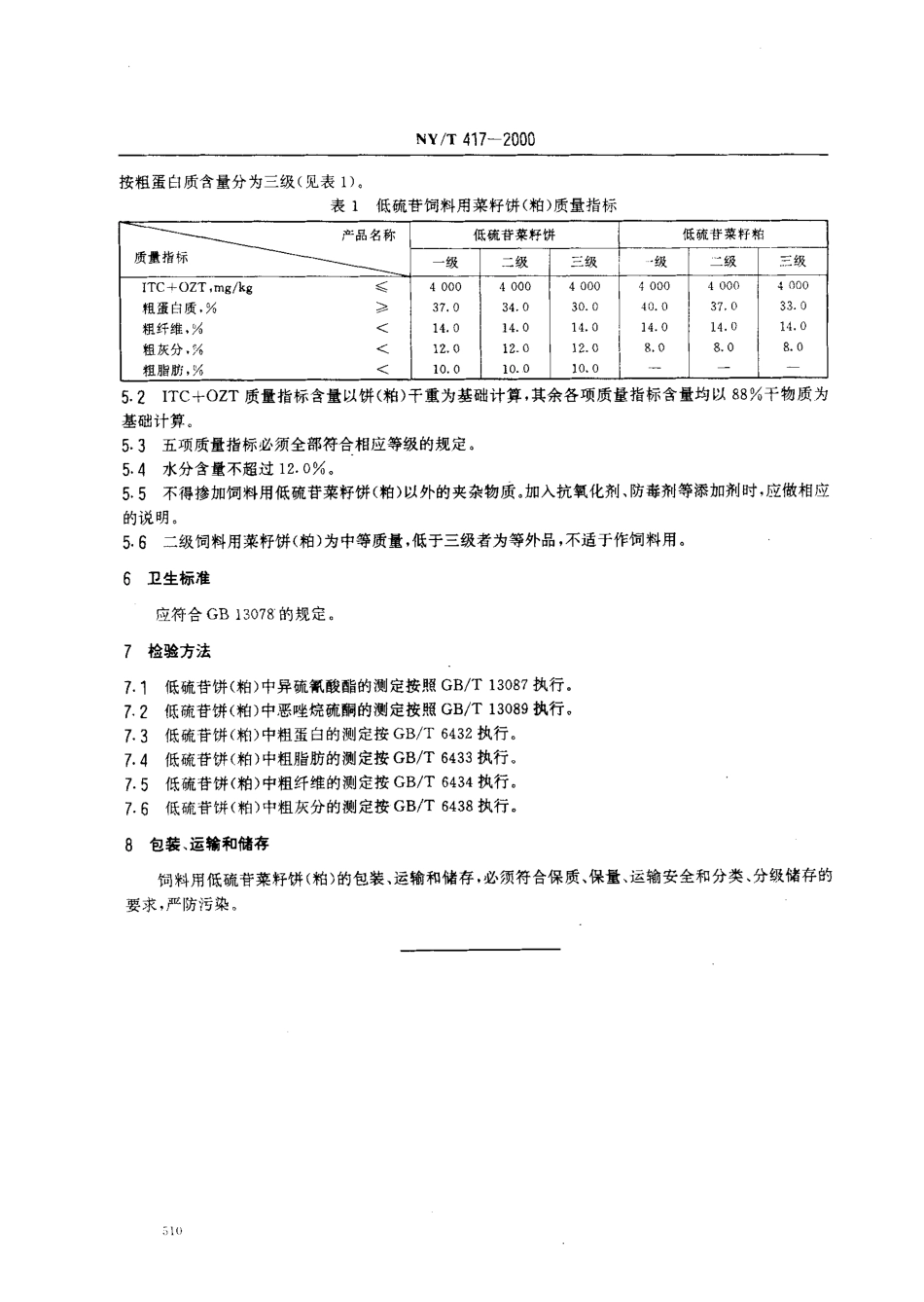
NY/T417--2000前言“双低”油菜籽加工后的饼(粕)中抗营养物质低于普通菜籽饼(粕),蛋白质含量高,氨基酸组成合理,是很好的饲料源·随着我国“双低”油莱品种的不断推广种植,以其饼粕作为饲料源的饲料加工业也将日益繁荣,因此,特制定饲料用低硫昔菜籽饼(粕)的质量标准,以规范低硫昔菜籽饼(粕)的饲用、市场流通及出口等。本标准的制定以行业标准NY/T125-1989《饲料用菜籽饼》(原GB10374-1989),NY/T126-1989《饲料用菜籽粕》(原GB10375-1989)所规定的质量指标和国家标准GB13078-1991((饲料卫生标准》所规定的卫生指标为基础,修改了异硫氰酸酷和恶哇烷硫酮含量指标。本标准由农业部种植业管理司提出。本标准由农业部种植业管理司技术归口。本标准起草单位:农业部油料及制品质量监督检验测试中心。本标准主要起草人:李培武、李光明、李云昌、杨泥、张文。中华人民共和国农业行业标准饲料用低硫普菜籽饼(粕)NY/T417--2000Lowglucosinolatesrapeseedmealforfeedstuff1范围本标准规定了饲料用低硫昔菜籽饼(粕)的定义、质量指标、检测方法及分级标准和包装、运输与储存要求、本标准适用于低硫昔油菜籽压榨取油后的饲料用菜籽饼和预榨一浸出取油后的饲料用菜籽粕。本标准不适用于非饲料用菜籽饼(粕),也不适用于经脱毒后的普通菜籽饼(粕)。2引用标准下列标准所包含的条文,通过在本标准中引用而构成为本标准的条文。本标准出版时,所示版本均为有效。所有标准都会被修订,使用本标准的各方应探讨使用下列标准最新版本的可能性。GB/T6432--1994饲料中粗蛋白测定方法GB/T6433-1994饲料中粗脂肪测定方法GB/T6434-1994饲料中粗纤维测定方法GB/T6438-1992饲料中粗灰分的测定方法GB13078-1991饲料卫生标准GB/T13087-1991饲料中异硫氰酸醋的测定方法CB/T13089-1991饲料中恶哇烷硫酮的测定方法3定义本标准采用下列定义。3.1硫若油菜籽中所含硫代葡萄糖昔(简称硫昔),以每克饼粕(水分含量8.5Yo)中所含硫昔总量微摩尔数表示。3.2异硫氛酸酷、恶哇烷硫酮硫昔降解产物,分别简称ITC,OZT,具有一定毒性。以每千克干基饼粕中所含的毫克数表示。13低硫昔油菜籽油菜籽中硫昔含量-<45.00p.m01/9饼4感官性状褐色或浅褐色,小瓦片状、片状或饼状、粗粉状,具有低硫昔菜籽饼(粕)油香味,无溶剂味,引爆试验合格,不焦不糊,无发酵、霉变、结块。5质t指标及分级标准5.工公},Vr途R醚TC)卫查些选t醒(OZT),t丝迫MIt9f维14鲤受}R担韭立里垦r10>%.中华人民共和国农业部2000一12一2...

1、当您付费下载文档后,您只拥有了使用权限,并不意味着购买了版权,文档只能用于自身使用,不得用于其他商业用途(如 [转卖]进行直接盈利或[编辑后售卖]进行间接盈利)。
2、本站所有内容均由合作方或网友上传,本站不对文档的完整性、权威性及其观点立场正确性做任何保证或承诺!文档内容仅供研究参考,付费前请自行鉴别。
3、如文档内容存在违规,或者侵犯商业秘密、侵犯著作权等,请点击“违规举报”。

碎片内容

蜗牛文库的最新文档

二年级数学下册其中检测卷二年级数学下册其中检测卷附答案#期中测试卷.pdf
10.00金币
0下载
二年级数学下册期末质检卷(苏教版)二年级数学下册期末质检卷(苏教版)#期末复习 #期末测试卷 #二年级数学 #二年级数学下册#关注我持续更新小学知识.pdf
10.00金币
0下载
二年级数学下册期末混合运算专项练习二年级数学下册期末混合运算专项练习#二年级#二年级数学下册#关注我持续更新小学知识 #知识分享 #家长收藏孩子受益.pdf
10.00金币
1下载
二年级数学下册年月日三类周期问题解题方法二年级数学下册年月日三类周期问题解题方法#二年级#二年级数学下册#知识分享 #关注我持续更新小学知识 #家长收藏孩子受益.pdf
10.00金币
0下载
二年级数学下册解决问题专项训练二年级数学下册解决问题专项训练#专项训练#解决问题#二年级#二年级数学下册#知识分享.pdf
10.00金币
1下载
二年级数学下册还原问题二年级数学下册还原问题#二年级#二年级数学#关注我持续更新小学知识 #知识分享 #家长收藏孩子受益.pdf
10.00金币
1下载
二年级数学下册第六单元考试卷家长打印出来给孩子测试测试争取拿到高分!#小学二年级试卷分享 #二年级第六单考试数学 #第六单考试#二年级数学下册.pdf
10.00金币
0下载
二年级数学下册必背顺口溜口诀汇总二年级数学下册必背顺口溜口诀汇总#二年级#二年级数学下册 #知识分享 #家长收藏孩子受益 #关注我持续更新小学知识.pdf
10.00金币
0下载
二年级数学下册《重点难点思维题》两大问题解决技巧和方法巧算星期几解决周期问题还原问题强化思维训练老师精心整理家长可以打印出来给孩子练习#家长收藏孩子受益 #学霸秘籍 #思维训练 #二年级 #知识点总结.pdf
10.00金币
0下载
二年级数学下册 必背公式大全寒假提前背一背开学更轻松#二年级 #二年级数学 #二年级数学下册 #寒假充电计划 #公式.pdf
10.00金币
0下载
蜗牛文库+ 关注
实名认证
内容提供者

提供各种专业文档内容

确认删除?
QQ
  • QQ点击这里给我发消息
微信客服
  • 微信客服
回到顶部