电脑桌面
添加蜗牛文库到电脑桌面
安装后可以在桌面快捷访问

NYT 273-1995 绿色食品 啤酒.pdfVIP免费

NYT 273-1995 绿色食品 啤酒.pdf_第1页
NYT 273-1995 绿色食品 啤酒.pdf_第2页
NYT 273-1995 绿色食品 啤酒.pdf_第3页
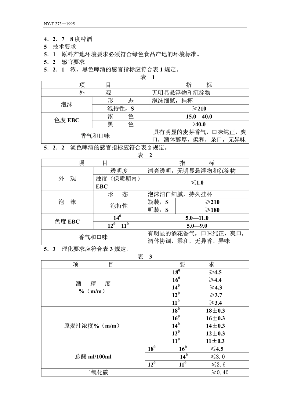
NY/T273—1995绿色食品啤酒NY/T273–19951主题内容与适用范围本标准规定了绿色食品啤酒的术语、分类、技术要求、试验方法、检验规则及标志、包装、运输、贮存。本标准适用于获得绿色食品标志的各类熟、鲜啤酒。2引用标准GB191包装储运图示标志GB4928啤酒试验方法GB4789食品卫生微生物学检验GB10344饮料酒标签标准GB5009食品卫生检验方法理化部分GB4544啤酒瓶GB5739啤酒塑料周转箱GB6543瓦楞纸箱3术语3.1绿色食品系指经专门机构认定,许可使用绿色食品标志的无污染的安全、优质、营养食品。3.2绿色食品啤酒指获得绿色食品标志的啤酒。3.3淡色啤酒色度为5.4—14.0EBC单位的啤酒。3.4浓色啤酒色度为15.0—40.0EBC单位的啤酒。3.5黑色啤酒色度为大于40.0EBC单位的啤酒。3.6熟啤酒经巴氏灭菌的啤酒。3.7鲜啤酒未经巴氏灭菌的啤酒。4分类4.1根据啤酒色度分类4.1.1淡色啤酒4.1.2浓色啤酒4.1.3黑色啤酒4.2规格4.2.118度啤酒4.2.216度啤酒4.2.314度啤酒4.2.412度啤酒4.2.511度啤酒4.2.610度啤酒NY/T273—19954.2.78度啤酒5技术要求5.1原料产地环境要求必须符合绿色食品产地的环境标准。5.2感官要求5.2.1浓、黑色啤酒的感官指标应符合表1规定。表1项目指标外观无明显悬浮物和沉淀物形态泡沫细腻,挂杯泡沫泡持性,S≥210浓色15.0—40.0色度EBC黑色>40.0香气和口味具有明显的麦芽香气,口味纯正,爽口,酒体醇厚,柔和,杀口,无异味5.2.2淡色啤酒的感官指标应符合表2规定。表2项目指标透明度清亮透明,无明显悬浮物和沉淀物外观浊度(保质期内)EBC≤1.0形态泡沫洁白细腻,持久挂杯瓶装,S≥210泡沫泡持性听装,S≥1801405.0—11.0色度EBC1201105.0—9.0香气和口味有明显的酒花香气,口味纯正,爽口,酒体协调,柔和,无异香、异味5.3理化要求应符合表3规定。表3项目要求酒精度%(m/m)180≥4.5160≥4.4140≥4.3120≥3.7110≥3.4原麦汁浓度%(m/m)18018±0.316016±0.314014±0.312012±0.311011±0.3180160≤4.5140≤3.0总酸ml/100ml120110≤2.6二氧化碳≥0.40NY/T273—1995淡色≤0.13双乙酰mg/l浓色、黑色≤0.14铅(以Pb计)mg/kg≤0.1砷(以As计)mg/kg≤0.1黄曲霉毒素B1ug/kg≤55.4微生物学要求应符合表4规定。表4分类项目鲜啤酒熟啤酒细菌总数个/ml≤50大肠菌群个/100ml≤50≤35.5保质期瓶装、听装熟啤酒保质期不少于120天,瓶装鲜啤酒保质期不少于7天,罐装、桶装鲜啤酒保质期不少于3天。6试验方法理化要求的检...

1、当您付费下载文档后,您只拥有了使用权限,并不意味着购买了版权,文档只能用于自身使用,不得用于其他商业用途(如 [转卖]进行直接盈利或[编辑后售卖]进行间接盈利)。
2、本站所有内容均由合作方或网友上传,本站不对文档的完整性、权威性及其观点立场正确性做任何保证或承诺!文档内容仅供研究参考,付费前请自行鉴别。
3、如文档内容存在违规,或者侵犯商业秘密、侵犯著作权等,请点击“违规举报”。

碎片内容

蜗牛文库的最新文档

二年级数学下册其中检测卷二年级数学下册其中检测卷附答案#期中测试卷.pdf
10.00金币
0下载
二年级数学下册期末质检卷(苏教版)二年级数学下册期末质检卷(苏教版)#期末复习 #期末测试卷 #二年级数学 #二年级数学下册#关注我持续更新小学知识.pdf
10.00金币
0下载
二年级数学下册期末混合运算专项练习二年级数学下册期末混合运算专项练习#二年级#二年级数学下册#关注我持续更新小学知识 #知识分享 #家长收藏孩子受益.pdf
10.00金币
1下载
二年级数学下册年月日三类周期问题解题方法二年级数学下册年月日三类周期问题解题方法#二年级#二年级数学下册#知识分享 #关注我持续更新小学知识 #家长收藏孩子受益.pdf
10.00金币
0下载
二年级数学下册解决问题专项训练二年级数学下册解决问题专项训练#专项训练#解决问题#二年级#二年级数学下册#知识分享.pdf
10.00金币
1下载
二年级数学下册还原问题二年级数学下册还原问题#二年级#二年级数学#关注我持续更新小学知识 #知识分享 #家长收藏孩子受益.pdf
10.00金币
1下载
二年级数学下册第六单元考试卷家长打印出来给孩子测试测试争取拿到高分!#小学二年级试卷分享 #二年级第六单考试数学 #第六单考试#二年级数学下册.pdf
10.00金币
0下载
二年级数学下册必背顺口溜口诀汇总二年级数学下册必背顺口溜口诀汇总#二年级#二年级数学下册 #知识分享 #家长收藏孩子受益 #关注我持续更新小学知识.pdf
10.00金币
0下载
二年级数学下册《重点难点思维题》两大问题解决技巧和方法巧算星期几解决周期问题还原问题强化思维训练老师精心整理家长可以打印出来给孩子练习#家长收藏孩子受益 #学霸秘籍 #思维训练 #二年级 #知识点总结.pdf
10.00金币
0下载
二年级数学下册 必背公式大全寒假提前背一背开学更轻松#二年级 #二年级数学 #二年级数学下册 #寒假充电计划 #公式.pdf
10.00金币
0下载
蜗牛文库+ 关注
实名认证
内容提供者

提供各种专业文档内容

确认删除?
QQ
  • QQ点击这里给我发消息
微信客服
  • 微信客服
回到顶部