电脑桌面
添加蜗牛文库到电脑桌面
安装后可以在桌面快捷访问

HGT 2036-2005 搪玻璃容器参数.pdfVIP免费

HGT 2036-2005 搪玻璃容器参数.pdf_第1页
HGT 2036-2005 搪玻璃容器参数.pdf_第2页
HGT 2036-2005 搪玻璃容器参数.pdf_第3页
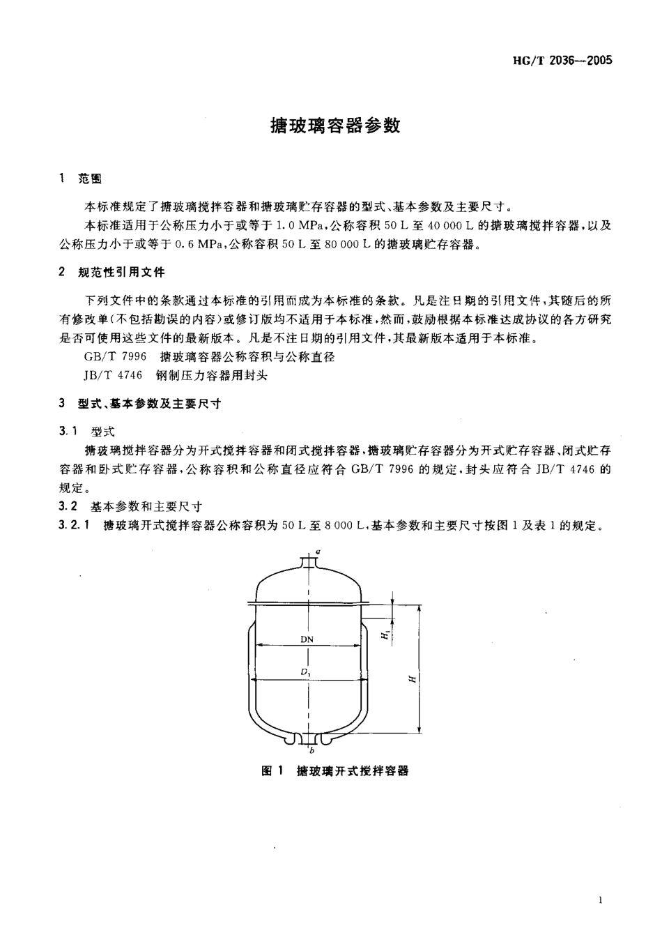
ICS71.120;25.220.50G94备案号:17264-2006HG中华人民共和国化工行业标准HG/T2036-2005代替HG/T2036一1991搪玻璃容器参数Glasslinedvesselparameter2006一01一17发布2006一07一01实施中华少味民共和国国家发展和改革委员会Al}HG/T2036-2005月9吕本标准代替HG/T2036-1991((搪玻璃容器参数》。本标准参照了DIN28018《搪玻璃压力容器0.063m3-10m3)),DIN28019《搪玻璃压力容器12.5m3-125m3》以及DIN28136第一部分《搅拌容器主要尺寸》的部分内容,并结合了我国搪玻璃行业的国情。本标准与HG/T2036-1991相tL主要变化如下:—搪玻璃开式搅拌容器的公称容积由50L至5000L扩大到50L至80001,增加了6300L和8000L两个公称容积、—搪玻璃闭式搅拌容器的公称容积由2500L至20000L扩大到2500L至40000L,增加了25OOOL,30000L,40000L三个公称容积;—搪玻璃开式贮存容器的公称容积由50L至5000L扩大到50I至8000L,增加了2500L,6300L,8。。。L三个公称容积;—搪玻璃闭式贮存容器的公称容积由3000L至3000。工,扩大到1000L至80000L,增加了1000L,12501,1500L,2000L,2500L,40000L,50000L,63000L,80000L九个公称容积;—搪玻璃卧式贮存容器的公称容积由30001_至30000L扩大到1500L至80000I,增加了1500L,2000L,2500L,40000L,50000L,63000L,80000L七个公称容积;—对H值重新进行了定义,并对表格进行了重新编排。本标准由中国石油和化学工业协会提出。本标准由全国搪玻璃设备标准化技术委员会归口。本标准起草单位:中国石化集团上海工程有限公司。本标准主要起草人:周惠萍、汪扬、钱小燕。本标准所代替标准的历次版本发布情况为:—HG/T2036-19910HG/T2036-2005搪玻璃容器参数范围本标准规定了搪玻璃搅拌容器和搪玻璃贮存容器的型式、基本参数及主要尺寸。本标准适用于公称压力小于或等于1.0MPa,公称容积50L至40000L的搪玻璃搅拌容器,以及公称压力小于或等于。.6MPa,公称容积50L至80000L的搪玻璃贮存容器2规范性引用文件下列文件中的条款通过本标准的引用而成为本标准的条款。凡是注日期的引用文件其随后的所有修改单(不包括勘误的内容)或修订版均不适用于本标准。然而,鼓励根据本标准达成协议的各方研究是否可使用这些文件的最新版本。凡是不注日期的引用文件,其最新版本适用于本标准。GB/T7996搪玻璃容器公称容积与公称直径JB/T4746钢制压力容器用封头3型式、基本参数及主要尺寸3,1型式搪玻璃搅拌容器分为开式搅拌容器和闭式搅拌容器,搪玻璃贮存容器分为开式贮存容器、闭...

1、当您付费下载文档后,您只拥有了使用权限,并不意味着购买了版权,文档只能用于自身使用,不得用于其他商业用途(如 [转卖]进行直接盈利或[编辑后售卖]进行间接盈利)。
2、本站所有内容均由合作方或网友上传,本站不对文档的完整性、权威性及其观点立场正确性做任何保证或承诺!文档内容仅供研究参考,付费前请自行鉴别。
3、如文档内容存在违规,或者侵犯商业秘密、侵犯著作权等,请点击“违规举报”。

碎片内容

蜗牛文库的最新文档

二年级数学下册其中检测卷二年级数学下册其中检测卷附答案#期中测试卷.pdf
10.00金币
0下载
二年级数学下册期末质检卷(苏教版)二年级数学下册期末质检卷(苏教版)#期末复习 #期末测试卷 #二年级数学 #二年级数学下册#关注我持续更新小学知识.pdf
10.00金币
0下载
二年级数学下册期末混合运算专项练习二年级数学下册期末混合运算专项练习#二年级#二年级数学下册#关注我持续更新小学知识 #知识分享 #家长收藏孩子受益.pdf
10.00金币
1下载
二年级数学下册年月日三类周期问题解题方法二年级数学下册年月日三类周期问题解题方法#二年级#二年级数学下册#知识分享 #关注我持续更新小学知识 #家长收藏孩子受益.pdf
10.00金币
0下载
二年级数学下册解决问题专项训练二年级数学下册解决问题专项训练#专项训练#解决问题#二年级#二年级数学下册#知识分享.pdf
10.00金币
1下载
二年级数学下册还原问题二年级数学下册还原问题#二年级#二年级数学#关注我持续更新小学知识 #知识分享 #家长收藏孩子受益.pdf
10.00金币
1下载
二年级数学下册第六单元考试卷家长打印出来给孩子测试测试争取拿到高分!#小学二年级试卷分享 #二年级第六单考试数学 #第六单考试#二年级数学下册.pdf
10.00金币
0下载
二年级数学下册必背顺口溜口诀汇总二年级数学下册必背顺口溜口诀汇总#二年级#二年级数学下册 #知识分享 #家长收藏孩子受益 #关注我持续更新小学知识.pdf
10.00金币
0下载
二年级数学下册《重点难点思维题》两大问题解决技巧和方法巧算星期几解决周期问题还原问题强化思维训练老师精心整理家长可以打印出来给孩子练习#家长收藏孩子受益 #学霸秘籍 #思维训练 #二年级 #知识点总结.pdf
10.00金币
0下载
二年级数学下册 必背公式大全寒假提前背一背开学更轻松#二年级 #二年级数学 #二年级数学下册 #寒假充电计划 #公式.pdf
10.00金币
0下载
蜗牛文库+ 关注
实名认证
内容提供者

提供各种专业文档内容

确认删除?
QQ
  • QQ点击这里给我发消息
微信客服
  • 微信客服
回到顶部