电脑桌面
添加蜗牛文库到电脑桌面
安装后可以在桌面快捷访问

NY 5227-2004 无公害食品 大蒜.pdfVIP免费

NY 5227-2004 无公害食品 大蒜.pdf_第1页
NY 5227-2004 无公害食品 大蒜.pdf_第2页
NY 5227-2004 无公害食品 大蒜.pdf_第3页
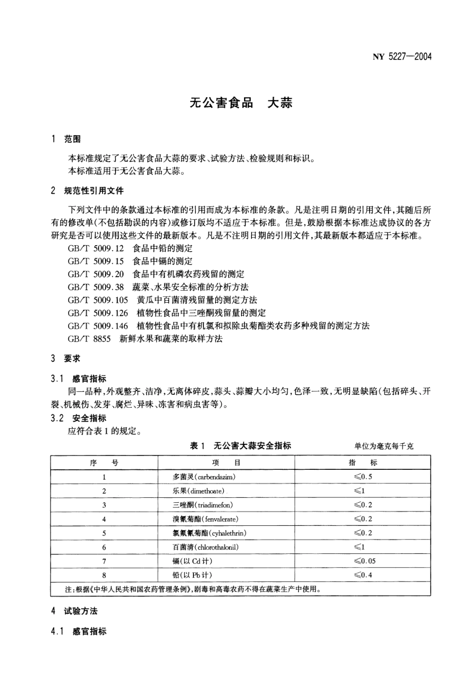
ICSB3167.080.20NY中华人民共和国农业行业标准NY5227-2004无公害食品大蒜2004-01-07发布2004一03一01实施中华人民共和国农业部发布NY5227-2004月U青本标准由中华人民共和国农业部提出。本标准起草单位:青岛市农产品质量监督检测中心。本标准主要起草人:万述伟、王孝钢、丁宗博、于彦彬。NY5227-2004无公害食品大蒜范围本标准规定了无公害食品大蒜的要求、试验方法、检验规则和标识。本标准适用于无公害食品大蒜。2规范性引用文件下列文件中的条款通过本标准的引用而成为本标准的条款。凡是注明日期的引用文件,其随后所有的修改单(不包括勘误的内容)或修订版均不适应于本标准。但是,鼓励根据本标准达成协议的各方研究是否可以使用这些文件的最新版本。凡是不注明日期的引用文件,其最新版本都适应于本标准。GB/T5009.12食品中铅的测定GB/T5009.15食品中锅的测定GB/T5009.20食品中有机磷农药残留的测定GB/T5009.38蔬菜、水果安全标准的分析方法GB/T5009.105黄瓜中百菌清残留量的测定方法GB/'F5009.126植物性食品中三哇酮残留量的测定GB/'r5009.146植物性食品中有机氯和拟除虫菊醋类农药多种残留的测定方法GB/'r8855新鲜水果和蔬菜的取样方法3要求3.1感官指标同一品种,外观整齐、洁净,无离体碎皮,蒜头、蒜瓣大小均匀,色泽一致,无明显缺陷(包括碎头、开裂、机械伤、发芽、腐烂、异味、冻害和病虫害等)。3.2安全指标应符合表1的规定。表1无公害大蒜安全指标单位为毫克每千克│序号│项目│指标│1│多菌灵(carbendazim)│簇0.5│2│乐果(dimethoate)│簇1│3│三哇酮(triadimefon)│镇0.2│4│澳氰菊醋(fenvalerate)│(0.2│5│氯氟氰菊醋(cyhalethrin)│毛0.2│6│百菌清(chlorothalonil)│毛1│7│锡(以Cd计)│簇0.05│8│铅(以Pb计)│镇0.4│注:根据《中华人民共和国农药管理条例》,剧毒和高毒农药不得在蔬菜生产中使用。│4试验方法4.1感官指标NY5227-2004品种特征、外形、大小、色泽、开裂、碎皮、腐烂、冻害、病虫害和机械伤等,用目测法检测。腐烂、冻害、病虫害等症状不明显而有怀疑时,应将样品剖开检验。异味以口尝或鼻嗅的方法检测。每批受检样品抽样检验时,对有缺陷的样品做记录,不合格率以。计,数值以%表示。按公式(1)计算:。=共x100⋯。。二。二,.,····.....··.........·..⋯⋯(1)“N‘、、式中:n—有缺陷的个数或质量;N—检验样本的总个数或质量。个卜算结果精确到小数点后一...

1、当您付费下载文档后,您只拥有了使用权限,并不意味着购买了版权,文档只能用于自身使用,不得用于其他商业用途(如 [转卖]进行直接盈利或[编辑后售卖]进行间接盈利)。
2、本站所有内容均由合作方或网友上传,本站不对文档的完整性、权威性及其观点立场正确性做任何保证或承诺!文档内容仅供研究参考,付费前请自行鉴别。
3、如文档内容存在违规,或者侵犯商业秘密、侵犯著作权等,请点击“违规举报”。

碎片内容

蜗牛文库的最新文档

二年级数学下册其中检测卷二年级数学下册其中检测卷附答案#期中测试卷.pdf
10.00金币
0下载
二年级数学下册期末质检卷(苏教版)二年级数学下册期末质检卷(苏教版)#期末复习 #期末测试卷 #二年级数学 #二年级数学下册#关注我持续更新小学知识.pdf
10.00金币
0下载
二年级数学下册期末混合运算专项练习二年级数学下册期末混合运算专项练习#二年级#二年级数学下册#关注我持续更新小学知识 #知识分享 #家长收藏孩子受益.pdf
10.00金币
1下载
二年级数学下册年月日三类周期问题解题方法二年级数学下册年月日三类周期问题解题方法#二年级#二年级数学下册#知识分享 #关注我持续更新小学知识 #家长收藏孩子受益.pdf
10.00金币
0下载
二年级数学下册解决问题专项训练二年级数学下册解决问题专项训练#专项训练#解决问题#二年级#二年级数学下册#知识分享.pdf
10.00金币
1下载
二年级数学下册还原问题二年级数学下册还原问题#二年级#二年级数学#关注我持续更新小学知识 #知识分享 #家长收藏孩子受益.pdf
10.00金币
1下载
二年级数学下册第六单元考试卷家长打印出来给孩子测试测试争取拿到高分!#小学二年级试卷分享 #二年级第六单考试数学 #第六单考试#二年级数学下册.pdf
10.00金币
0下载
二年级数学下册必背顺口溜口诀汇总二年级数学下册必背顺口溜口诀汇总#二年级#二年级数学下册 #知识分享 #家长收藏孩子受益 #关注我持续更新小学知识.pdf
10.00金币
0下载
二年级数学下册《重点难点思维题》两大问题解决技巧和方法巧算星期几解决周期问题还原问题强化思维训练老师精心整理家长可以打印出来给孩子练习#家长收藏孩子受益 #学霸秘籍 #思维训练 #二年级 #知识点总结.pdf
10.00金币
0下载
二年级数学下册 必背公式大全寒假提前背一背开学更轻松#二年级 #二年级数学 #二年级数学下册 #寒假充电计划 #公式.pdf
10.00金币
0下载
蜗牛文库+ 关注
实名认证
内容提供者

提供各种专业文档内容

确认删除?
QQ
  • QQ点击这里给我发消息
微信客服
  • 微信客服
回到顶部