电脑桌面
添加蜗牛文库到电脑桌面
安装后可以在桌面快捷访问

HGT 3465-1999 化学试剂 磷酸氢二铵.pdfVIP免费

HGT 3465-1999 化学试剂 磷酸氢二铵.pdf_第1页
HGT 3465-1999 化学试剂 磷酸氢二铵.pdf_第2页
HGT 3465-1999 化学试剂 磷酸氢二铵.pdf_第3页
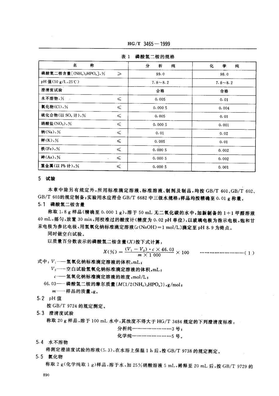
备案号:3876-1999HG/T3465-1999前台本标准是在化工行业标准HG/T3465-1977《化学试剂磷酸氢二钱》的基础上修订而成的。本标准给出了分析纯、化学纯二个级别,分析纯非等效采用日本工业标准JISK9006-1992标准《磷酸氢二按》。本标准与JISK9006的主要差异如下:—本标准比JIS标准多水不溶物一项;硫化合物代替了JIS标准的硫酸盐;pH、硝酸盐、铁、重金属四项严于JIS标准;砷宽于JIS标准。—本标准含量、硝酸盐的试验方法与JIS标准基本相同;钾、钠采用火焰原子吸收光谱法,而JIS标准采用火焰光度法;其他项目采用我国已制定的化学试剂通用试验方法标准。本标准与HG/T3465-1977的差异为:增加钾、钠两项;取消碱金属;提高了含量指标。本标准自实施之日起,同时代替HG/T3465-19770本标准由中华人民共和国原化学工业部技术监督司提出。本标准由全国化学标准化技术委员会化学试剂分会归口。本标准起草单位:上海试剂二厂。本标准主要起草人:孙筱林。本标准于1977年首次发布,于1984年复审修改。中华人民共和国化工行业标准HG/T3465一1999化学试剂磷酸氢二按代替HG/T3465-1977Chemicalreagent-Diammoniumhydrogenphosphate分子式:(NH4)2HPO4相对分子质量:132.06根据1995年国际相对原子质量)1范围本标准规定了化学试剂磷酸氢二按的要求、试验方法、检验规则、包装及标志。2引用标准下列标准所包含的条文,通过在本标准中引用而构成为本标准的条文。本标准出版时,所示版本均为有效。所有标准都会被修订,使用本标准的各方应探讨使用下列标准最新版本的可能性。GB/T601-1988GB/T602-1988GB/T603-1988GB/T610.2-1988GB/T619-1988GB/T6682-1992GB/T9723-1988GB/T9724-1988GB/T9728-1988GB/T9729-1988GB/T9735-1988GB/T9738-1988GB/T9739-1988GB15346-1994HG/T3484-1999化学试剂滴定分析(容量分析)用标准溶液的制备化学试剂杂质测定用标准溶液的制备化学试剂试验方法中所用制剂及制品的制备化学试剂砷测定通用方法(二乙基二硫代氨基甲酸银法)(eqvISO6353-1:1982)化学试剂采样及验收规则分析实验室用水规格和试验方法(neqISO3696:1987)化学试剂化学试剂化学试剂化学试剂化学试剂化学试剂化学试剂化学试剂化学试剂火焰原子吸收光谱法通则pH值测定通则(eqvISO6353-1:1982)硫酸盐测定通用方法(eqvISO6353-1:1982)抓化物测定通用方法(eqvISO6353-1:1982)重金属测定通用方法(eqvISO6353-1:1982)水不溶物测定通用方法(eqvISO6353-1:1982)铁测定通用方法(eqvISO6353-1:1982)包装及...

1、当您付费下载文档后,您只拥有了使用权限,并不意味着购买了版权,文档只能用于自身使用,不得用于其他商业用途(如 [转卖]进行直接盈利或[编辑后售卖]进行间接盈利)。
2、本站所有内容均由合作方或网友上传,本站不对文档的完整性、权威性及其观点立场正确性做任何保证或承诺!文档内容仅供研究参考,付费前请自行鉴别。
3、如文档内容存在违规,或者侵犯商业秘密、侵犯著作权等,请点击“违规举报”。

碎片内容

蜗牛文库的最新文档

二年级数学下册其中检测卷二年级数学下册其中检测卷附答案#期中测试卷.pdf
10.00金币
0下载
二年级数学下册期末质检卷(苏教版)二年级数学下册期末质检卷(苏教版)#期末复习 #期末测试卷 #二年级数学 #二年级数学下册#关注我持续更新小学知识.pdf
10.00金币
0下载
二年级数学下册期末混合运算专项练习二年级数学下册期末混合运算专项练习#二年级#二年级数学下册#关注我持续更新小学知识 #知识分享 #家长收藏孩子受益.pdf
10.00金币
1下载
二年级数学下册年月日三类周期问题解题方法二年级数学下册年月日三类周期问题解题方法#二年级#二年级数学下册#知识分享 #关注我持续更新小学知识 #家长收藏孩子受益.pdf
10.00金币
0下载
二年级数学下册解决问题专项训练二年级数学下册解决问题专项训练#专项训练#解决问题#二年级#二年级数学下册#知识分享.pdf
10.00金币
1下载
二年级数学下册还原问题二年级数学下册还原问题#二年级#二年级数学#关注我持续更新小学知识 #知识分享 #家长收藏孩子受益.pdf
10.00金币
1下载
二年级数学下册第六单元考试卷家长打印出来给孩子测试测试争取拿到高分!#小学二年级试卷分享 #二年级第六单考试数学 #第六单考试#二年级数学下册.pdf
10.00金币
0下载
二年级数学下册必背顺口溜口诀汇总二年级数学下册必背顺口溜口诀汇总#二年级#二年级数学下册 #知识分享 #家长收藏孩子受益 #关注我持续更新小学知识.pdf
10.00金币
0下载
二年级数学下册《重点难点思维题》两大问题解决技巧和方法巧算星期几解决周期问题还原问题强化思维训练老师精心整理家长可以打印出来给孩子练习#家长收藏孩子受益 #学霸秘籍 #思维训练 #二年级 #知识点总结.pdf
10.00金币
0下载
二年级数学下册 必背公式大全寒假提前背一背开学更轻松#二年级 #二年级数学 #二年级数学下册 #寒假充电计划 #公式.pdf
10.00金币
0下载
蜗牛文库+ 关注
实名认证
内容提供者

提供各种专业文档内容

确认删除?
QQ
  • QQ点击这里给我发消息
微信客服
  • 微信客服
回到顶部