电脑桌面
添加蜗牛文库到电脑桌面
安装后可以在桌面快捷访问

HGT 3462-1999 化学试剂 蔗糖.pdfVIP免费

HGT 3462-1999 化学试剂 蔗糖.pdf_第1页
HGT 3462-1999 化学试剂 蔗糖.pdf_第2页
HGT 3462-1999 化学试剂 蔗糖.pdf_第3页
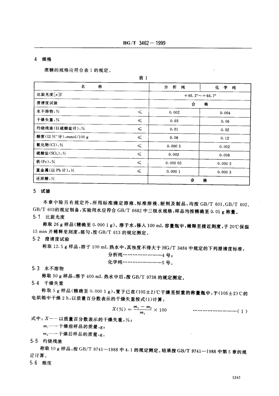
备案号:2842-1999HG/T3462--1999前言本标准是在化工行业标准HG/T3462-1976《化学试剂蔗糖》的基础上修订的。本标准给出分析纯、化学纯二个级别,其中分析纯非等效采用美国化学学会ACS(1987)标准“蔗糖”。本标准与ACS标准的主要技术差异如下:—根据我国国情,本标准增列了性状、检验规则和包装及标志三章。—本标准分析纯比ACS标准增加澄清度试验一项。—分析纯的水不溶物、铁、重金属、抓化物、硫酸盐五项指标严于ACS标准。比旋光度一项考虑到标准的一致性,测定温度相对ACS标准作了适当的调整,指标作了相应的变动,变动后的指标与ACS标准水平相当。其他各项与ACS标准相同。—重金属、干燥失重、抓化物的测定方法与ACS标准基本相同,但存在测定条件上的差异,实验表明,结果无显著差异。还原糖的测定方法与ACS标准不同,本标准采用HG/T3462-1976的测定方法。其他各项均采用我国化学试剂通用试验方法标准中的相应标准,这套标准基本上是采用ISO6353-1:1982《化学分析试剂第1部分:通用试验方法》制定的。本标准与HG/T3462-1976的技术差异为:取消了钙、钡及银二项,增加了干燥失重,并在规格及试验方法上做了相应的变动。本标准自实施之日起,同时代替HG/T3462-1976,本标准由中华人民共和国原化学工业部技术监督司提出本标准由全国化学标准化技术委员会化学试剂分会归口。本标准由北京北化精细化学品有限责任公司负责起草。本标准主要起草人:关瑞宝、强京林。本标准于1976年首次发布为化学工业部部颁标准,1998年转化为推荐性化工行业标准,并重新进行编号。124.4中华人民共和国化工行业标准化学试剂HG/T3462一1999蔗糖代替HG/T3462-1976Chemicalreagent-Sucrose分子式结构式;CaHiiO/\\H-HH\‘/Oes义rH夕H引厂OH月丫|0!es︺r入尸HCHZOHHOH相对分子质量:342.29(按1995年国际相对原子质量)1范围本标准规定了化学试剂蔗糖的技术要求、试验方法、检验规则、包装及标志。2引用标准下列标准所包含的条文,通过在本标准中引用而构成为本标准的条文。本标准出版时,所示版本均为有效。所有标准都会被修订,使用本标准的各方应探讨使用下列标准最新版本的可能性。GB/T601-1988化学试剂滴定分析<容量分析)用标准溶液的制备GB/T602-1988化学试剂杂质测定用标准溶液的制备GB/T603-1988化学试剂试验方法中所用制剂及制品的制备GB/T613-1988化学试剂比旋光度测定通用方法(neqISO6353-1:1982)GB/T619-1988化学试剂采样及验收规则GB/T6682-1992分析实验室用水规格和...

1、当您付费下载文档后,您只拥有了使用权限,并不意味着购买了版权,文档只能用于自身使用,不得用于其他商业用途(如 [转卖]进行直接盈利或[编辑后售卖]进行间接盈利)。
2、本站所有内容均由合作方或网友上传,本站不对文档的完整性、权威性及其观点立场正确性做任何保证或承诺!文档内容仅供研究参考,付费前请自行鉴别。
3、如文档内容存在违规,或者侵犯商业秘密、侵犯著作权等,请点击“违规举报”。

碎片内容

蜗牛文库的最新文档

二年级数学下册其中检测卷二年级数学下册其中检测卷附答案#期中测试卷.pdf
10.00金币
0下载
二年级数学下册期末质检卷(苏教版)二年级数学下册期末质检卷(苏教版)#期末复习 #期末测试卷 #二年级数学 #二年级数学下册#关注我持续更新小学知识.pdf
10.00金币
0下载
二年级数学下册期末混合运算专项练习二年级数学下册期末混合运算专项练习#二年级#二年级数学下册#关注我持续更新小学知识 #知识分享 #家长收藏孩子受益.pdf
10.00金币
1下载
二年级数学下册年月日三类周期问题解题方法二年级数学下册年月日三类周期问题解题方法#二年级#二年级数学下册#知识分享 #关注我持续更新小学知识 #家长收藏孩子受益.pdf
10.00金币
0下载
二年级数学下册解决问题专项训练二年级数学下册解决问题专项训练#专项训练#解决问题#二年级#二年级数学下册#知识分享.pdf
10.00金币
1下载
二年级数学下册还原问题二年级数学下册还原问题#二年级#二年级数学#关注我持续更新小学知识 #知识分享 #家长收藏孩子受益.pdf
10.00金币
1下载
二年级数学下册第六单元考试卷家长打印出来给孩子测试测试争取拿到高分!#小学二年级试卷分享 #二年级第六单考试数学 #第六单考试#二年级数学下册.pdf
10.00金币
0下载
二年级数学下册必背顺口溜口诀汇总二年级数学下册必背顺口溜口诀汇总#二年级#二年级数学下册 #知识分享 #家长收藏孩子受益 #关注我持续更新小学知识.pdf
10.00金币
0下载
二年级数学下册《重点难点思维题》两大问题解决技巧和方法巧算星期几解决周期问题还原问题强化思维训练老师精心整理家长可以打印出来给孩子练习#家长收藏孩子受益 #学霸秘籍 #思维训练 #二年级 #知识点总结.pdf
10.00金币
0下载
二年级数学下册 必背公式大全寒假提前背一背开学更轻松#二年级 #二年级数学 #二年级数学下册 #寒假充电计划 #公式.pdf
10.00金币
0下载
蜗牛文库+ 关注
实名认证
内容提供者

提供各种专业文档内容

确认删除?
QQ
  • QQ点击这里给我发消息
微信客服
  • 微信客服
回到顶部