电脑桌面
添加蜗牛文库到电脑桌面
安装后可以在桌面快捷访问

GB 8372-2001 牙膏.pdfVIP免费

GB 8372-2001 牙膏.pdf_第1页
GB 8372-2001 牙膏.pdf_第2页
GB 8372-2001 牙膏.pdf_第3页
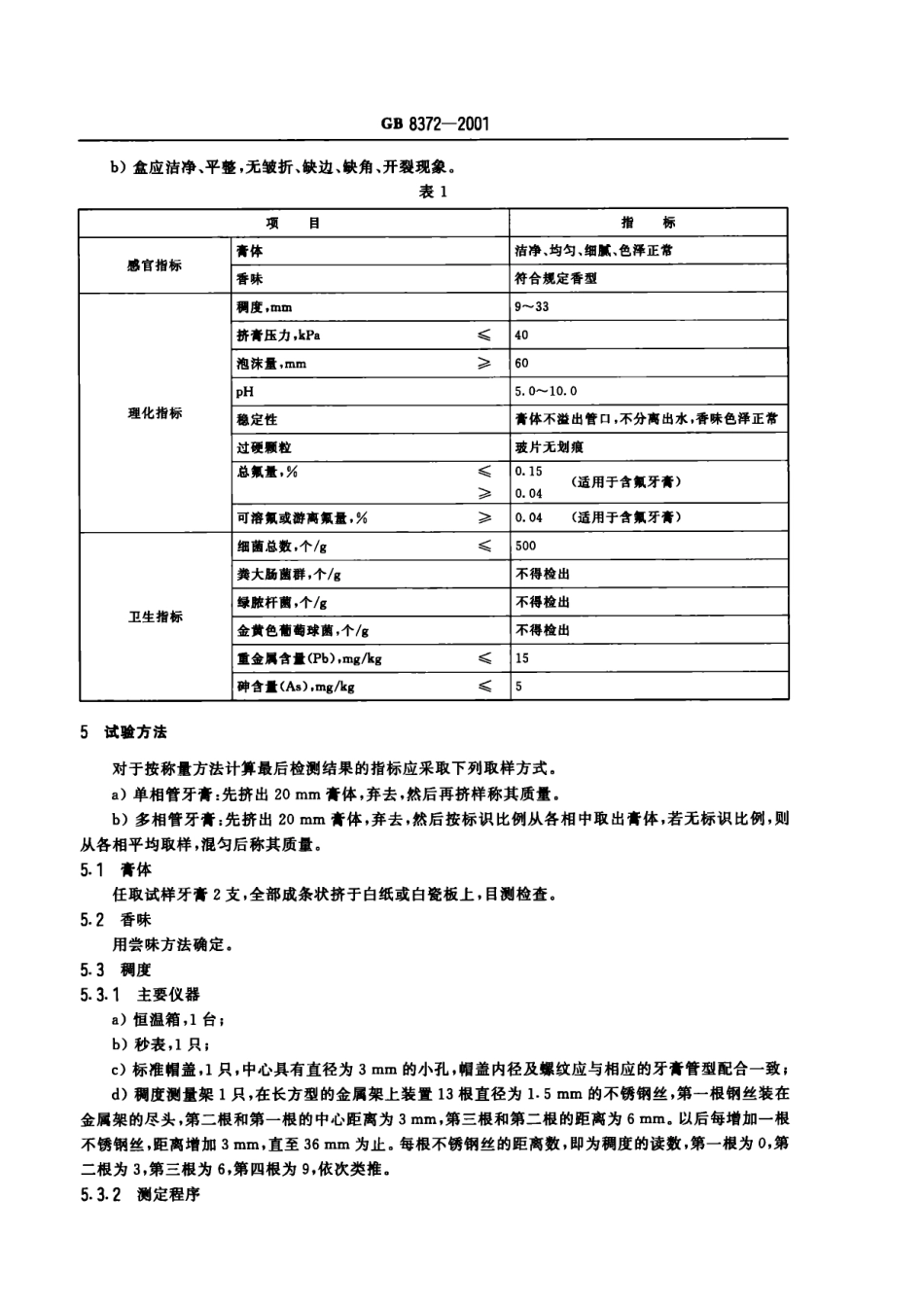
GB8372-2001前曰牙习本标准4.1表中香味、5.4中挤膏压力、5.5中泡沫量和7.2中包装和包装形式为推荐性的,其余为强制性的。本标准是GB8372-1995《牙膏》的修订本。本标准对牙膏质量允差要求、试样牙膏的取样方法、稠度的结果表示方法、稠度的最后结果计算方法、含氛量的表示方法、重金属含量指标、稳定性、牙青包装、牙膏包装的标识和保质期等十个问题进行修订和补充。本标准自实施之日起,同时代替GB8372-1995,本标准的附录A是提示的附录。本标准由国家轻工业局提出.本标准由全国牙青蜡制品标准化中心归口。本标准起草单位:全国牙膏蜡制品标准化中心。本标准主要起草人:李顺、马置、沈粤苗、骆希明。中华人民共和国国家标准GB8372-2001牙膏代替GB8372-1995Toothpaste1范围本标准规定了牙膏的技术要求、试验方法、检验规则和标志、包装、运输、贮存等要求。本标准适用于口腔内应用的各种牙膏.2引用标准下列标准所包含的条文,通过在本标准中引用而构成为本标准的条文.本标准出版时,所示版本均为有效。所有标准都会被修订,使用本标准的各方应探讨使用下列标准最新版本的可能性。GB/T601-1988化学试剂滴定分析(容量分析)用标准溶液的制备GB/T603-1988化学试剂试验方法中所用制剂及制品的制备GB/T7917.2-1987化妆品卫生化学标准检验方法砷GB/T7918.2-1987化妆品微生物标准检验方法细菌总数测定GB/T7918.3-1987化妆品微生物标准检验方法粪大肠菌群GB/T7918.4-1987化妆品微生物标准检验方法绿脓杆菌GB/T7918.5-1987化妆品微生物标准检验方法金黄色葡萄球菌国家技术监督局令第43号《定量包装商品计量监督规定》(1995年)3产品分类按使用性能分为普通牙膏和含氟牙膏。4技术要求4.1感官指标、理化指标和卫生指标见表1,4.2净含量单支定量包装商品净含量应符合国家质量技术监督局令(95)第43号中表(一);批量定量包装商品的平均偏差>0,4.3包装外观要求4.3.1软管或其他包装a)管身光滑、整洁、厚薄均匀,无明显划痕,色泽与标准样品一致.b)封口要牢固、端正,不得有开口、皱折等现象,管尾封扎牢固,无渗漏现象。。)帽盖要端正光滑,无破碎、毛刺及爆裂现象,色泽均匀不褪色,螺纹与软管配合结构完好,不歪斜滑牙。4.3.2盒a)盒面光滑、端正,图案印刷清晰,套色准确,不得有明显露底划痕、毛刺,色泽均匀。中华人民共和国国家质f监督检验检痊总局2001一10-24批准2002-10-01实施GB8372-2001b)盒应洁净、平整,无皱折、缺边、缺角、开裂现象。表1止5...

1、当您付费下载文档后,您只拥有了使用权限,并不意味着购买了版权,文档只能用于自身使用,不得用于其他商业用途(如 [转卖]进行直接盈利或[编辑后售卖]进行间接盈利)。
2、本站所有内容均由合作方或网友上传,本站不对文档的完整性、权威性及其观点立场正确性做任何保证或承诺!文档内容仅供研究参考,付费前请自行鉴别。
3、如文档内容存在违规,或者侵犯商业秘密、侵犯著作权等,请点击“违规举报”。

碎片内容

蜗牛文库的最新文档

二年级数学下册其中检测卷二年级数学下册其中检测卷附答案#期中测试卷.pdf
10.00金币
0下载
二年级数学下册期末质检卷(苏教版)二年级数学下册期末质检卷(苏教版)#期末复习 #期末测试卷 #二年级数学 #二年级数学下册#关注我持续更新小学知识.pdf
10.00金币
0下载
二年级数学下册期末混合运算专项练习二年级数学下册期末混合运算专项练习#二年级#二年级数学下册#关注我持续更新小学知识 #知识分享 #家长收藏孩子受益.pdf
10.00金币
1下载
二年级数学下册年月日三类周期问题解题方法二年级数学下册年月日三类周期问题解题方法#二年级#二年级数学下册#知识分享 #关注我持续更新小学知识 #家长收藏孩子受益.pdf
10.00金币
0下载
二年级数学下册解决问题专项训练二年级数学下册解决问题专项训练#专项训练#解决问题#二年级#二年级数学下册#知识分享.pdf
10.00金币
1下载
二年级数学下册还原问题二年级数学下册还原问题#二年级#二年级数学#关注我持续更新小学知识 #知识分享 #家长收藏孩子受益.pdf
10.00金币
1下载
二年级数学下册第六单元考试卷家长打印出来给孩子测试测试争取拿到高分!#小学二年级试卷分享 #二年级第六单考试数学 #第六单考试#二年级数学下册.pdf
10.00金币
0下载
二年级数学下册必背顺口溜口诀汇总二年级数学下册必背顺口溜口诀汇总#二年级#二年级数学下册 #知识分享 #家长收藏孩子受益 #关注我持续更新小学知识.pdf
10.00金币
0下载
二年级数学下册《重点难点思维题》两大问题解决技巧和方法巧算星期几解决周期问题还原问题强化思维训练老师精心整理家长可以打印出来给孩子练习#家长收藏孩子受益 #学霸秘籍 #思维训练 #二年级 #知识点总结.pdf
10.00金币
0下载
二年级数学下册 必背公式大全寒假提前背一背开学更轻松#二年级 #二年级数学 #二年级数学下册 #寒假充电计划 #公式.pdf
10.00金币
0下载
蜗牛文库+ 关注
实名认证
内容提供者

提供各种专业文档内容

确认删除?
QQ
  • QQ点击这里给我发消息
微信客服
  • 微信客服
回到顶部