电脑桌面
添加蜗牛文库到电脑桌面
安装后可以在桌面快捷访问

NYT 434-2000 绿色食品 果汁饮料.pdfVIP免费

NYT 434-2000 绿色食品 果汁饮料.pdf_第1页
NYT 434-2000 绿色食品 果汁饮料.pdf_第2页
NYT 434-2000 绿色食品 果汁饮料.pdf_第3页
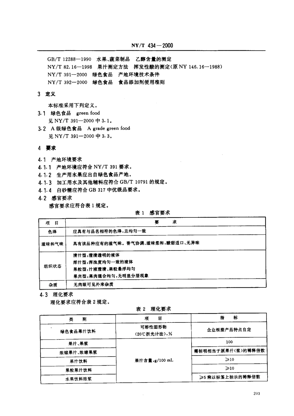
NY/T434-2000前言为判定绿色食品果汁饮料的质t和安全性,特制定本标准.本标准由中国绿色食品发展中心提出并归口。本标准起草单位:中国农垦北方食品监测中心。本标准主要起草人:邱元亨、张宗城、刘宁、翟卉、黄海涛。中华人民共和国农业行业标准绿色食品果汁饮料NY/T434-2000Greenfood-Fruitdrinking,范围本标准规定了绿色食品果汁饮料的定义、要求、试验方法、检验规则、标志、标签、包装、运输及贮存。本标准适用于A级绿色食品果汁饮料的生产和流通。本标准所指的果汁饮料包括果汁和果浆类、浓缩果汁和浓缩果浆类、果汁饮料类、果粒果汁饮料类、水果饮料浓浆类、果肉饮料类、水果饮料类,不包括碳酸饮料类、果味饮料类。2引用标准下列标准所包含的条文,通过在本标准中引用而构成为本标准的条文。本标准出版时,所示版本均为有效。所有标准都会被修订,使用本标准的各方应探讨使用下列标准最新版本的可能性。GB317-1998白砂搪GB4789.2-1994食品卫生微生物学检验菌落总数测定GB4789.3-1994食品卫生微生物学检验大肠菌群测定GB4789.4-1994食品卫生微生物学检验沙门氏菌检验GB4789.5-1994食品卫生微生物学检验志贺氏菌检验GB4789.10-1994食品卫生微生物学检验金黄色葡萄球菌检验GB4789.11-1994食品卫生微生物学检验溶血性链球菌检验GB4789.26-1994食品卫生微生物学检验罐头食品商业无菌的检验GB/T5009.11-1996食品中总砷的测定方法GB/T5009.12-1996食品中铅的测定方法GB/T5009.13-1996食品中铜的测定方法GB/T5009.14-1996食品中锌的测定方法GB/T5009.16-1996食品中锡的测定方法GB/T5009.19-1996食品中六六六,滴滴涕残留量的测定方法GB/T5009.28-1996食品中糖精钠的测定方法GB/T5009.29-1996食品中山梨酸、苯甲酸的测定方法GB/T5009.34-1996食品中亚硫酸盐的测定方法GB/T5009.35-1996食品中合成着色剂的测定方法GB7718-1994食品标签通用标准GB/T10790-1989软饮料的检验规则、标志、包装、运输、贮存GB/T10791-1989软饮料原辅材料的要求GB/T10792-1995碳酸饮料(汽水)GB/T12143.1-1989软饮料中可溶性固形物的测定方法折光计法GB/T12286-199。水果、蔬莱及制品铁含量的测定1,10菲哆琳光度法中华人民共和国农业部2000一,2一22批准2001一04一01实施NY/T434一2000GB/T12288-1990NY/T82.16-1998NY/T391-2000NY/T392-2000水果、蔬菜制品乙醉含量的测定果汁测定方法挥发性酸的测定(原NY146.16-1988)绿色食品产地环境技术条件绿色食品食品添加剂使用准则3定义...

1、当您付费下载文档后,您只拥有了使用权限,并不意味着购买了版权,文档只能用于自身使用,不得用于其他商业用途(如 [转卖]进行直接盈利或[编辑后售卖]进行间接盈利)。
2、本站所有内容均由合作方或网友上传,本站不对文档的完整性、权威性及其观点立场正确性做任何保证或承诺!文档内容仅供研究参考,付费前请自行鉴别。
3、如文档内容存在违规,或者侵犯商业秘密、侵犯著作权等,请点击“违规举报”。

碎片内容

蜗牛文库的最新文档

二年级数学下册其中检测卷二年级数学下册其中检测卷附答案#期中测试卷.pdf
10.00金币
0下载
二年级数学下册期末质检卷(苏教版)二年级数学下册期末质检卷(苏教版)#期末复习 #期末测试卷 #二年级数学 #二年级数学下册#关注我持续更新小学知识.pdf
10.00金币
0下载
二年级数学下册期末混合运算专项练习二年级数学下册期末混合运算专项练习#二年级#二年级数学下册#关注我持续更新小学知识 #知识分享 #家长收藏孩子受益.pdf
10.00金币
1下载
二年级数学下册年月日三类周期问题解题方法二年级数学下册年月日三类周期问题解题方法#二年级#二年级数学下册#知识分享 #关注我持续更新小学知识 #家长收藏孩子受益.pdf
10.00金币
0下载
二年级数学下册解决问题专项训练二年级数学下册解决问题专项训练#专项训练#解决问题#二年级#二年级数学下册#知识分享.pdf
10.00金币
1下载
二年级数学下册还原问题二年级数学下册还原问题#二年级#二年级数学#关注我持续更新小学知识 #知识分享 #家长收藏孩子受益.pdf
10.00金币
1下载
二年级数学下册第六单元考试卷家长打印出来给孩子测试测试争取拿到高分!#小学二年级试卷分享 #二年级第六单考试数学 #第六单考试#二年级数学下册.pdf
10.00金币
0下载
二年级数学下册必背顺口溜口诀汇总二年级数学下册必背顺口溜口诀汇总#二年级#二年级数学下册 #知识分享 #家长收藏孩子受益 #关注我持续更新小学知识.pdf
10.00金币
0下载
二年级数学下册《重点难点思维题》两大问题解决技巧和方法巧算星期几解决周期问题还原问题强化思维训练老师精心整理家长可以打印出来给孩子练习#家长收藏孩子受益 #学霸秘籍 #思维训练 #二年级 #知识点总结.pdf
10.00金币
0下载
二年级数学下册 必背公式大全寒假提前背一背开学更轻松#二年级 #二年级数学 #二年级数学下册 #寒假充电计划 #公式.pdf
10.00金币
0下载
蜗牛文库+ 关注
实名认证
内容提供者

提供各种专业文档内容

确认删除?
QQ
  • QQ点击这里给我发消息
微信客服
  • 微信客服
回到顶部