电脑桌面
添加蜗牛文库到电脑桌面
安装后可以在桌面快捷访问

NYT 423-2000 绿色食品 鲜梨.pdfVIP免费

NYT 423-2000 绿色食品 鲜梨.pdf_第1页
NYT 423-2000 绿色食品 鲜梨.pdf_第2页
NYT 423-2000 绿色食品 鲜梨.pdf_第3页
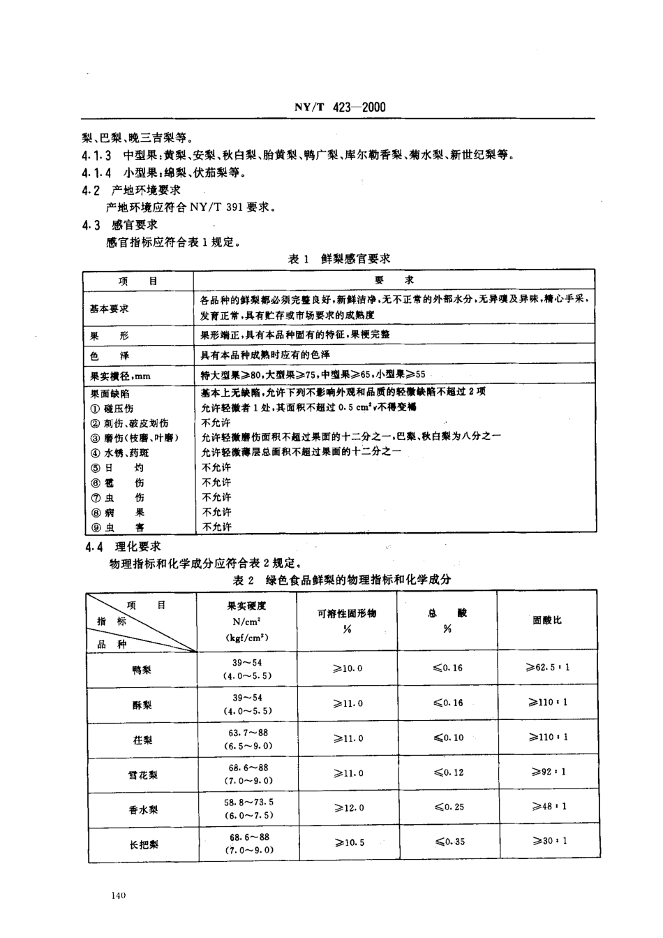
NY/T423-2000前言为判定绿色食品鲜梨的质量和安全性,特制定本标准。本标准由中国绿色食品发展中心提出并归口。本标准起草单位:农业部食品质最监督检验测试中心(济南)。本标准主要起草人:滕藏、柳琪、祁国栋、陈琦、张卉、张丽华。中华人民共和国农业行业标准绿色食品鲜梨NY/T423-2000Greenfood-Freshpears1范围本标准规定了绿色食品鲜梨的定义、要求、试验方法、检验规则、标志、标签、包装、运输和贮存。本标准适用于A级绿色食品鲜梨的生产和流通。2引用标准下列标准所包含的条文,通过在本标准中引用而构成为本标准的条文.本标准出版时,所示版本均为有效。所有标准都会被修订,使用本标准的各方应探讨使用下列标准最新版本的可能性。GB/T5009.11-1996食品中总砷的测定方法GB/T5009.12-1996食品中铅的测定方法GB/T5009.13-1996食品中铜的测定方法GB/T5009.14-1996食品中锌的测定方法GB/T5009.15-1996食品中福的测定方法GB/T5009.17-1996食品中总汞的测定方法GB/T5009.18-1996食品中氟的测定方法GB/T5009.19-1996食品中六六六、滴滴涕残留f的侧定方法GB/T5009.20-1996食品中有机礴农药残留A的测定方法GB7718-1994食品标签通用标准GB/T10650-1989鲜梨GB/T14962-1994食品中铭的测定方法NY/T391-2000绿色食品产地环境技术条件NY/T393-2000绿色食品农药使用准则3定义本标准采用下列定义。3.1绿色食品greenfood见NY/T391-2000中3.1.3.2A级绿色食品Agradegreenfood见NY/T391-2000中3.3.4.1哭求分类4.1.1特大型果:苍溪雪梨、雪花梨、金华梨、在梨等。中华人民共和国农业部2000一12一22批准2001一04一01实施NY/T423-2000梨、巴梨、晚三吉梨等。4.1.3中型果:黄梨、安梨、秋白梨、胎黄梨、鸭广梨、库尔勒香梨、菊水梨、新世纪梨等。4.1.4小型果:绵梨、伏茄梨等。4.2产地环境要求产地环境应符合NY/T391要求。4.3感官要求感官指标应符合表1规定。表1鲜梨感官要求项目要求基本要求各品种的鲜梨都必须完整良好,新鲜洁净。无不正常的外部水分。无异噢及异味,精心手采.发育正常,具有贮存或市场要求的成熟度果形果形端正,具有本品种固有的特征,果梗完整色泽具有本品种成熟时应有的色泽果实擞径,mm特大型果)0.大型果X75,中型果》“.小型果李55果面缺陷①碰压伤②刺伤、破皮划伤③磨伤(枝磨、叶磨)④水锈、药斑⑤日灼⑥雹伤⑦虫伤⑧病果⑨虫客羞本上无缺陷.允许下列不影响外观和品质的轻徽缺陷不超过2项允许轻徽者1处.其面积不超过。.5cm'w不得变福不允许允许...

1、当您付费下载文档后,您只拥有了使用权限,并不意味着购买了版权,文档只能用于自身使用,不得用于其他商业用途(如 [转卖]进行直接盈利或[编辑后售卖]进行间接盈利)。
2、本站所有内容均由合作方或网友上传,本站不对文档的完整性、权威性及其观点立场正确性做任何保证或承诺!文档内容仅供研究参考,付费前请自行鉴别。
3、如文档内容存在违规,或者侵犯商业秘密、侵犯著作权等,请点击“违规举报”。

碎片内容

蜗牛文库的最新文档

二年级数学下册其中检测卷二年级数学下册其中检测卷附答案#期中测试卷.pdf
10.00金币
0下载
二年级数学下册期末质检卷(苏教版)二年级数学下册期末质检卷(苏教版)#期末复习 #期末测试卷 #二年级数学 #二年级数学下册#关注我持续更新小学知识.pdf
10.00金币
0下载
二年级数学下册期末混合运算专项练习二年级数学下册期末混合运算专项练习#二年级#二年级数学下册#关注我持续更新小学知识 #知识分享 #家长收藏孩子受益.pdf
10.00金币
1下载
二年级数学下册年月日三类周期问题解题方法二年级数学下册年月日三类周期问题解题方法#二年级#二年级数学下册#知识分享 #关注我持续更新小学知识 #家长收藏孩子受益.pdf
10.00金币
0下载
二年级数学下册解决问题专项训练二年级数学下册解决问题专项训练#专项训练#解决问题#二年级#二年级数学下册#知识分享.pdf
10.00金币
1下载
二年级数学下册还原问题二年级数学下册还原问题#二年级#二年级数学#关注我持续更新小学知识 #知识分享 #家长收藏孩子受益.pdf
10.00金币
1下载
二年级数学下册第六单元考试卷家长打印出来给孩子测试测试争取拿到高分!#小学二年级试卷分享 #二年级第六单考试数学 #第六单考试#二年级数学下册.pdf
10.00金币
0下载
二年级数学下册必背顺口溜口诀汇总二年级数学下册必背顺口溜口诀汇总#二年级#二年级数学下册 #知识分享 #家长收藏孩子受益 #关注我持续更新小学知识.pdf
10.00金币
0下载
二年级数学下册《重点难点思维题》两大问题解决技巧和方法巧算星期几解决周期问题还原问题强化思维训练老师精心整理家长可以打印出来给孩子练习#家长收藏孩子受益 #学霸秘籍 #思维训练 #二年级 #知识点总结.pdf
10.00金币
0下载
二年级数学下册 必背公式大全寒假提前背一背开学更轻松#二年级 #二年级数学 #二年级数学下册 #寒假充电计划 #公式.pdf
10.00金币
0下载
蜗牛文库+ 关注
实名认证
内容提供者

提供各种专业文档内容

确认删除?
QQ
  • QQ点击这里给我发消息
微信客服
  • 微信客服
回到顶部