电脑桌面
添加蜗牛文库到电脑桌面
安装后可以在桌面快捷访问

SN 0400.6-1995 出口罐头检验规程成品.pdfVIP免费

SN 0400.6-1995 出口罐头检验规程成品.pdf_第1页
SN 0400.6-1995 出口罐头检验规程成品.pdf_第2页
SN 0400.6-1995 出口罐头检验规程成品.pdf_第3页
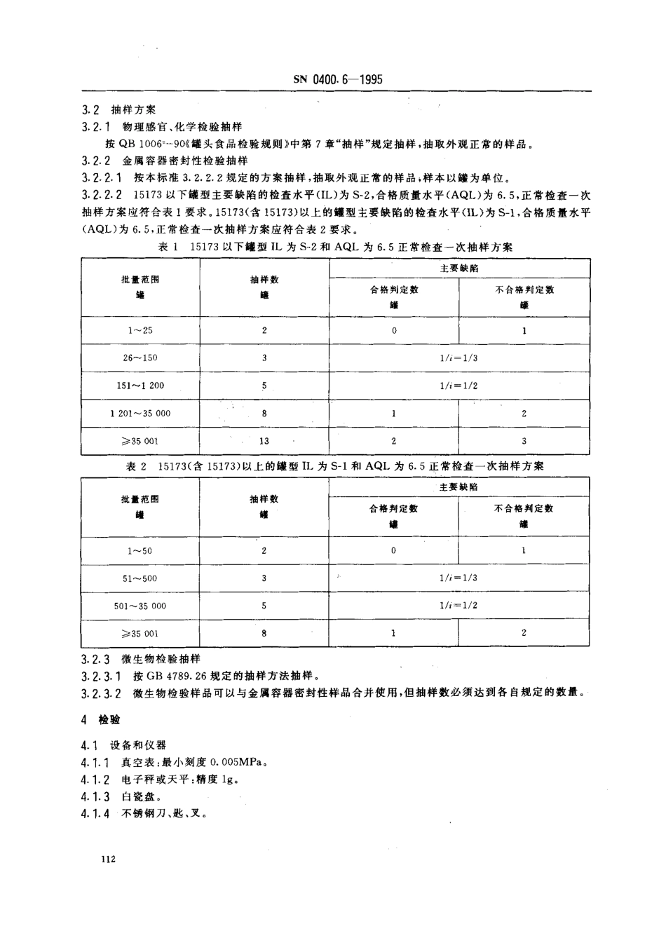
SN0400.6-1995前言对幼头成品进行检验是国际上传统做法。本标准在制订中结合商检工作的多年实践,又尽可能与国内外有关法规和技术标准接轨。本标准的抽样部分在技术内容上是与GB2828-87,GB4789.26-94,QB1006-90等效的,检验部分在等同采用了与旅头成品检验有关的现行国家标准和行业标准的同时,还参考了美国、加拿大、英国等国有关技术法规,判定部分的缺陷分类在技术内容上是与SN0400-1995《出口峨头检验规程》附录A等同。本标准的制订对规范出口峪头成品检验,保证出口峪头的安全卫生质量,促进我国峪头工业和对外贸易发展具有深远的愈义。本标准为《出口峪头枪脸规程》系列标准之一。本标准由中华人民共和国国家进出口商品检验局提出。本标准起草单位:由中华人民共和国上海进出口商品检验局。本标准主要起草人:谢才珠、欧阳秀勤。中华人民共和国进出口商品检验行业标准出口罐头成验规程SN0400.6-1995Rulesforinspectionofcannedfoodforexport-Cannedproducts1范圈本标准规定了出口雄头成品的抽样、检验和检验结果的判定及处置。本标准适用于出口峨头的成品检验。2引用标准下列标准所包含的条文,通过在标准中引用而构成为本标准的条文.本标准出版时,所示版本均为有效。所有标准都会被修订,使用本标准的各方应探讨使用下列标准最新版本的可能性。GB2828-87逐批检查计数抽样程序及抽样表(适用于连续批的检查)GB4789.26-94食品卫生徽生物学检验嫩头食品商业无菌的检验GB5009.11-85食品中总砷的测定方法GB5009.12-85食品中铅的测定方法GB5009.13-85食品中铜的测定方法GB5009.16-85食品中锡的测定方法GB5009.17-85食品中总汞的测定方法GB5009.23--85食品中黄曲母毒素BBY,GG:的测定方法GB5009.27-85食品中苯并(。)花的测定方法GB5009.33-85食品中亚硝酸盐和硝酸盐的测定方法GB5009.37-85食用植物油卫生标准的分析方法GB10786-89姚头食品的pH测定GB10788-89雄头食品中可溶性固形物含量的测定折光计法GB/T12457-90食品中抓化钠的测定方法ZBX70004-89雄头食品的感官检验QB1006-90皓头食品检验规则QB1007-90峪头食品净重和固形物含蚤的测定;SN0400.3-1995出口皓头检验规程容器3抽样3.,组批3.1.1相同工艺条件、班次、品种和规格为一批。3门.2产量较小(班产量小于2t)时可将相邻班次(相同工艺条件、品种、规格)的产品合并为一批。中华人民共和国国家进出口商品检验局1995-09-20批准1996-0卜01实施SN0400.6-19953.2抽样方案3.2.1物理感官、化学检验抽样按QB...

1、当您付费下载文档后,您只拥有了使用权限,并不意味着购买了版权,文档只能用于自身使用,不得用于其他商业用途(如 [转卖]进行直接盈利或[编辑后售卖]进行间接盈利)。
2、本站所有内容均由合作方或网友上传,本站不对文档的完整性、权威性及其观点立场正确性做任何保证或承诺!文档内容仅供研究参考,付费前请自行鉴别。
3、如文档内容存在违规,或者侵犯商业秘密、侵犯著作权等,请点击“违规举报”。

碎片内容

蜗牛文库的最新文档

二年级数学下册其中检测卷二年级数学下册其中检测卷附答案#期中测试卷.pdf
10.00金币
0下载
二年级数学下册期末质检卷(苏教版)二年级数学下册期末质检卷(苏教版)#期末复习 #期末测试卷 #二年级数学 #二年级数学下册#关注我持续更新小学知识.pdf
10.00金币
0下载
二年级数学下册期末混合运算专项练习二年级数学下册期末混合运算专项练习#二年级#二年级数学下册#关注我持续更新小学知识 #知识分享 #家长收藏孩子受益.pdf
10.00金币
1下载
二年级数学下册年月日三类周期问题解题方法二年级数学下册年月日三类周期问题解题方法#二年级#二年级数学下册#知识分享 #关注我持续更新小学知识 #家长收藏孩子受益.pdf
10.00金币
0下载
二年级数学下册解决问题专项训练二年级数学下册解决问题专项训练#专项训练#解决问题#二年级#二年级数学下册#知识分享.pdf
10.00金币
1下载
二年级数学下册还原问题二年级数学下册还原问题#二年级#二年级数学#关注我持续更新小学知识 #知识分享 #家长收藏孩子受益.pdf
10.00金币
1下载
二年级数学下册第六单元考试卷家长打印出来给孩子测试测试争取拿到高分!#小学二年级试卷分享 #二年级第六单考试数学 #第六单考试#二年级数学下册.pdf
10.00金币
0下载
二年级数学下册必背顺口溜口诀汇总二年级数学下册必背顺口溜口诀汇总#二年级#二年级数学下册 #知识分享 #家长收藏孩子受益 #关注我持续更新小学知识.pdf
10.00金币
0下载
二年级数学下册《重点难点思维题》两大问题解决技巧和方法巧算星期几解决周期问题还原问题强化思维训练老师精心整理家长可以打印出来给孩子练习#家长收藏孩子受益 #学霸秘籍 #思维训练 #二年级 #知识点总结.pdf
10.00金币
0下载
二年级数学下册 必背公式大全寒假提前背一背开学更轻松#二年级 #二年级数学 #二年级数学下册 #寒假充电计划 #公式.pdf
10.00金币
0下载
蜗牛文库+ 关注
实名认证
内容提供者

提供各种专业文档内容

确认删除?
QQ
  • QQ点击这里给我发消息
微信客服
  • 微信客服
回到顶部