电脑桌面
添加蜗牛文库到电脑桌面
安装后可以在桌面快捷访问

NYT 388-1999 畜禽场环境质量标准.pdfVIP免费

NYT 388-1999 畜禽场环境质量标准.pdf_第1页
NYT 388-1999 畜禽场环境质量标准.pdf_第2页
NYT 388-1999 畜禽场环境质量标准.pdf_第3页
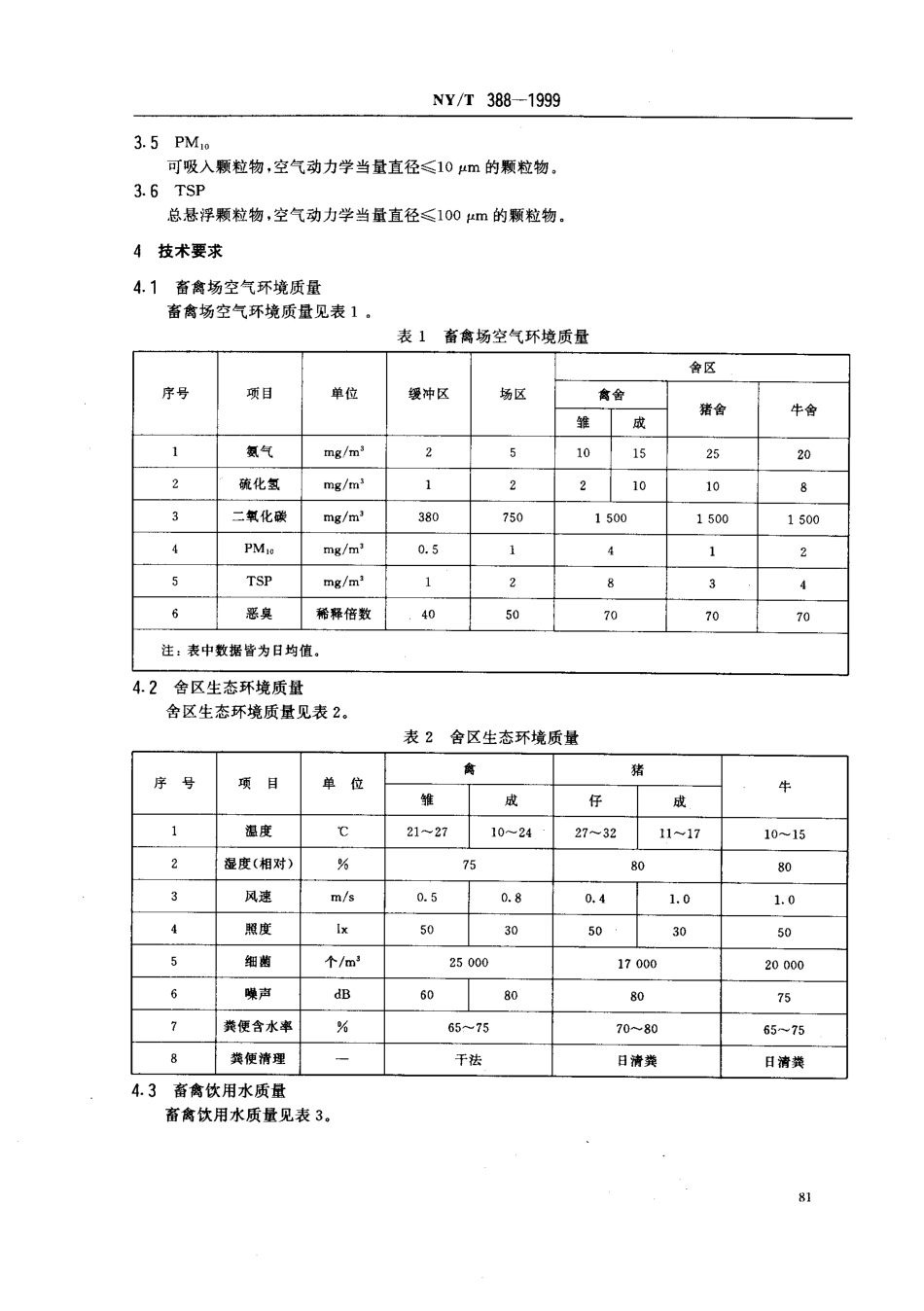
NY/T388-1999前言为贯彻《中华人民共和国环境保护法》和《中华人民共和国环境保护标准管理办法》,保护畜禽场与其周围环境,保证畜禽产品质量,保障人民群众健康,促进畜牧业可持续发展,特制定本标准。本标准分三部分:畜禽场必要的空气环境;生态环境质量标准;畜禽饮用水的水质标准。本标准适用于畜禽场环境质量的监督、检验、测试、管理、建设项目的环境影响评价及畜禽场环境质量的评估。本标准在制定过程中参照以下标准:GB3095-1996《环境空气质量标准》,GB3096-1993(城市区域环境噪声标准》,GB/T14848-1993《地下水质量标准》、GB5749-1985《生活饮用水卫生标准》、GB14554-1993《恶臭污染物排放标准》。本标准在畜牧环境行业中属于国内首次制定本标准由中华人民共和国农业部质量标准办公室提出并归口。本标准起草单位:农业部畜牧环境质量监督检验测试中心、中国农业大学资源与环境学院。本标准主要起草人:刘成国、卞希俊、唐军利、咚利功、游凌、直俊强。本标准由中华人民共和国农业部质量标准办公室和农业部畜牧环境质量监督检验测试中心负责解释。中华人民共和国农业行业标准畜禽场环境质量标准INY/T388-1999Environmentalqualitystandardforthelivestockandpoultryfarm1范围本标准规定了畜禽场必要的空气、生态环境质量标准以及畜禽饮用水的水质标准。本标准适用于畜禽场的环境质量控制、监测、监督、管理、建设项目的评价及畜禽场环境质量的评估。2引用标准下列标准所包含的条文,通过在本标准中引用而构成为本标准的条文。本标准出版时,所示版本均为有效。所有标准都会被修订,使用本标准的各方应探讨使用下列标准最新版本的可能性。GB2930-1982牧草种子检验规程GB/T5750-1985生活饮用水标准检验法GB/T6920-1986水质pH值的测定玻璃电极法GB/T7470-1987水质铅的测定双硫腺分光光度法GB/T7475-1987水质铜、锌、铅、镐的测定原子吸收分光光谱法GB/T7467-1987水质六价铬的测定二苯碳酞二腆分光光度法GB/T7477-1987水质钙和镁总量的测定EDTA滴定法GB/T13195-1991水质水温的测定温度计或颠倒温度计Mil定法GB/T14623-1993城市区域环境噪声测量方法GB/T14668-1993空气质量氨的测定纳氏试剂比色法GB/T14675-1993空气质量恶臭的测定三点比较式臭袋法CUB/T15432-1995环境空气总悬浮颗粒物的测定重量法3术语3.,畜禽场按养殖规模本标准规定:鸡,5000只,母猪存栏)75头,牛)25头为畜禽场,该场应设置有舍区、场区和缓冲区。3.2舍区畜禽所处的半封闭的生...

1、当您付费下载文档后,您只拥有了使用权限,并不意味着购买了版权,文档只能用于自身使用,不得用于其他商业用途(如 [转卖]进行直接盈利或[编辑后售卖]进行间接盈利)。
2、本站所有内容均由合作方或网友上传,本站不对文档的完整性、权威性及其观点立场正确性做任何保证或承诺!文档内容仅供研究参考,付费前请自行鉴别。
3、如文档内容存在违规,或者侵犯商业秘密、侵犯著作权等,请点击“违规举报”。

碎片内容

蜗牛文库的最新文档

二年级数学下册其中检测卷二年级数学下册其中检测卷附答案#期中测试卷.pdf
10.00金币
0下载
二年级数学下册期末质检卷(苏教版)二年级数学下册期末质检卷(苏教版)#期末复习 #期末测试卷 #二年级数学 #二年级数学下册#关注我持续更新小学知识.pdf
10.00金币
0下载
二年级数学下册期末混合运算专项练习二年级数学下册期末混合运算专项练习#二年级#二年级数学下册#关注我持续更新小学知识 #知识分享 #家长收藏孩子受益.pdf
10.00金币
1下载
二年级数学下册年月日三类周期问题解题方法二年级数学下册年月日三类周期问题解题方法#二年级#二年级数学下册#知识分享 #关注我持续更新小学知识 #家长收藏孩子受益.pdf
10.00金币
0下载
二年级数学下册解决问题专项训练二年级数学下册解决问题专项训练#专项训练#解决问题#二年级#二年级数学下册#知识分享.pdf
10.00金币
1下载
二年级数学下册还原问题二年级数学下册还原问题#二年级#二年级数学#关注我持续更新小学知识 #知识分享 #家长收藏孩子受益.pdf
10.00金币
1下载
二年级数学下册第六单元考试卷家长打印出来给孩子测试测试争取拿到高分!#小学二年级试卷分享 #二年级第六单考试数学 #第六单考试#二年级数学下册.pdf
10.00金币
0下载
二年级数学下册必背顺口溜口诀汇总二年级数学下册必背顺口溜口诀汇总#二年级#二年级数学下册 #知识分享 #家长收藏孩子受益 #关注我持续更新小学知识.pdf
10.00金币
0下载
二年级数学下册《重点难点思维题》两大问题解决技巧和方法巧算星期几解决周期问题还原问题强化思维训练老师精心整理家长可以打印出来给孩子练习#家长收藏孩子受益 #学霸秘籍 #思维训练 #二年级 #知识点总结.pdf
10.00金币
0下载
二年级数学下册 必背公式大全寒假提前背一背开学更轻松#二年级 #二年级数学 #二年级数学下册 #寒假充电计划 #公式.pdf
10.00金币
0下载
蜗牛文库+ 关注
实名认证
内容提供者

提供各种专业文档内容

确认删除?
QQ
  • QQ点击这里给我发消息
微信客服
  • 微信客服
回到顶部