电脑桌面
添加蜗牛文库到电脑桌面
安装后可以在桌面快捷访问

SCT 1033.5-1999 罗氏沼虾养殖技术规范 虾苗运输技术.pdfVIP免费

SCT 1033.5-1999 罗氏沼虾养殖技术规范 虾苗运输技术.pdf_第1页
SCT 1033.5-1999 罗氏沼虾养殖技术规范 虾苗运输技术.pdf_第2页
SCT 1033.5-1999 罗氏沼虾养殖技术规范 虾苗运输技术.pdf_第3页
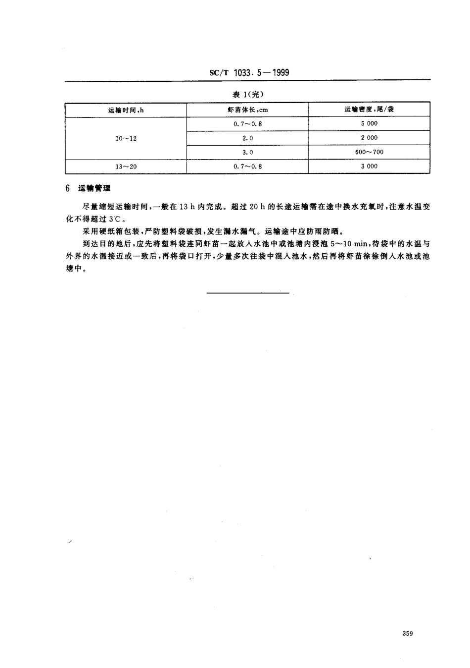
SC/'r1033.5一1999前言为提高罗氏沼虾虾苗运输的成活率,提高效益,特制定本标准。本标准是“罗氏沼虾养殖技术规范”系列标准中的第五个标准。本标准由农业部渔业局提出。本标准由中国水产科学研究院长江水产研究所归口。本标准起草单位:广西壮族自治区水产研究所。本标准起草人:李增崇、余晓丽、唐章生。357中华人民共和国水产行业标准罗氏沼虾养殖技术规范虾苗运输技术sC/T1033.5一1999TechnicalspecificationsforgiantfreshwaterprawnculturePrawnlarvaetransportationtechniques1范围本标准规定了罗氏沼虾虾苗的运输方式、运输用水、运输密度、运输管理技术。本标准适用于罗氏沼虾苗的运输。2引用标准下列标准所包含的条文,通过在本标准中引用而构成为本标准的条文。本标准出版时,所示版本均为有效。所有标准都会被修订,使用本标准的各方应探讨使用下列标准最新版本的可能性。GB11607-1989A41,火后标准3运输方式采用塑料袋充氧密封、瓦楞纸箱或泡沫箱包装运输方式。4运输用水符合GB11607的规定5运输密度运输袋采用双层白色透明聚乙烯塑料袋。常用的塑料袋容水量为25kg,在航空运输时实际装水量为7-8kg;用汽车或火车运输时装水量为8^-10kg,在水温25^28℃情况下,虾苗运输密度见表to表1虾苗运输密度运输时间,h虾苗体长,cm运翰密度,尾/袋4-60.7-0.880002.030003.015007^-90.7-0.860002.025003.01000^-1200中华人民共和国农业部1999-10-13批准2000一01一01AnSC/T1033.5一1999表1(完)运轴时间,h虾苗体长,cm运轴密度,尾/袋10--120.7-0.850002.020003.0600-70013^200.7-0.830006运翰管理尽量缩短运输时间,一般在13h内完成。超过20h的长途运输需在途中换水充氧时,注意水温变化不得超过3℃。采用硬纸箱包装,严防塑料袋破损,发生漏水漏气。运输途中应防雨防晒。到达目的地后,应先将塑料袋连同虾苗一起放人水池中或池塘内浸泡5^10min,待袋中的水温与外界的水温接近或一致后,再将袋口打开,少量多次往袋中混人池水,然后再将虾苗徐徐倒人水池或池塘中。

1、当您付费下载文档后,您只拥有了使用权限,并不意味着购买了版权,文档只能用于自身使用,不得用于其他商业用途(如 [转卖]进行直接盈利或[编辑后售卖]进行间接盈利)。
2、本站所有内容均由合作方或网友上传,本站不对文档的完整性、权威性及其观点立场正确性做任何保证或承诺!文档内容仅供研究参考,付费前请自行鉴别。
3、如文档内容存在违规,或者侵犯商业秘密、侵犯著作权等,请点击“违规举报”。

碎片内容

蜗牛文库的最新文档

二年级数学下册其中检测卷二年级数学下册其中检测卷附答案#期中测试卷.pdf
10.00金币
0下载
二年级数学下册期末质检卷(苏教版)二年级数学下册期末质检卷(苏教版)#期末复习 #期末测试卷 #二年级数学 #二年级数学下册#关注我持续更新小学知识.pdf
10.00金币
0下载
二年级数学下册期末混合运算专项练习二年级数学下册期末混合运算专项练习#二年级#二年级数学下册#关注我持续更新小学知识 #知识分享 #家长收藏孩子受益.pdf
10.00金币
1下载
二年级数学下册年月日三类周期问题解题方法二年级数学下册年月日三类周期问题解题方法#二年级#二年级数学下册#知识分享 #关注我持续更新小学知识 #家长收藏孩子受益.pdf
10.00金币
0下载
二年级数学下册解决问题专项训练二年级数学下册解决问题专项训练#专项训练#解决问题#二年级#二年级数学下册#知识分享.pdf
10.00金币
1下载
二年级数学下册还原问题二年级数学下册还原问题#二年级#二年级数学#关注我持续更新小学知识 #知识分享 #家长收藏孩子受益.pdf
10.00金币
1下载
二年级数学下册第六单元考试卷家长打印出来给孩子测试测试争取拿到高分!#小学二年级试卷分享 #二年级第六单考试数学 #第六单考试#二年级数学下册.pdf
10.00金币
0下载
二年级数学下册必背顺口溜口诀汇总二年级数学下册必背顺口溜口诀汇总#二年级#二年级数学下册 #知识分享 #家长收藏孩子受益 #关注我持续更新小学知识.pdf
10.00金币
0下载
二年级数学下册《重点难点思维题》两大问题解决技巧和方法巧算星期几解决周期问题还原问题强化思维训练老师精心整理家长可以打印出来给孩子练习#家长收藏孩子受益 #学霸秘籍 #思维训练 #二年级 #知识点总结.pdf
10.00金币
0下载
二年级数学下册 必背公式大全寒假提前背一背开学更轻松#二年级 #二年级数学 #二年级数学下册 #寒假充电计划 #公式.pdf
10.00金币
0下载
蜗牛文库+ 关注
实名认证
内容提供者

提供各种专业文档内容

确认删除?
QQ
  • QQ点击这里给我发消息
微信客服
  • 微信客服
回到顶部