电脑桌面
添加蜗牛文库到电脑桌面
安装后可以在桌面快捷访问

SCT 1028-1999 化肥养鱼技术要求.pdfVIP免费

SCT 1028-1999 化肥养鱼技术要求.pdf_第1页
SCT 1028-1999 化肥养鱼技术要求.pdf_第2页
SCT 1028-1999 化肥养鱼技术要求.pdf_第3页
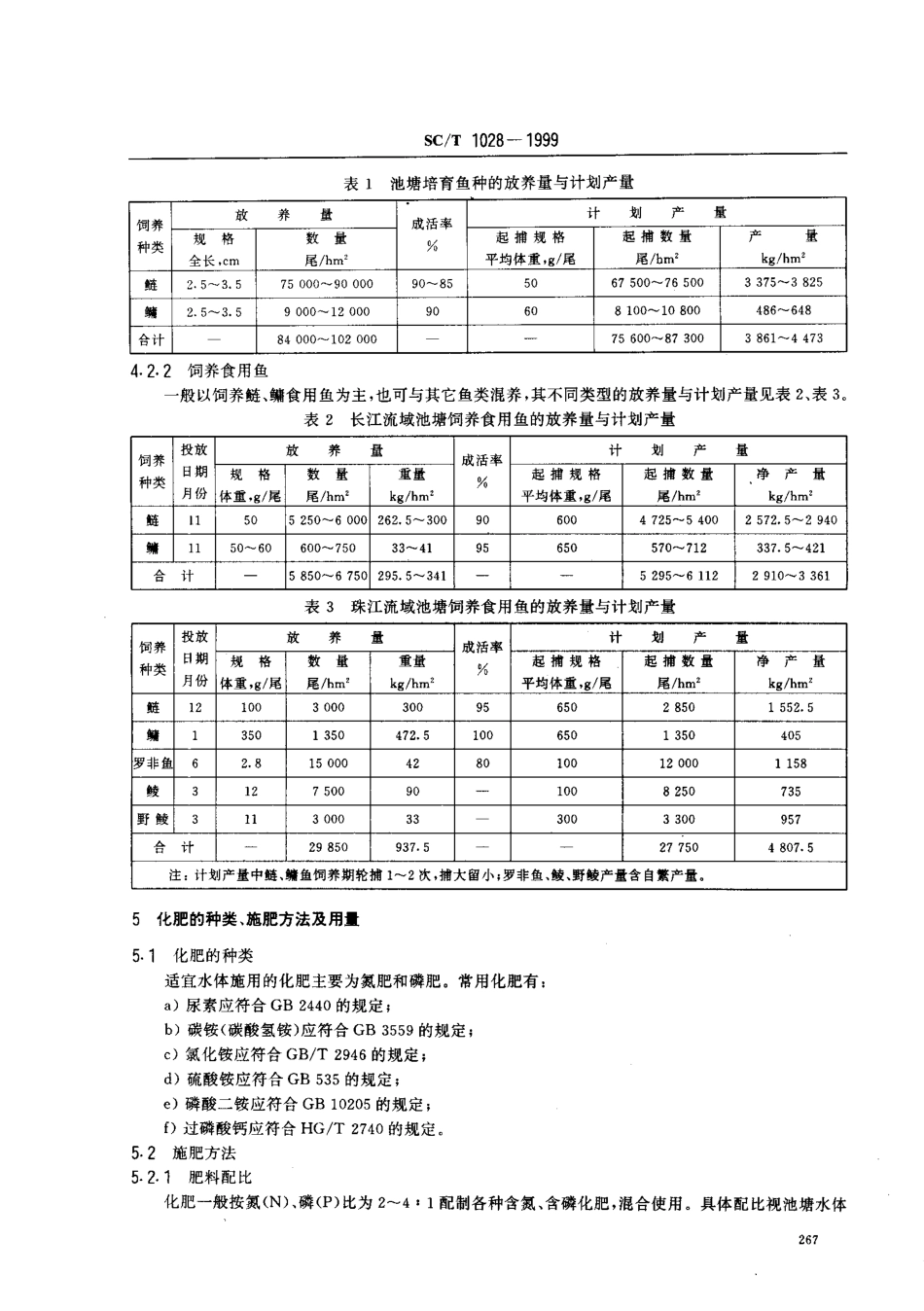
sC/T1028一1999前言化肥养鱼在我国已有近20年的历史。由于化肥来源广,便于运输、贮存和使用,施用后具肥效快、效益好、污染轻等特点,化肥养鱼适合肥水饲养链、墉鱼。特别在炎热夏季,施用化肥是必不可少的肥水养鱼的重要措施。为了普及和推广化肥养鱼技术,减少化肥浪费,更好地提高其经济效益,特制定《化肥养鱼技术要求》,以指导养殖生产者使用。本标准由农业部渔业局提出。本标准由中国水产科学研究院长江水产研究所归口。本标准起草单位:中国水产科学研究院长江水产研究所。本标准主要起草人:罗相忠、徐忠法、喻清明。中华人民共和国水产行业标准化肥养鱼技术要求SpecificationforfishculturewithchemicalfertilizersSC/T1028-19991范围本标准规定了池塘化肥养鱼的环境条件、饲养鱼类与放养类型,化肥的种类、施肥方法与用量,以及饲养管理。本标准适用于池塘化肥养鱼,小型湖泊、小型水库化肥养鱼亦可参照执行。2引用标准下列标准所包含的条文,通过在本标准中引用而构成为本标准的条文。本标准出版时,所示版本均为有效。所有标准都会被修订,使用本标准的各方应探讨使用下列标准最新版本的可能性。GB535-1995硫酸铁GB2440-1991尿素GB/T2946-1992氯化馁GB3559-1992农业用碳酸氢按GB10205-1988磷酸一按、磷酸二按(粒状)GB11607-1989渔业水质标准HG/T2740-1995过磷酸钙3池塘环境条件I1面积鱼种培育池以。.1-0.3hm,为宜;食用鱼饲养池以。.3-0.7hm,为宜。3.2水深鱼种培育池为1.4^-1.6m;食用鱼饲养池为1.5^-2.5m,3.3水源水源充足、排灌方便,水质应符合GB11607的规定。I4其他池埂坚实、无渗漏;池底平坦,淤泥厚度为20-30cm,4饲养鱼类与放养类型4.1饲养鱼类宜饲养维、编等滤食性鱼类.并可混养鳞、白卿、罗非鱼等杂食性鱼类。4.2放养类型4.2.1培育鱼种一般以培育鳞鱼种为主,搭养编鱼种。其放养量与计划产量见表1,中华人民共和国农业部1999一03一22批雇.—一一一一一一一不丽丽丽磊sc/T1028一1999表1池塘培育鱼种的放养量与计划产量饲养种类放养量成活率%丁十划产量规格全长,cm数量尾/h-`起捕规格平均体重,9/尾起捕数量尾/bm'产量kg/h.'雌25-3.575000^9000090^855067500^765003375^-3825端2.5-3.59000^-1200090608100^10800486^-648合计8400010200075600^-87300386144734.2.2饲养食用鱼一般以饲养鳞.编食用鱼为主,也可与其它鱼类混养,其不同类型的放养量与计划产量见表2、表30表2长江流域池塘饲养食用鱼的放养量与计划产量饲养种类投放日期...

1、当您付费下载文档后,您只拥有了使用权限,并不意味着购买了版权,文档只能用于自身使用,不得用于其他商业用途(如 [转卖]进行直接盈利或[编辑后售卖]进行间接盈利)。
2、本站所有内容均由合作方或网友上传,本站不对文档的完整性、权威性及其观点立场正确性做任何保证或承诺!文档内容仅供研究参考,付费前请自行鉴别。
3、如文档内容存在违规,或者侵犯商业秘密、侵犯著作权等,请点击“违规举报”。

碎片内容

蜗牛文库的最新文档

二年级数学下册其中检测卷二年级数学下册其中检测卷附答案#期中测试卷.pdf
10.00金币
0下载
二年级数学下册期末质检卷(苏教版)二年级数学下册期末质检卷(苏教版)#期末复习 #期末测试卷 #二年级数学 #二年级数学下册#关注我持续更新小学知识.pdf
10.00金币
0下载
二年级数学下册期末混合运算专项练习二年级数学下册期末混合运算专项练习#二年级#二年级数学下册#关注我持续更新小学知识 #知识分享 #家长收藏孩子受益.pdf
10.00金币
1下载
二年级数学下册年月日三类周期问题解题方法二年级数学下册年月日三类周期问题解题方法#二年级#二年级数学下册#知识分享 #关注我持续更新小学知识 #家长收藏孩子受益.pdf
10.00金币
0下载
二年级数学下册解决问题专项训练二年级数学下册解决问题专项训练#专项训练#解决问题#二年级#二年级数学下册#知识分享.pdf
10.00金币
1下载
二年级数学下册还原问题二年级数学下册还原问题#二年级#二年级数学#关注我持续更新小学知识 #知识分享 #家长收藏孩子受益.pdf
10.00金币
1下载
二年级数学下册第六单元考试卷家长打印出来给孩子测试测试争取拿到高分!#小学二年级试卷分享 #二年级第六单考试数学 #第六单考试#二年级数学下册.pdf
10.00金币
0下载
二年级数学下册必背顺口溜口诀汇总二年级数学下册必背顺口溜口诀汇总#二年级#二年级数学下册 #知识分享 #家长收藏孩子受益 #关注我持续更新小学知识.pdf
10.00金币
0下载
二年级数学下册《重点难点思维题》两大问题解决技巧和方法巧算星期几解决周期问题还原问题强化思维训练老师精心整理家长可以打印出来给孩子练习#家长收藏孩子受益 #学霸秘籍 #思维训练 #二年级 #知识点总结.pdf
10.00金币
0下载
二年级数学下册 必背公式大全寒假提前背一背开学更轻松#二年级 #二年级数学 #二年级数学下册 #寒假充电计划 #公式.pdf
10.00金币
0下载
蜗牛文库+ 关注
实名认证
内容提供者

提供各种专业文档内容

确认删除?
QQ
  • QQ点击这里给我发消息
微信客服
  • 微信客服
回到顶部