电脑桌面
添加蜗牛文库到电脑桌面
安装后可以在桌面快捷访问

QBT 3774-1999 全脂无糖炼乳(淡炼乳).pdfVIP免费

QBT 3774-1999 全脂无糖炼乳(淡炼乳).pdf_第1页
QBT 3774-1999 全脂无糖炼乳(淡炼乳).pdf_第2页
QBT 3774-1999 全脂无糖炼乳(淡炼乳).pdf_第3页
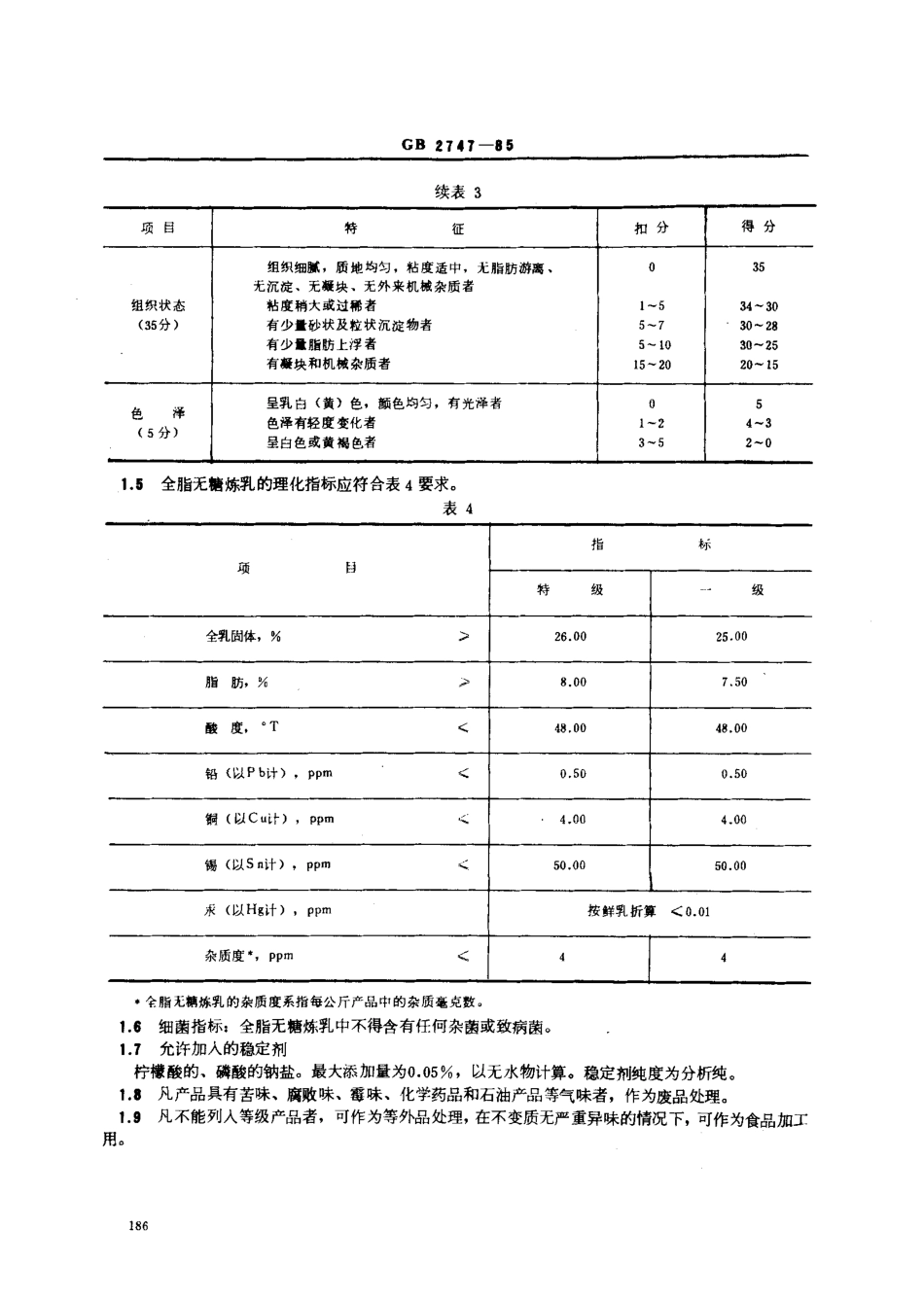
中华人民共和国国家标准UDC687.142全脂无糖炼乳(淡炼乳)GB2747-85Evaporatedmilk代替GB2747-81本标准适用于以牛乳为原料,经预热、浓缩、均质、装罐、灭菌而制得的产品。技术要求1.1求。1.21.31.41.4.1制造全脂无铭炼乳用的原料乳,应符合GB5408-85《消毒牛乳》附录A(补充件)特级品要制造全脂无箱炼乳要符合《乳与乳制品卫生管理办法》的各项规定。全脂无馆炼乳的品质按感官和理化指标进行评定,分为特级品和一级品。全脂无搪炼乳惑官指标及评分感官指标按百分制评定,其中各项分数见表1。表1项目分数滋味及气味60组织状态35色泽51.4.2各级产品应得的感官评分见表2。表2级别总分滋味及气昧的最低得分特级>9055一级夕80481.4.8全脂无枪炼乳的感官评分见表3。表3项自特征扣分{得分滋味和气味(60分)具有明显的高温灭菌乳的滋昧和气味,无杂味者滋味平淡,但无杂味者有不纯的滋味或气味者有饲料余味、金属味、烧焦味、畜舍味者02-56-1011-18国家标准局1985一09一2.发布1986一08一01实施185GB2747-85续表3项目特征扣分得分组织状态(35分)组织细腻,质地均匀,粘度适中,无脂肪游离、无沉淀、无凝块、无外来机械杂质者粘度稍大或过稀者有少f砂状及粒状沉淀物者有少t脂肪上浮者有凝块和机械杂质者01-55-75-1015-203534.3030-2830-2520-15色泽(5分)呈乳白(黄)色,颜色均匀,有光泽者色泽有轻度变化者呈白色或黄揭色者01-23-554-32-01.5全脂无搪炼乳的理化指标应符合表4要求。表4项目指标特级级全乳固体,%夕26.0025.00脂肪,%夕8.007.50酸度,"T<48.0048.00铅(以Pb计),PPM《0.500.50铜(以Cu计),PPM戈4.004.00锡(以Sn计),PPM50.0050.00汞(以Hg计),pp.按鲜乳析算<0.01杂质度常,PPM《44。全脂无摘炼乳的杂质度系指每公斤产品中的杂质毫克数。1.6细菌指标:全脂无糖炼乳中不得含有任何杂菌或致病菌。1.了允许加人的稳定剂柠檬酸的、磷酸的钠盐。最大添加量为0.05,以无水物计算。稳定剂纯度为分析纯。1二凡产品具有苦味、腐败味、霉味、化学药品和石油产品等气味者,作为废品处理。1.9凡不能列人等级产品者,可作为等外品处理,在不变质无严重异味的情况下,可作为食品加工用。1吕6GB2747-852取样和检验2.1取样产品以杀菌锅分批,按批编号取样检验。取样数量:410g罐,每批取三件,170g罐,每批取四件。当连续生产不能分别锅数者,可按成品混合罐分批,采取产品的1/1000做检验用。但不得少于三件,尾数超过500峭者,应加抽一件。取样的其他要求同GB5417-85《...

1、当您付费下载文档后,您只拥有了使用权限,并不意味着购买了版权,文档只能用于自身使用,不得用于其他商业用途(如 [转卖]进行直接盈利或[编辑后售卖]进行间接盈利)。
2、本站所有内容均由合作方或网友上传,本站不对文档的完整性、权威性及其观点立场正确性做任何保证或承诺!文档内容仅供研究参考,付费前请自行鉴别。
3、如文档内容存在违规,或者侵犯商业秘密、侵犯著作权等,请点击“违规举报”。

碎片内容

蜗牛文库的最新文档

二年级数学下册其中检测卷二年级数学下册其中检测卷附答案#期中测试卷.pdf
10.00金币
0下载
二年级数学下册期末质检卷(苏教版)二年级数学下册期末质检卷(苏教版)#期末复习 #期末测试卷 #二年级数学 #二年级数学下册#关注我持续更新小学知识.pdf
10.00金币
0下载
二年级数学下册期末混合运算专项练习二年级数学下册期末混合运算专项练习#二年级#二年级数学下册#关注我持续更新小学知识 #知识分享 #家长收藏孩子受益.pdf
10.00金币
1下载
二年级数学下册年月日三类周期问题解题方法二年级数学下册年月日三类周期问题解题方法#二年级#二年级数学下册#知识分享 #关注我持续更新小学知识 #家长收藏孩子受益.pdf
10.00金币
0下载
二年级数学下册解决问题专项训练二年级数学下册解决问题专项训练#专项训练#解决问题#二年级#二年级数学下册#知识分享.pdf
10.00金币
1下载
二年级数学下册还原问题二年级数学下册还原问题#二年级#二年级数学#关注我持续更新小学知识 #知识分享 #家长收藏孩子受益.pdf
10.00金币
1下载
二年级数学下册第六单元考试卷家长打印出来给孩子测试测试争取拿到高分!#小学二年级试卷分享 #二年级第六单考试数学 #第六单考试#二年级数学下册.pdf
10.00金币
0下载
二年级数学下册必背顺口溜口诀汇总二年级数学下册必背顺口溜口诀汇总#二年级#二年级数学下册 #知识分享 #家长收藏孩子受益 #关注我持续更新小学知识.pdf
10.00金币
0下载
二年级数学下册《重点难点思维题》两大问题解决技巧和方法巧算星期几解决周期问题还原问题强化思维训练老师精心整理家长可以打印出来给孩子练习#家长收藏孩子受益 #学霸秘籍 #思维训练 #二年级 #知识点总结.pdf
10.00金币
0下载
二年级数学下册 必背公式大全寒假提前背一背开学更轻松#二年级 #二年级数学 #二年级数学下册 #寒假充电计划 #公式.pdf
10.00金币
0下载
蜗牛文库+ 关注
实名认证
内容提供者

提供各种专业文档内容

确认删除?
QQ
  • QQ点击这里给我发消息
微信客服
  • 微信客服
回到顶部