电脑桌面
添加蜗牛文库到电脑桌面
安装后可以在桌面快捷访问

GBT 8828-2003 防老剂4010NA.pdfVIP免费

GBT 8828-2003 防老剂4010NA.pdf_第1页
GBT 8828-2003 防老剂4010NA.pdf_第2页
GBT 8828-2003 防老剂4010NA.pdf_第3页
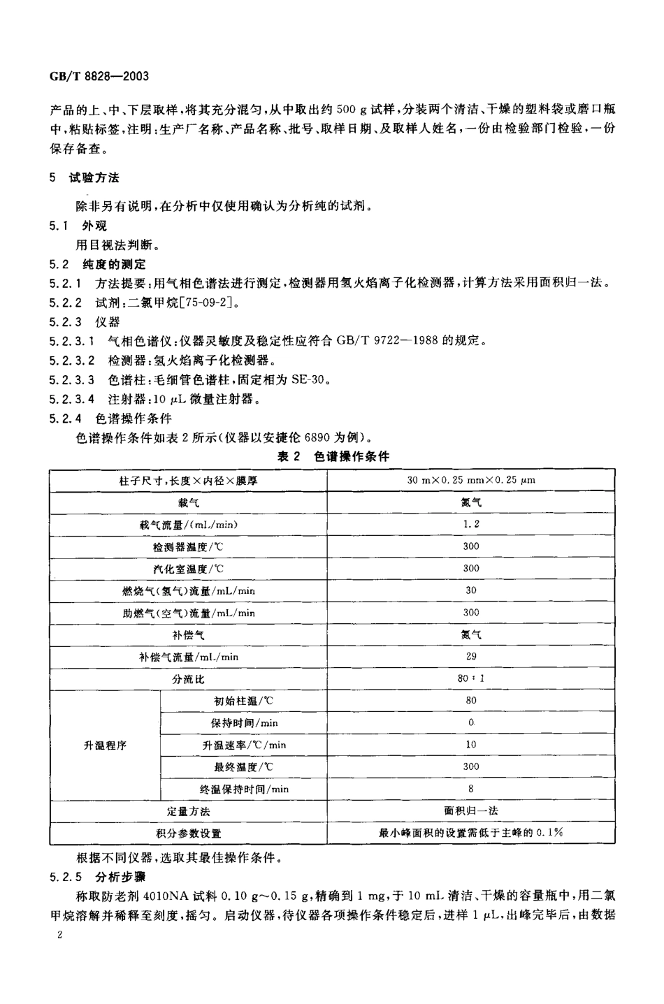
GB/T8828-2003月9舌本标准代替GB/T8828-1988《防老剂4010NA)).本标准与日本工业标准JISK6220-3:2001《橡胶用配合剂试验方法第3部分:防老剂》的一致性程度为非等效。本标准与JISK6220-3:2001的主要差异及原因如下:—经试验验证,本标准关于纯度测定的试验方法仅采用了毛细管柱气相色谱法,纯度测定操作条件与日本工业标准略有差异(JISK6220-3:2001的7.4;本标准的5.2);—为了使加热温度的控制更加严格,本标准关于加热减量测定的加热温度控制范围与日本工业标准不同(JISK6220-3:2001的10.4.2;本标准的5.3);—为了有利于产品的市场销售本标准规定的技术指标分等分级(JlsK6220-3;2001的附录3;本标准的3.2).本标准与GB/T8828-1988的主要差异如下:—关于试验方法的规定引用了相应的国家标准(1988年版的第2章;本版的第5章);—增加了纯度的测定(本版的5.2);—将产品的外观由“灰紫色至紫褐色片状”改为“灰紫色至紫褐色片状或粒状,'(1988年版的1.1;本版的3.1);—产品的技术指标分等分级(1988年版的1.1;本版的3.2)0本标准由中国石油和化学工业协会提出。本标准由全国橡胶与橡胶制品标准化技术委员会化学助剂分技术委员会归口。本标准起草单位:中国石化集团南京化工厂本标准主要起草人:钱迎春、杜建国。本标准于1988年首次发布,本次为第一次修订。GB/T8828一2D03防老剂4010NA范围本标准规定了防老剂401oNA的要求、采样、试验方法、检验规则以及标志、包装、运输和贮存。本标准适用于由RT培司(4一氨基二苯胺)与丙酮缩合而制得的防老剂401oNA。化学名称:N一异丙基一N产一苯基对苯二胺分子式:cl5H,:N:结构式:/一、护~飞__/众众-NHse长谷一NH一UH飞岁、一/\CH:CH相对分子质量:22632(按1999年国际相对原子质量)2规范性引用文件下列文件中的条款通过本标准的引用而成为本标准的条款。凡是注日期的引用文件,其随后所有的修改单(不包括勘误的内容)或修订版均不适用于本标准,然而,鼓励根据本标准达成协议的各方研究是否可使用这些文件的最新版本。凡是不注日期的引用文件,其最新版本适用于本标准。GB/T191包装储运图示标志(GB/T191一2000,eqvISO78o:1997)GB/T125。极限数值的表示方法和判定方法GB/T9722一198化学试剂气相色谱通则GB/Tll4O9.1橡胶防老剂、硫化促进剂熔点测定方法GB/Tll4og.4橡胶防老剂、硫化促进剂加热减量的测定方法GB/Tll4O97橡胶防老剂、硫化促进剂灰分的测定方法3要求3.1外观:灰紫色至紫褐色片状或粒状。3.2防老剂401oNA应符合表1所示的技...

1、当您付费下载文档后,您只拥有了使用权限,并不意味着购买了版权,文档只能用于自身使用,不得用于其他商业用途(如 [转卖]进行直接盈利或[编辑后售卖]进行间接盈利)。
2、本站所有内容均由合作方或网友上传,本站不对文档的完整性、权威性及其观点立场正确性做任何保证或承诺!文档内容仅供研究参考,付费前请自行鉴别。
3、如文档内容存在违规,或者侵犯商业秘密、侵犯著作权等,请点击“违规举报”。

碎片内容

蜗牛文库的最新文档

二年级数学下册其中检测卷二年级数学下册其中检测卷附答案#期中测试卷.pdf
10.00金币
0下载
二年级数学下册期末质检卷(苏教版)二年级数学下册期末质检卷(苏教版)#期末复习 #期末测试卷 #二年级数学 #二年级数学下册#关注我持续更新小学知识.pdf
10.00金币
0下载
二年级数学下册期末混合运算专项练习二年级数学下册期末混合运算专项练习#二年级#二年级数学下册#关注我持续更新小学知识 #知识分享 #家长收藏孩子受益.pdf
10.00金币
1下载
二年级数学下册年月日三类周期问题解题方法二年级数学下册年月日三类周期问题解题方法#二年级#二年级数学下册#知识分享 #关注我持续更新小学知识 #家长收藏孩子受益.pdf
10.00金币
0下载
二年级数学下册解决问题专项训练二年级数学下册解决问题专项训练#专项训练#解决问题#二年级#二年级数学下册#知识分享.pdf
10.00金币
1下载
二年级数学下册还原问题二年级数学下册还原问题#二年级#二年级数学#关注我持续更新小学知识 #知识分享 #家长收藏孩子受益.pdf
10.00金币
1下载
二年级数学下册第六单元考试卷家长打印出来给孩子测试测试争取拿到高分!#小学二年级试卷分享 #二年级第六单考试数学 #第六单考试#二年级数学下册.pdf
10.00金币
0下载
二年级数学下册必背顺口溜口诀汇总二年级数学下册必背顺口溜口诀汇总#二年级#二年级数学下册 #知识分享 #家长收藏孩子受益 #关注我持续更新小学知识.pdf
10.00金币
0下载
二年级数学下册《重点难点思维题》两大问题解决技巧和方法巧算星期几解决周期问题还原问题强化思维训练老师精心整理家长可以打印出来给孩子练习#家长收藏孩子受益 #学霸秘籍 #思维训练 #二年级 #知识点总结.pdf
10.00金币
0下载
二年级数学下册 必背公式大全寒假提前背一背开学更轻松#二年级 #二年级数学 #二年级数学下册 #寒假充电计划 #公式.pdf
10.00金币
0下载
蜗牛文库+ 关注
实名认证
内容提供者

提供各种专业文档内容

确认删除?
QQ
  • QQ点击这里给我发消息
微信客服
  • 微信客服
回到顶部