电脑桌面
添加蜗牛文库到电脑桌面
安装后可以在桌面快捷访问

GBT 8947-1998 复合塑料编织袋.pdfVIP免费

GBT 8947-1998 复合塑料编织袋.pdf_第1页
GBT 8947-1998 复合塑料编织袋.pdf_第2页
GBT 8947-1998 复合塑料编织袋.pdf_第3页
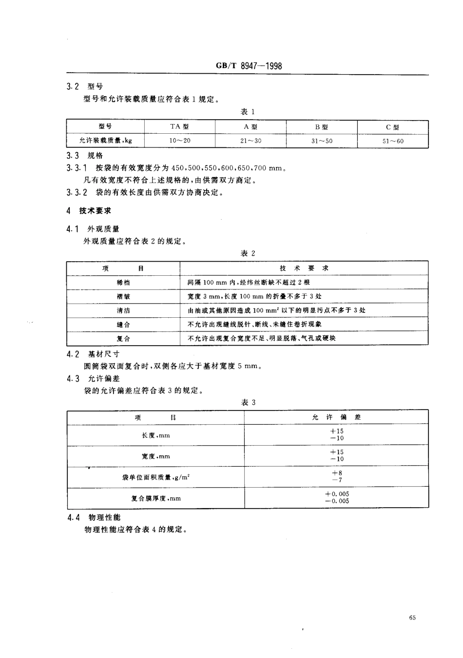
GB/T8947-1998前言本标准是GB8947-88((复合塑料编织袋》的修订版。本标准根据GB/T1.1-1993《标准化工作导则第1单元:标准的起草与表述规则第1部分:标准编写的基本规定》及GB/T1.3---87《标准化工作导则产品标准编写规定》的要求,对原标准中的适用范围、技术要求、试验方法等进行了修订,使产品按型号、单位面积质量进行考核,使其更具系列化。在技术要求中,增加了卫生性能及包装温度的指标及试验方法,与原标准相比,本标准的适用范围更合理,技术指标值更高,试验方法更科学。本标准从生效之日起,同时代替GB8947-88本标准的附录A为标准的附录。本标准由中国轻工总会提出。本标准由全国塑料制品标准化技术委员会归口。本标准起草单位:工贸合营常州塑料编织总厂。本标准主要起草人郑杏珍、徐雅俊。中华人民共和国国家标准GB/T8947-1998复合塑料编织袋代替GB8947-88Compositeplasticwovensack1范围本标准规定了复合塑料编织袋的产品分类、技术要求、试验方法、检验规则及标志、包装、运输、贮存要求本标准适用于以聚丙烯、聚乙烯树脂为原料,经挤出、拉伸成扁丝,再经编织成的塑料编织布(以下简称布)为基材,经流延法复合后制成的用于包装粉状或粒状固体物料及柔性物品的复合塑料编织袋(布/膜复合为二合一,布/膜/纸复合为三合一,经缝制或粘合缝制成袋分别称为二合一袋和三合一袋)(以下简称袋)。2引用标准下列标准所包含的条文,通过在本标准中引用而构成为本标准的条文。本标准出版时,所示版本均为有效。所有标准都会被修订,使用本标准的各方应探讨使用下列标准最新版本的可能性。GB/T1039-92塑料力学性能试验方法总则GB/T1040-92塑料拉伸性能试验方法GB/T2828-87逐批检查计数抽样程序及抽样表(适用于连续批的检查)GB/T4857.5-92包装运输包装件跌落试验方法GB/T5009.60-1996食品包装用聚乙烯、聚苯乙烯、聚丙烯成型品卫生标准的分析方法GB/T8808--88软质复合塑料材料剥离试验方法GB9687-88食品包装用聚乙烯成型品卫生标准GB9688-88食品包装用聚丙烯成型品卫生标准3产品分类3门品种3.1.1按主要材料构成分为聚丙烯二合一袋,聚丙烯三合一袋,聚乙烯二合一袋,聚乙烯三合一袋。3.1.2按缝制方法分为缝底袋、缝边底袋、插口袋、粘合缝制袋(见图1),a)缝底袋b)缝边底袋d)粘合缝制袋a一有效长度:b一有效宽度图1国家质f技术监怪局1998一09一29批准1999一05一01实施GB/T8947-19983.2型号型号和允许装载质量应符合表1规定。表1型号TA型A型B型C型允许装载质...

1、当您付费下载文档后,您只拥有了使用权限,并不意味着购买了版权,文档只能用于自身使用,不得用于其他商业用途(如 [转卖]进行直接盈利或[编辑后售卖]进行间接盈利)。
2、本站所有内容均由合作方或网友上传,本站不对文档的完整性、权威性及其观点立场正确性做任何保证或承诺!文档内容仅供研究参考,付费前请自行鉴别。
3、如文档内容存在违规,或者侵犯商业秘密、侵犯著作权等,请点击“违规举报”。

碎片内容

蜗牛文库的最新文档

二年级数学下册其中检测卷二年级数学下册其中检测卷附答案#期中测试卷.pdf
10.00金币
0下载
二年级数学下册期末质检卷(苏教版)二年级数学下册期末质检卷(苏教版)#期末复习 #期末测试卷 #二年级数学 #二年级数学下册#关注我持续更新小学知识.pdf
10.00金币
0下载
二年级数学下册期末混合运算专项练习二年级数学下册期末混合运算专项练习#二年级#二年级数学下册#关注我持续更新小学知识 #知识分享 #家长收藏孩子受益.pdf
10.00金币
1下载
二年级数学下册年月日三类周期问题解题方法二年级数学下册年月日三类周期问题解题方法#二年级#二年级数学下册#知识分享 #关注我持续更新小学知识 #家长收藏孩子受益.pdf
10.00金币
0下载
二年级数学下册解决问题专项训练二年级数学下册解决问题专项训练#专项训练#解决问题#二年级#二年级数学下册#知识分享.pdf
10.00金币
1下载
二年级数学下册还原问题二年级数学下册还原问题#二年级#二年级数学#关注我持续更新小学知识 #知识分享 #家长收藏孩子受益.pdf
10.00金币
1下载
二年级数学下册第六单元考试卷家长打印出来给孩子测试测试争取拿到高分!#小学二年级试卷分享 #二年级第六单考试数学 #第六单考试#二年级数学下册.pdf
10.00金币
0下载
二年级数学下册必背顺口溜口诀汇总二年级数学下册必背顺口溜口诀汇总#二年级#二年级数学下册 #知识分享 #家长收藏孩子受益 #关注我持续更新小学知识.pdf
10.00金币
0下载
二年级数学下册《重点难点思维题》两大问题解决技巧和方法巧算星期几解决周期问题还原问题强化思维训练老师精心整理家长可以打印出来给孩子练习#家长收藏孩子受益 #学霸秘籍 #思维训练 #二年级 #知识点总结.pdf
10.00金币
0下载
二年级数学下册 必背公式大全寒假提前背一背开学更轻松#二年级 #二年级数学 #二年级数学下册 #寒假充电计划 #公式.pdf
10.00金币
0下载
蜗牛文库+ 关注
实名认证
内容提供者

提供各种专业文档内容

确认删除?
QQ
  • QQ点击这里给我发消息
微信客服
  • 微信客服
回到顶部