电脑桌面
添加蜗牛文库到电脑桌面
安装后可以在桌面快捷访问

GBT 9695.27-1991 肉与肉制品 维生素B1含量测定.pdfVIP免费

GBT 9695.27-1991 肉与肉制品 维生素B1含量测定.pdf_第1页
GBT 9695.27-1991 肉与肉制品 维生素B1含量测定.pdf_第2页
GBT 9695.27-1991 肉与肉制品 维生素B1含量测定.pdf_第3页
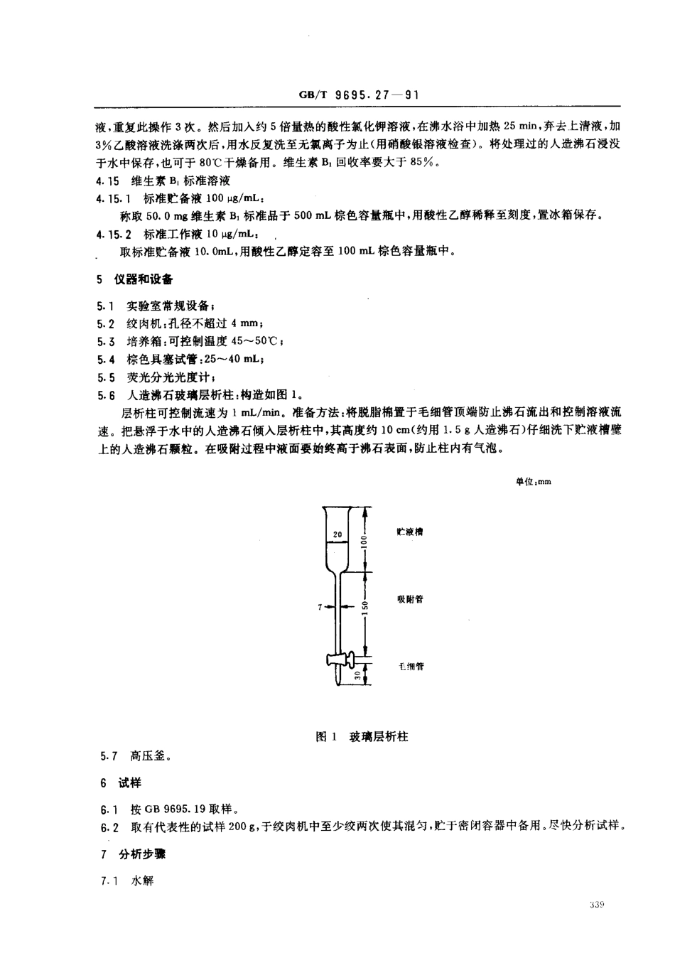
中华人民共和国国家标准肉与肉制品维生素Bl含量测定GB/T9695.27一91Meatandmeatproducts---Methodfordeterminationofvitamin81content1主肠内容与适用范围本标准规定了肉与肉制品中维生素B,含量的测定方法。本标准适用于肉与肉制品中维生素B:含量的测定。2引用标准GB9695.19肉与肉制品取样方法3原理试样用酸水解使维生素B,(硫胺素)游离,维生素B:经酶解、纯化后在碱性高铁氰化钾作用下定量氧化成具有蓝色荧光的硫色素。在激发波长365nm,发射波长435nm处测定其荧光强度,荧光强度与硫色素含量成正比,以此计算维生素B,的含量。4试剂所用试剂均为分析纯,水为蒸馏水或同等纯度的水.4.1乙酸钠(GB694):2mol/L溶液。4.2盐酸(GB622):0.1mot/L溶液。4.3澳甲酚绿pH指示剂:变色范围:pH值为4.0(绿),-5.8(蓝)d0.1g指示剂与。05mol/L氢氧化钠溶液2.8MI,在玛瑙乳钵中研磨溶解,以水稀至200mLo4.4澳酚蓝pH指示剂:变色范围:pH值为3.0(黄)-4.6(蓝)。。1g指示剂与。.05mol/L氢氧化钠溶液3ml,在玛瑙乳钵中研磨溶解,以水稀至250mLo4.5高峰淀粉酶:10%溶液4.6氯化钾(GB646):25%溶液.4.1酸性氯化钾湘夜:每升氯化钾溶液中加入8.5mL浓盐酸。4.8氢氧化钠(GB629):15Yo溶液。4.9铁氰化钾(GB644):1%溶液。4.10氧化剂:100铁氮化钾溶液1mL,用150/n氢氧化钠溶液稀释至100L。临用前配制。4.11异丁醇。4.1295%乙醉(GB679)c20%溶液。4.13酸性乙醇,20%乙醇溶液用。1mot/L盐酸溶液调节pH为3.4-4.34.14人造沸石:市售品要经活化处理活化方法:将粒度40.60目的人造沸石置于烧杯中,加约5倍量的热水搅拌,静鬓后倾出上清液弃去。重复此操作直至上清液透明。国家技术监督局1991一03一26批准接着加入5倍量的3%乙酸溶液搅拌浸泡10min,静置后倾去上清1991一12一01实施GB/T9695.27一91液,重复此操作3次。然后加入约5倍量热的酸性抓化钾溶液,在沸水浴中加热25min,弃去L清液,加3%乙酸溶液洗涤两次后,用水反复洗至无抓离子为止(用硝酸银溶液检查)。将处理过的人造沸石浸没于水中保存,也可于80℃干燥备用。维生素B,回收率要大于85%e4.15维生素B,标准溶液4.15.1标准贮备液100ug/mL,称取50.0mg维生素B,标准品于500mL棕色容量瓶中,用酸性乙醇稀释至刻度,置冰箱保存。4.15.2标准工作液10;ig/mL;取标准贮备液10.OmL,用酸性乙醉定容至100mL棣色容量瓶中。5仪器和设备5.1实验室常规设备;5.2纹肉机:孔径不超过4mm;5.3培养箱:可控制温度45^-500C;5.4棕色具塞试管;25-40mL;5.5荧光分光光度计;5.6...

1、当您付费下载文档后,您只拥有了使用权限,并不意味着购买了版权,文档只能用于自身使用,不得用于其他商业用途(如 [转卖]进行直接盈利或[编辑后售卖]进行间接盈利)。
2、本站所有内容均由合作方或网友上传,本站不对文档的完整性、权威性及其观点立场正确性做任何保证或承诺!文档内容仅供研究参考,付费前请自行鉴别。
3、如文档内容存在违规,或者侵犯商业秘密、侵犯著作权等,请点击“违规举报”。

碎片内容

蜗牛文库的最新文档

二年级数学下册其中检测卷二年级数学下册其中检测卷附答案#期中测试卷.pdf
10.00金币
0下载
二年级数学下册期末质检卷(苏教版)二年级数学下册期末质检卷(苏教版)#期末复习 #期末测试卷 #二年级数学 #二年级数学下册#关注我持续更新小学知识.pdf
10.00金币
0下载
二年级数学下册期末混合运算专项练习二年级数学下册期末混合运算专项练习#二年级#二年级数学下册#关注我持续更新小学知识 #知识分享 #家长收藏孩子受益.pdf
10.00金币
1下载
二年级数学下册年月日三类周期问题解题方法二年级数学下册年月日三类周期问题解题方法#二年级#二年级数学下册#知识分享 #关注我持续更新小学知识 #家长收藏孩子受益.pdf
10.00金币
0下载
二年级数学下册解决问题专项训练二年级数学下册解决问题专项训练#专项训练#解决问题#二年级#二年级数学下册#知识分享.pdf
10.00金币
1下载
二年级数学下册还原问题二年级数学下册还原问题#二年级#二年级数学#关注我持续更新小学知识 #知识分享 #家长收藏孩子受益.pdf
10.00金币
1下载
二年级数学下册第六单元考试卷家长打印出来给孩子测试测试争取拿到高分!#小学二年级试卷分享 #二年级第六单考试数学 #第六单考试#二年级数学下册.pdf
10.00金币
0下载
二年级数学下册必背顺口溜口诀汇总二年级数学下册必背顺口溜口诀汇总#二年级#二年级数学下册 #知识分享 #家长收藏孩子受益 #关注我持续更新小学知识.pdf
10.00金币
0下载
二年级数学下册《重点难点思维题》两大问题解决技巧和方法巧算星期几解决周期问题还原问题强化思维训练老师精心整理家长可以打印出来给孩子练习#家长收藏孩子受益 #学霸秘籍 #思维训练 #二年级 #知识点总结.pdf
10.00金币
0下载
二年级数学下册 必背公式大全寒假提前背一背开学更轻松#二年级 #二年级数学 #二年级数学下册 #寒假充电计划 #公式.pdf
10.00金币
0下载
蜗牛文库+ 关注
实名认证
内容提供者

提供各种专业文档内容

确认删除?
QQ
  • QQ点击这里给我发消息
微信客服
  • 微信客服
回到顶部