电脑桌面
添加蜗牛文库到电脑桌面
安装后可以在桌面快捷访问

GBT 17999.3-1999 SPF鸡血清平板凝集试验.pdfVIP免费

GBT 17999.3-1999 SPF鸡血清平板凝集试验.pdf_第1页
GBT 17999.3-1999 SPF鸡血清平板凝集试验.pdf_第2页
GBT 17999.3-1999 SPF鸡血清平板凝集试验.pdf_第3页
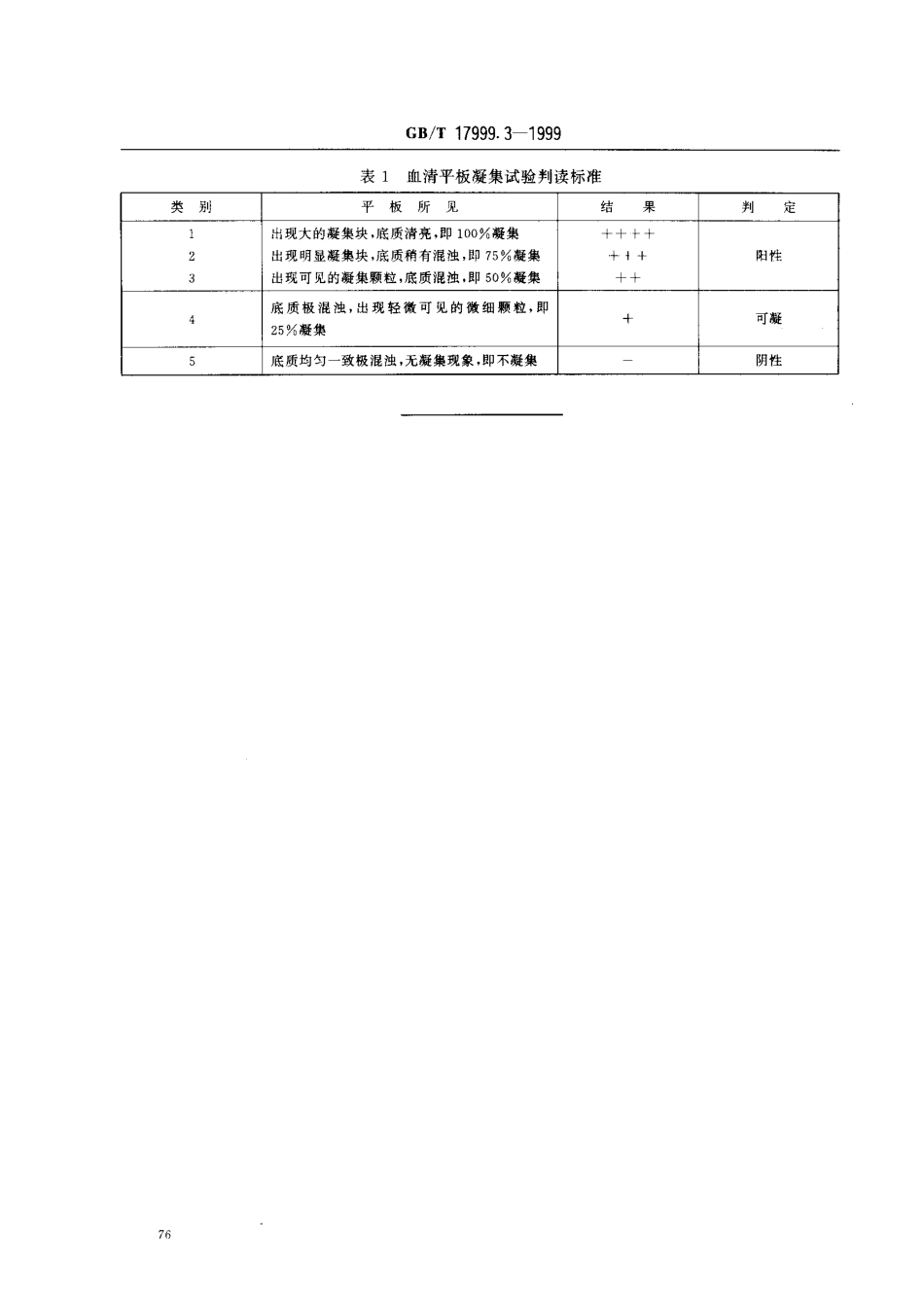
GR/r17999.3-1999前言本标准参照农业部1992年版《鸡白痢一鸡伤寒沙门氏菌多价染色平板凝集抗原与阴、阳性血清制备及检验规程》编制而成SPFx鸟微生物学质量控制国家系列标准,包括SPF鸡微生物学监测总则和9种SPF鸡微生物学检测方法本标准为《SPF鸡血清平板凝集试验》。SPF鸡微生物学检测方法还包括以下部分:GB/T17999.1----1999SPF鸡红细胞凝集抑制试验;GB/T17999.21999SPF鸡血清中和试验;GB/T17999.4-1999SPF鸡琼脂扩散试验;GB/T17999.5一1999SPF鸡酶联免疫吸附试验;GB/T17999.6-1999SPF鸡胚敏感试验;GB/T17999.7--1999SPF鸡鸡白痢沙门氏菌检验;GB/T17999.5-1999SPF鸡试管凝集试验;GB/T17999.9--1999SPF鸡间接免疫荧光试验。本标准由中华人民共和国农业部、国家科学技术部提出。本标准由农业部畜牧兽医司归口本标准起草单位:中国兽药监察所、农业部实验动物研究中心。本标准主要起草人:张学琴、陈德威、赵立红。中华人民共和国国家标准SPF鸡血清平板凝集试验GB/'r17999.3-1999SPFchicken一Serumplateagglutinationtest1范围本标准规定了鸡血清平板凝集试验所用试剂、材料,操作程序及结果判定等。本标准适用于SPF鸡感染以下病原菌后的凝集抗体的监测:鸡白痢沙门氏菌(Salmonellapullo-,一:an),鸡毒支原体(Mycoplasmagallisepticum),滑液囊支原体(Mycoplasma.synoviae),MIJ鸡嗜血杆菌(Haemophilusparagallinarum),2原理血清平板凝集试验是细菌性抗原与相应的抗体结合后,在适量的电解质参与下,经过一段时间出现肉眼可见的凝集现象常采用已知的标准细菌性抗原液检测相应的凝集抗体。3试剂和材料313.1.13.1.23.1.33.23.2.13.2.2试剂凝集抗原。阴性、阳性血清被检血清。材料玻璃板。移液器(TD10川-200阿)及吸头4操作程序4.1使用前10min-20min自冰箱取出抗原、阴性或阳性血清与被检血清,使其达到室温。4.2用移液器吸取充分混匀的诊断抗原一滴(。025ml_一。05ml),垂直滴于玻璃板上,然后迅速在杭原旁边滴加同量的被检血清一滴(0.025mL-0.05mL)4.3用牙签使血清与抗原混合均匀,涂布成直径为1cm-2cm的片状,不断摇动玻璃板,2min内观察结果。4.4试验应在20'C一25C条件下进行。4.5每批试验应设阳性血清与阴性血清对照5结果判定在2min内出现5000(++)以上凝集者为阳性,2min内不凝集(一)者为阴性,介于上述两者之间为叮凝,凝集判读标准见表1。国家质量技术监督局1999一11一10批准2000一04一01实施GB/T17999.3-1999表1血清平板凝集试验判读标准类别平板所见...

1、当您付费下载文档后,您只拥有了使用权限,并不意味着购买了版权,文档只能用于自身使用,不得用于其他商业用途(如 [转卖]进行直接盈利或[编辑后售卖]进行间接盈利)。
2、本站所有内容均由合作方或网友上传,本站不对文档的完整性、权威性及其观点立场正确性做任何保证或承诺!文档内容仅供研究参考,付费前请自行鉴别。
3、如文档内容存在违规,或者侵犯商业秘密、侵犯著作权等,请点击“违规举报”。

碎片内容

蜗牛文库的最新文档

二年级数学下册其中检测卷二年级数学下册其中检测卷附答案#期中测试卷.pdf
10.00金币
0下载
二年级数学下册期末质检卷(苏教版)二年级数学下册期末质检卷(苏教版)#期末复习 #期末测试卷 #二年级数学 #二年级数学下册#关注我持续更新小学知识.pdf
10.00金币
0下载
二年级数学下册期末混合运算专项练习二年级数学下册期末混合运算专项练习#二年级#二年级数学下册#关注我持续更新小学知识 #知识分享 #家长收藏孩子受益.pdf
10.00金币
1下载
二年级数学下册年月日三类周期问题解题方法二年级数学下册年月日三类周期问题解题方法#二年级#二年级数学下册#知识分享 #关注我持续更新小学知识 #家长收藏孩子受益.pdf
10.00金币
0下载
二年级数学下册解决问题专项训练二年级数学下册解决问题专项训练#专项训练#解决问题#二年级#二年级数学下册#知识分享.pdf
10.00金币
1下载
二年级数学下册还原问题二年级数学下册还原问题#二年级#二年级数学#关注我持续更新小学知识 #知识分享 #家长收藏孩子受益.pdf
10.00金币
1下载
二年级数学下册第六单元考试卷家长打印出来给孩子测试测试争取拿到高分!#小学二年级试卷分享 #二年级第六单考试数学 #第六单考试#二年级数学下册.pdf
10.00金币
0下载
二年级数学下册必背顺口溜口诀汇总二年级数学下册必背顺口溜口诀汇总#二年级#二年级数学下册 #知识分享 #家长收藏孩子受益 #关注我持续更新小学知识.pdf
10.00金币
0下载
二年级数学下册《重点难点思维题》两大问题解决技巧和方法巧算星期几解决周期问题还原问题强化思维训练老师精心整理家长可以打印出来给孩子练习#家长收藏孩子受益 #学霸秘籍 #思维训练 #二年级 #知识点总结.pdf
10.00金币
0下载
二年级数学下册 必背公式大全寒假提前背一背开学更轻松#二年级 #二年级数学 #二年级数学下册 #寒假充电计划 #公式.pdf
10.00金币
0下载
蜗牛文库+ 关注
实名认证
内容提供者

提供各种专业文档内容

确认删除?
QQ
  • QQ点击这里给我发消息
微信客服
  • 微信客服
回到顶部