电脑桌面
添加蜗牛文库到电脑桌面
安装后可以在桌面快捷访问

GBT 13529-2003 乙氧基化烷基硫酸钠.pdfVIP免费

GBT 13529-2003 乙氧基化烷基硫酸钠.pdf_第1页
GBT 13529-2003 乙氧基化烷基硫酸钠.pdf_第2页
GBT 13529-2003 乙氧基化烷基硫酸钠.pdf_第3页
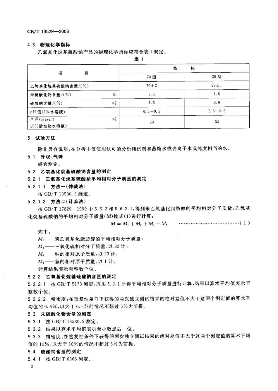
GB/T13529-2003月U吕本标准是对GB/T13529-1992《乙氧基化烷基硫酸钠》的修订。本标准主要修订了以下内容:—取消等级划分;—对高浓度产品和低浓度产品分别设立各项指标;—未硫酸化物含量指标和表达方式;一一硫酸钠含量指标和表达方式;—pH值指标和表达方式;—色泽指标本标准由中国轻工业联合会提出。本标准由全国表面活性剂洗涤用品标准化中心归口。本标准起草单位:浙江吉利达化工有限公司、中国日用化学工业研究院本标准主要起草人:贝澄、冷晓力、孙明和、任红华、孔莲。本标准所代替标准的历次版本发布情况为:—GB/T13529-1992GB/T13529-2003乙氧基化烷基硫酸钠范围本标准规定了乙氧基化烷基硫酸钠的产品分类、技术要求、试验方法、检验规则和标志、包装、运输、贮存要求。本标准适用于各种工艺生产的乙氧基化烷基硫酸钠工业产品。2规范性引用文件下列文件中的条款通过本标准的引用而成为本标准的条款。凡是注日期的引用文件,其随后所有的修改单(不包括勘误的内容)或修改版均不适用于本标准,然而,鼓励根据本标准达成协议的各方研究是否可使用这些文件的最新版本。凡是不注日期的引用文件,其最新版本适用于本标准。GB/T3143液体化学产品颜色测定法(Hazen单位一铂一钻色号)GB/T5173表面活性剂和洗涤剂阴离子活性物的测定直接两相滴定法(GB/T5173-1995,eqvISO2271;1989)GB/T6366表面活性剂无机硫酸盐含量的测定滴定法(GB/T6366-1992,neqISO6844:1983)GB/T6368表面活性剂水溶液pH值的m9定电位法(GB/T6368-1993,eqvISO4316:1977)GB/T13530.2乙氧基化烷基硫酸钠未硫酸化物含量的测定(GB/T13530.2-1992,neqISO8799:1988)GB/T13530.3乙氧基化烷基硫酸钠平均相对分子量的测定(GB/T13530.3--1992,eqvISO6843:1988)GB/T17829-1999聚乙氧基化脂肪醇·3产品分类3.1结构式乙氧基化烷基硫酸钠简称AES,其分子式为:RO(C,H,O)SO.Na(R为C12-C,烷基;n=2^-3)3.2分类高浓度产品:70型。低浓度产品:28型。4技术要求4.1外观70型:25℃时,白色或浅黄色凝胶状膏体。28型:25℃时,无色或浅黄色液体4.2气味无异常气味。GB/T13529-20034.3物理化学指标乙氧基化烷基硫酸钠产品的物理化学指标应符合表1规定。表1项目指标70型28型乙氧基化烷基硫酸钠含量/(写)70士228士1未硫酸化物含量/(%)镇3.51.5硫酸钠含量/(%)镇1.50.6pH值(1%水溶液)6.5^9.56.5~9.5色泽(Hazen)((5%活性物水溶液)30305试验方法除非另有说明,在分析中仅使用认可的分析纯试剂和蒸馏水或去离子水或纯度相当的水...

1、当您付费下载文档后,您只拥有了使用权限,并不意味着购买了版权,文档只能用于自身使用,不得用于其他商业用途(如 [转卖]进行直接盈利或[编辑后售卖]进行间接盈利)。
2、本站所有内容均由合作方或网友上传,本站不对文档的完整性、权威性及其观点立场正确性做任何保证或承诺!文档内容仅供研究参考,付费前请自行鉴别。
3、如文档内容存在违规,或者侵犯商业秘密、侵犯著作权等,请点击“违规举报”。

碎片内容

蜗牛文库的最新文档

二年级数学下册其中检测卷二年级数学下册其中检测卷附答案#期中测试卷.pdf
10.00金币
0下载
二年级数学下册期末质检卷(苏教版)二年级数学下册期末质检卷(苏教版)#期末复习 #期末测试卷 #二年级数学 #二年级数学下册#关注我持续更新小学知识.pdf
10.00金币
0下载
二年级数学下册期末混合运算专项练习二年级数学下册期末混合运算专项练习#二年级#二年级数学下册#关注我持续更新小学知识 #知识分享 #家长收藏孩子受益.pdf
10.00金币
1下载
二年级数学下册年月日三类周期问题解题方法二年级数学下册年月日三类周期问题解题方法#二年级#二年级数学下册#知识分享 #关注我持续更新小学知识 #家长收藏孩子受益.pdf
10.00金币
0下载
二年级数学下册解决问题专项训练二年级数学下册解决问题专项训练#专项训练#解决问题#二年级#二年级数学下册#知识分享.pdf
10.00金币
1下载
二年级数学下册还原问题二年级数学下册还原问题#二年级#二年级数学#关注我持续更新小学知识 #知识分享 #家长收藏孩子受益.pdf
10.00金币
1下载
二年级数学下册第六单元考试卷家长打印出来给孩子测试测试争取拿到高分!#小学二年级试卷分享 #二年级第六单考试数学 #第六单考试#二年级数学下册.pdf
10.00金币
0下载
二年级数学下册必背顺口溜口诀汇总二年级数学下册必背顺口溜口诀汇总#二年级#二年级数学下册 #知识分享 #家长收藏孩子受益 #关注我持续更新小学知识.pdf
10.00金币
0下载
二年级数学下册《重点难点思维题》两大问题解决技巧和方法巧算星期几解决周期问题还原问题强化思维训练老师精心整理家长可以打印出来给孩子练习#家长收藏孩子受益 #学霸秘籍 #思维训练 #二年级 #知识点总结.pdf
10.00金币
0下载
二年级数学下册 必背公式大全寒假提前背一背开学更轻松#二年级 #二年级数学 #二年级数学下册 #寒假充电计划 #公式.pdf
10.00金币
0下载
蜗牛文库+ 关注
实名认证
内容提供者

提供各种专业文档内容

确认删除?
QQ
  • QQ点击这里给我发消息
微信客服
  • 微信客服
回到顶部