电脑桌面
添加蜗牛文库到电脑桌面
安装后可以在桌面快捷访问

GB 17946-2000 绍兴酒(绍兴黄酒).pdfVIP免费

GB 17946-2000 绍兴酒(绍兴黄酒).pdf_第1页
GB 17946-2000 绍兴酒(绍兴黄酒).pdf_第2页
GB 17946-2000 绍兴酒(绍兴黄酒).pdf_第3页
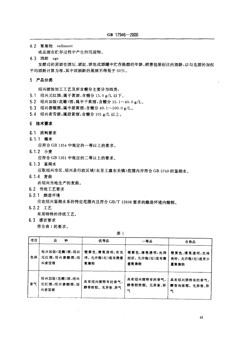
GB17946-2000前言本标准是根据《原产地域产品保护规定》及GB17924-1999《原产地域产品通用要求》而制定的。本标准与GB/T13662-1992《黄酒》的主要差异是:本标准规定的酒精度、除搪固形物等主要技术指标高于《黄酒》国家标准的要求,并增加了体现绍兴酒醇香的挥发酷指标及反映绍兴酒风格的独特工艺要求,重点突出了感官要求,试验方法、检验规则、标志、包装、贮运规定与GB/T13662保持一致。本标准由浙江省技术监督局提出。本标准由全国食品工业标准化技术委员会酿酒分会归口。本标准起草单位:绍兴市技术监督局、中国绍兴黄酒集团公司、绍兴东风酒厂、中国食品发酵研究所本标准主要起草人:俞有灿、李家寿、潘兴祥、田栖静。中华人民共和国国家标准绍兴酒(绍兴黄酒)GB17946-2000ShaoXingricewine1范围本标准规定了绍兴酒的定义、产品分类、技术要求、试验方法、检验规则及标志、包装、运输、贮存。本标准适用于在绍兴鉴湖水系范围内列人国务院质量技术监督行政主管部门发布的《原产地域产品保护规定目录》中的绍兴酒,又称绍兴黄酒或绍兴老酒(以下统一简称绍兴酒)。2引用标准下列标准所包含的条文,通过在本标准中引用而构成为本标准的条文。本标准出版时,所示版本均为有效。所有标准都会被修订,使用本标准的各方应探讨使用下列标准最新版本的可能性。GB/T601-1988化学试剂滴定分析(容量分析)用标准溶液的制备GB/T603-1988化学试剂试验方法中所用制剂及制品的制备GB1351--1986小麦GB1354-1986大米GB2758-1981发酵酒卫生标准GB4789.25-1994食品卫生微生物学检验酒类检验GB/T5009.12-1996食品中铅的测定方法GB/T5009.22--1996食品中黄曲霉毒素B,的测定GB5490^-5593-1985粮食、油料及植物油脂检验GB5749-1985生活饮用水卫生标准GB/T5750-1985生活饮用水标准检验法GB7718--1994食品标签通用标准GB10344---1989饮料酒标签标准GB/T12698-1990黄酒厂卫生规范GB/T13662-1992黄酒GB/T13868-1992感官分析建立感官分析实验室一般导则3原产地域范围本标准适用于国家质量技术监督局根据《原产地域产品保护规定》批准的绍兴酒原产地域范围。4定义本标准采用下列定义。4.1绍兴酒(绍兴黄酒或绍兴老酒)ShaoXingricewine以优质糯米、小麦和在绍兴特定地域内的鉴湖水为原料,经过独特工艺发酵酿造而成的优质黄酒。-一-‘一钾~一.-一~~一一--~一一一一一一.-一一~.--~‘一~目一一份~一一一目一-国家质f技术监餐局2000一01一20批准2000一04一01实施GB17946-20004.2聚集...

1、当您付费下载文档后,您只拥有了使用权限,并不意味着购买了版权,文档只能用于自身使用,不得用于其他商业用途(如 [转卖]进行直接盈利或[编辑后售卖]进行间接盈利)。
2、本站所有内容均由合作方或网友上传,本站不对文档的完整性、权威性及其观点立场正确性做任何保证或承诺!文档内容仅供研究参考,付费前请自行鉴别。
3、如文档内容存在违规,或者侵犯商业秘密、侵犯著作权等,请点击“违规举报”。

碎片内容

蜗牛文库的最新文档

二年级数学下册其中检测卷二年级数学下册其中检测卷附答案#期中测试卷.pdf
10.00金币
0下载
二年级数学下册期末质检卷(苏教版)二年级数学下册期末质检卷(苏教版)#期末复习 #期末测试卷 #二年级数学 #二年级数学下册#关注我持续更新小学知识.pdf
10.00金币
0下载
二年级数学下册期末混合运算专项练习二年级数学下册期末混合运算专项练习#二年级#二年级数学下册#关注我持续更新小学知识 #知识分享 #家长收藏孩子受益.pdf
10.00金币
1下载
二年级数学下册年月日三类周期问题解题方法二年级数学下册年月日三类周期问题解题方法#二年级#二年级数学下册#知识分享 #关注我持续更新小学知识 #家长收藏孩子受益.pdf
10.00金币
0下载
二年级数学下册解决问题专项训练二年级数学下册解决问题专项训练#专项训练#解决问题#二年级#二年级数学下册#知识分享.pdf
10.00金币
1下载
二年级数学下册还原问题二年级数学下册还原问题#二年级#二年级数学#关注我持续更新小学知识 #知识分享 #家长收藏孩子受益.pdf
10.00金币
1下载
二年级数学下册第六单元考试卷家长打印出来给孩子测试测试争取拿到高分!#小学二年级试卷分享 #二年级第六单考试数学 #第六单考试#二年级数学下册.pdf
10.00金币
0下载
二年级数学下册必背顺口溜口诀汇总二年级数学下册必背顺口溜口诀汇总#二年级#二年级数学下册 #知识分享 #家长收藏孩子受益 #关注我持续更新小学知识.pdf
10.00金币
0下载
二年级数学下册《重点难点思维题》两大问题解决技巧和方法巧算星期几解决周期问题还原问题强化思维训练老师精心整理家长可以打印出来给孩子练习#家长收藏孩子受益 #学霸秘籍 #思维训练 #二年级 #知识点总结.pdf
10.00金币
0下载
二年级数学下册 必背公式大全寒假提前背一背开学更轻松#二年级 #二年级数学 #二年级数学下册 #寒假充电计划 #公式.pdf
10.00金币
0下载
蜗牛文库+ 关注
实名认证
内容提供者

提供各种专业文档内容

确认删除?
QQ
  • QQ点击这里给我发消息
微信客服
  • 微信客服
回到顶部