电脑桌面
添加蜗牛文库到电脑桌面
安装后可以在桌面快捷访问

GB 16322-1996 植物蛋白饮料卫生标准.pdfVIP免费

GB 16322-1996 植物蛋白饮料卫生标准.pdf_第1页
GB 16322-1996 植物蛋白饮料卫生标准.pdf_第2页
GB 16322-1996 植物蛋白饮料卫生标准.pdf_第3页
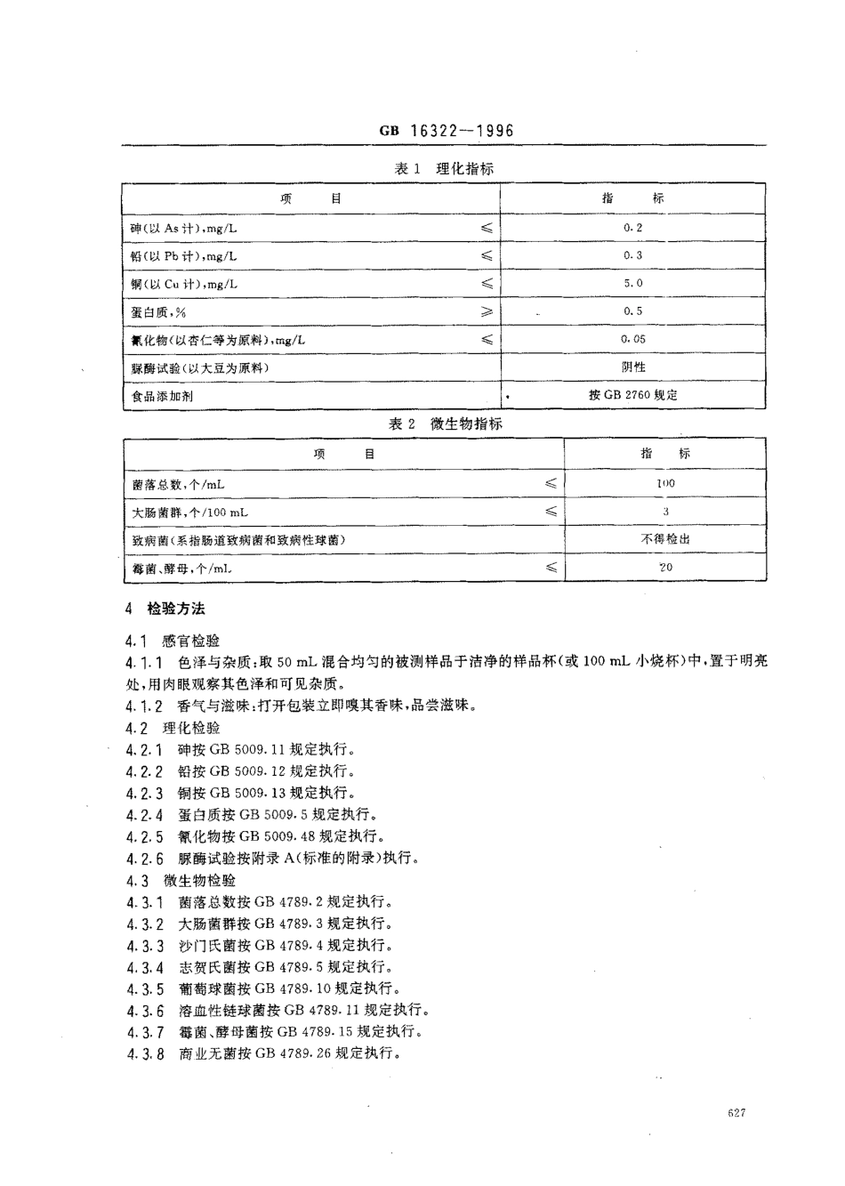
GB16322-1996前言本标准是全国冷饮食品卫生标准协作组依据国家八五规划起草的,它规定了植物蛋白饮料的卫生要求和检验方法。从而为食品卫生监督机构对植物蛋白饮料的监督监测提供了全国的统一要求本标准的附录A是标准的附录本标准由卫生部卫生监督司提出。本标准起草单位:辽宁省食品卫生监督检验所、北京市食品卫生监督检验所、天津市食品卫生监督检验所。本标准主要起草人王旭大、徐继康、杨玉芝、徐留发、陆守政等。本标准由卫生部委托技术归口单位卫生部食品卫生监督检验所负责解释。中华人民共和国国家标准GB16322一1996植物蛋白饮料卫生标准Hygienicstandardsofvegetableproteindrinking1范围本标准规定了植物蛋白饮料的卫生要求和检验方法。本标准适用于以植物果仁、果肉及大豆为原料(如大豆、花生、杏仁、核桃仁、椰子等)经加工、调配后,再经高压杀菌或无菌包装制得的乳状饮料。2引用标准下列标准所包含的条文,通过在本标准中引用而构成为本标准的条文。本标准出版时,所示版本均为有效。所有标准都会被修订,使用本标准的各方应探讨使用下列标准最新版本的可能性。GB2760-86食品添加剂使用卫生标准GB4789.2-94食品卫生微生物学检验菌落总数测定GB4789.3-94食品卫生微生物学检验大肠菌群测定GB4789.4-94食品卫生微生物学检验沙门氏菌检验GB4789.5-94食品卫生微生物学检验志贺氏菌检验GB4789.10-94食品卫生微生物学检验葡萄球菌检验GB4789.11-94食品卫生微生物学检验溶血性链球菌检验GB4789.15-94食品卫生微生物学检验霉菌和酵母菌总数测定GB4789.26-94食品卫生微生物学检验罐头食品商业无菌的检验GB5009.5-85食品中蛋白质的测定方法GB5009.11-1996食品中总砷的测定方法GB5009.12-1996食品中铅的M定方法GB5009.13-1996食品中铜的测定方法GB5009.48-1996蒸馏酒及配制酒卫生标准的分析方法3卫生要求3.,感官指标具有该产品应有的色泽、香气、滋味,不得有异味、异臭以及肉眼可见杂质。可允许有少量脂肪上浮及蛋白质沉淀。3.2理化指标理化指标应符合表1的规定。3.3微生物指标罐装植物蛋白饮料微生物指标应符合商业无菌,其他包装应符合表2的规定。中华人民共和国卫生部1996一06一19批准1996一09一01实施GB16322一1996表1理化指标项目指标砷(以As计),mg/L<-0.2铅(以Pb计),mg/L镬0.3铜(以Cu计),mg/L城50蛋白质,%)0.5氛化物W杏仁等为原料),mg几

1、当您付费下载文档后,您只拥有了使用权限,并不意味着购买了版权,文档只能用于自身使用,不得用于其他商业用途(如 [转卖]进行直接盈利或[编辑后售卖]进行间接盈利)。
2、本站所有内容均由合作方或网友上传,本站不对文档的完整性、权威性及其观点立场正确性做任何保证或承诺!文档内容仅供研究参考,付费前请自行鉴别。
3、如文档内容存在违规,或者侵犯商业秘密、侵犯著作权等,请点击“违规举报”。

碎片内容

蜗牛文库的最新文档

二年级数学下册其中检测卷二年级数学下册其中检测卷附答案#期中测试卷.pdf
10.00金币
0下载
二年级数学下册期末质检卷(苏教版)二年级数学下册期末质检卷(苏教版)#期末复习 #期末测试卷 #二年级数学 #二年级数学下册#关注我持续更新小学知识.pdf
10.00金币
0下载
二年级数学下册期末混合运算专项练习二年级数学下册期末混合运算专项练习#二年级#二年级数学下册#关注我持续更新小学知识 #知识分享 #家长收藏孩子受益.pdf
10.00金币
1下载
二年级数学下册年月日三类周期问题解题方法二年级数学下册年月日三类周期问题解题方法#二年级#二年级数学下册#知识分享 #关注我持续更新小学知识 #家长收藏孩子受益.pdf
10.00金币
0下载
二年级数学下册解决问题专项训练二年级数学下册解决问题专项训练#专项训练#解决问题#二年级#二年级数学下册#知识分享.pdf
10.00金币
1下载
二年级数学下册还原问题二年级数学下册还原问题#二年级#二年级数学#关注我持续更新小学知识 #知识分享 #家长收藏孩子受益.pdf
10.00金币
1下载
二年级数学下册第六单元考试卷家长打印出来给孩子测试测试争取拿到高分!#小学二年级试卷分享 #二年级第六单考试数学 #第六单考试#二年级数学下册.pdf
10.00金币
0下载
二年级数学下册必背顺口溜口诀汇总二年级数学下册必背顺口溜口诀汇总#二年级#二年级数学下册 #知识分享 #家长收藏孩子受益 #关注我持续更新小学知识.pdf
10.00金币
0下载
二年级数学下册《重点难点思维题》两大问题解决技巧和方法巧算星期几解决周期问题还原问题强化思维训练老师精心整理家长可以打印出来给孩子练习#家长收藏孩子受益 #学霸秘籍 #思维训练 #二年级 #知识点总结.pdf
10.00金币
0下载
二年级数学下册 必背公式大全寒假提前背一背开学更轻松#二年级 #二年级数学 #二年级数学下册 #寒假充电计划 #公式.pdf
10.00金币
0下载
蜗牛文库+ 关注
实名认证
内容提供者

提供各种专业文档内容

确认删除?
QQ
  • QQ点击这里给我发消息
微信客服
  • 微信客服