电脑桌面
添加蜗牛文库到电脑桌面
安装后可以在桌面快捷访问

GB 2713-1996 淀粉类制品卫生标准.pdfVIP免费

GB 2713-1996 淀粉类制品卫生标准.pdf_第1页
GB 2713-1996 淀粉类制品卫生标准.pdf_第2页
GB 2713-1996 淀粉类制品卫生标准.pdf_第3页
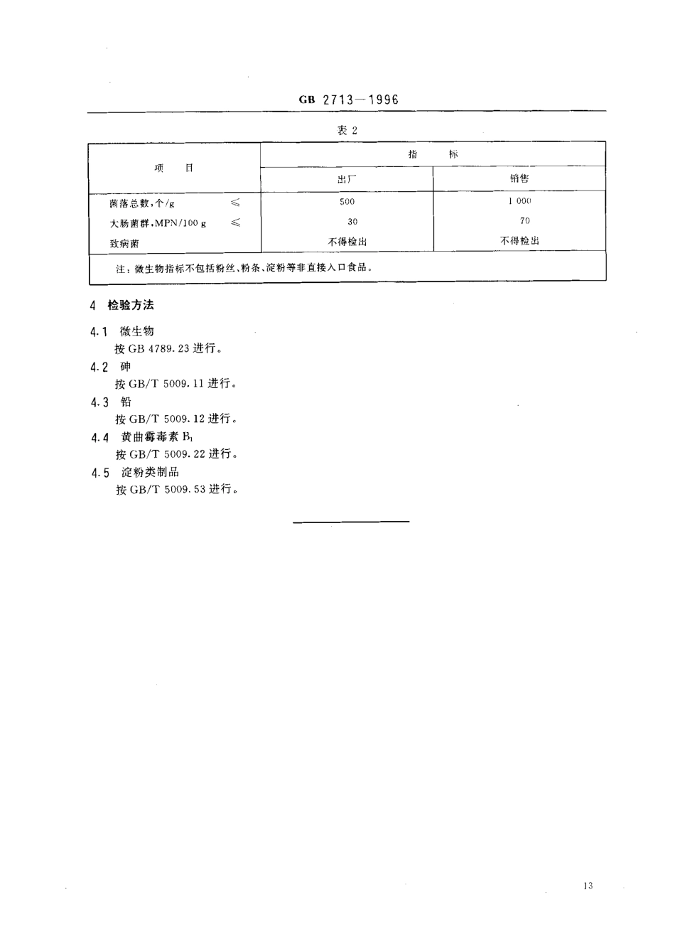
GB2713一1996前言在对GB2713-81((淀粉类制品卫生标准》进行修订时,保留了GB2713-81实践证明适合我国情况而又不妨碍国际通用的内容。、根据实测数据,由全国淀粉类制品n生标准研究协作组承担修订各部分内容,除销售环节中的大肠·菌群修改为G70个/100g外,其余部分基本上维持原标准。本标准于1981年首次发布,1996年11月进行第一次修订。本标准从实施之白起,同时代替GB2713-81,本标准由中华人民共和国卫生部提出。本标准主要起草单位:北京市食品卫生监督检验所、重庆市食品卫生监督检验所、山东省食品卫生监督检验所。本标准主要起草人:丁秀英、张泽、何中臣、王桂春。本标准由卫生部委托技术归口单位卫生部食品卫生监督检验所负责解释中华人民共和国国家标准GB2713一门996淀粉类制品卫生标准代替GB271381Hygienicstandardforstarchproducts1范围本标准规定了淀粉类制品的H生要求和检验方法。本标准适用卜互类、薯类等粮食淀粉为原料制成的凉粉、粉皮等蒸煮制品及粉丝、粉条、淀粉等。2引用标准}‘列标准所包含的条文通过在本标准中引用而构成为本标准的条文。本标准出版时,所示版本均为有效所有标准都会被修订.使用本标准的各方应探讨使用下列标准最新版本的可能性。GB2760-86食品添加剂使用L生标准GB4759.23-94食品卫生微生物学检验冷食菜、豆制品检验GB/T5009.11-1996食品中砷的测定方法GB/T5009.12-1996食品中铅的测定方法GB/T5009.22-1996食品中黄曲霉素B的测定方法GB/T5009.53-1996淀粉类制品卫生标礁的分析方法3卫生要求3.1感官指标具有本品种固有的体态和色徉,不酸,不粘,无异味,无杂质3.2f1!化指标理化指标应符合表1的规定表1ml;/kg砷(以A,计)铅(以PI:计)食创添加剂黄曲霉毒素11指标O5按G112760规定注:黄曲霉毒素“、单位以,,g/kg表示3.3微生物指标微牛物指标应符合表艺的规定。中华人民共和国卫生部1996-1127批准1997-05-01实施GB2713一1996项日指标出厂销售菌落总数,个/9蕊大肠菌群,MPN/100g(致病菌5003O不得检出100070不得检出注:微生物指标不包括粉丝、粉条、淀粉等非直接入口食品4检验方法4.1微生物按GB4789.23进行。4.2砷按GB/T5009.11进行。4.3铅按GB/T5009.12进行。4.4黄曲霉毒素Bl按GB/T5009.22进行4.5淀粉类制品按GB/T5009.53进行。

1、当您付费下载文档后,您只拥有了使用权限,并不意味着购买了版权,文档只能用于自身使用,不得用于其他商业用途(如 [转卖]进行直接盈利或[编辑后售卖]进行间接盈利)。
2、本站所有内容均由合作方或网友上传,本站不对文档的完整性、权威性及其观点立场正确性做任何保证或承诺!文档内容仅供研究参考,付费前请自行鉴别。
3、如文档内容存在违规,或者侵犯商业秘密、侵犯著作权等,请点击“违规举报”。

碎片内容

蜗牛文库的最新文档

二年级数学下册其中检测卷二年级数学下册其中检测卷附答案#期中测试卷.pdf
10.00金币
0下载
二年级数学下册期末质检卷(苏教版)二年级数学下册期末质检卷(苏教版)#期末复习 #期末测试卷 #二年级数学 #二年级数学下册#关注我持续更新小学知识.pdf
10.00金币
0下载
二年级数学下册期末混合运算专项练习二年级数学下册期末混合运算专项练习#二年级#二年级数学下册#关注我持续更新小学知识 #知识分享 #家长收藏孩子受益.pdf
10.00金币
1下载
二年级数学下册年月日三类周期问题解题方法二年级数学下册年月日三类周期问题解题方法#二年级#二年级数学下册#知识分享 #关注我持续更新小学知识 #家长收藏孩子受益.pdf
10.00金币
0下载
二年级数学下册解决问题专项训练二年级数学下册解决问题专项训练#专项训练#解决问题#二年级#二年级数学下册#知识分享.pdf
10.00金币
1下载
二年级数学下册还原问题二年级数学下册还原问题#二年级#二年级数学#关注我持续更新小学知识 #知识分享 #家长收藏孩子受益.pdf
10.00金币
1下载
二年级数学下册第六单元考试卷家长打印出来给孩子测试测试争取拿到高分!#小学二年级试卷分享 #二年级第六单考试数学 #第六单考试#二年级数学下册.pdf
10.00金币
0下载
二年级数学下册必背顺口溜口诀汇总二年级数学下册必背顺口溜口诀汇总#二年级#二年级数学下册 #知识分享 #家长收藏孩子受益 #关注我持续更新小学知识.pdf
10.00金币
0下载
二年级数学下册《重点难点思维题》两大问题解决技巧和方法巧算星期几解决周期问题还原问题强化思维训练老师精心整理家长可以打印出来给孩子练习#家长收藏孩子受益 #学霸秘籍 #思维训练 #二年级 #知识点总结.pdf
10.00金币
0下载
二年级数学下册 必背公式大全寒假提前背一背开学更轻松#二年级 #二年级数学 #二年级数学下册 #寒假充电计划 #公式.pdf
10.00金币
0下载
蜗牛文库+ 关注
实名认证
内容提供者

提供各种专业文档内容

确认删除?
QQ
  • QQ点击这里给我发消息
微信客服
  • 微信客服
回到顶部