电脑桌面
添加蜗牛文库到电脑桌面
安装后可以在桌面快捷访问

GB 2759.2-1996 碳酸饮料卫生标准.pdfVIP免费

GB 2759.2-1996 碳酸饮料卫生标准.pdf_第1页
GB 2759.2-1996 碳酸饮料卫生标准.pdf_第2页
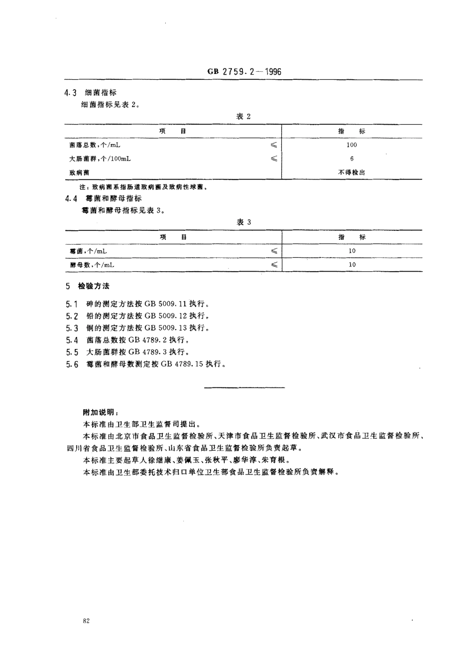
中华人民共和国国家标准GB2759.2一1996碳酸饮料卫生标准代替GB2759--81Hygienicstandardforcarbonateddrinks1主题内容与适用范围本标准规定了碳酸饮料卫生要求本标准适用于碳酸饮料2引用标准GB276。食品添加剂使用卫生标准GB4789.2食品卫生微生物学检验菌落总数测定GB4789.3食品卫生微生物学检验大肠菌群测定GB4789.15-94食品卫生微生物学检验霉菌和酵母数测定GB5009.11食品中总砷的测定方法GB5009.12食品中铅的测定方法GB5009.13食品中铜的测定方法GB10789软饮料的分类3术语碳酸饮料:a,在经过纯化的饮用水中,压人二氧化碳气的饮料。b.在糖液中,加人果汁(或不加果汁)、酸味剂及食用香精等制成调合糖浆。然后加入碳酸水(或调合糖浆与水按比例混合后,吸收碳酸气)而制成的饮料。4卫生要求4.1感官指标产品应具有主要成分的纯净色泽、滋味,不得有异味、异臭和外来杂物。4.2理化指标理化指标见表1.表1项目指标砷(以As计),mg/kg簇铅(以Pb计),mg/kg镇铜(以Cu计),mg/kg簇食品添加剂0.20.35按GB2760规定中华人民共和国卫生部1996-06-19批准1996-09-01实施CB2759.2一19964.3细菌指标细菌指标见表2-一簇簇-表一一一表项目菌落总数,个/ml.大肠菌群,个/100mL致病菌指标1006不得检出注:致病菌系指肠道致病菌及致病性球菌.4.4霉菌和醉母指标霉菌和醉母指标见表3。项目指标霉茵,个/ML10醉母数,个/.L《105检验方法月.1勺L九j5.5月qr月︸5.5.5.6砷的测定方法按GB5009.11执行铅的测定方法按GB5009.12执行。铜的测定方法按GB5009.玲执行。菌落总数按GB4789.2执行大肠菌群按GB4789.3执行。霉苗和酵母数测定按GB4789.15执行。附加说明:本标准由卫生部卫生监督司提出。本标准由北京市食品卫生监督检验所、天津市食品卫生监督检验所、武汉市食品卫生监督检验所、四川省食品卫生监督检验所、山东省食品卫生监督检验所负责起草。本标准主要起草人徐继康、姜佩玉、张秋平、廖华淳、朱育根。本标准由卫生部委托技术归口单位卫生郭食品卫生监督检验所负责解释。

1、当您付费下载文档后,您只拥有了使用权限,并不意味着购买了版权,文档只能用于自身使用,不得用于其他商业用途(如 [转卖]进行直接盈利或[编辑后售卖]进行间接盈利)。
2、本站所有内容均由合作方或网友上传,本站不对文档的完整性、权威性及其观点立场正确性做任何保证或承诺!文档内容仅供研究参考,付费前请自行鉴别。
3、如文档内容存在违规,或者侵犯商业秘密、侵犯著作权等,请点击“违规举报”。

碎片内容

蜗牛文库的最新文档

二年级数学下册其中检测卷二年级数学下册其中检测卷附答案#期中测试卷.pdf
10.00金币
0下载
二年级数学下册期末质检卷(苏教版)二年级数学下册期末质检卷(苏教版)#期末复习 #期末测试卷 #二年级数学 #二年级数学下册#关注我持续更新小学知识.pdf
10.00金币
0下载
二年级数学下册期末混合运算专项练习二年级数学下册期末混合运算专项练习#二年级#二年级数学下册#关注我持续更新小学知识 #知识分享 #家长收藏孩子受益.pdf
10.00金币
1下载
二年级数学下册年月日三类周期问题解题方法二年级数学下册年月日三类周期问题解题方法#二年级#二年级数学下册#知识分享 #关注我持续更新小学知识 #家长收藏孩子受益.pdf
10.00金币
0下载
二年级数学下册解决问题专项训练二年级数学下册解决问题专项训练#专项训练#解决问题#二年级#二年级数学下册#知识分享.pdf
10.00金币
1下载
二年级数学下册还原问题二年级数学下册还原问题#二年级#二年级数学#关注我持续更新小学知识 #知识分享 #家长收藏孩子受益.pdf
10.00金币
1下载
二年级数学下册第六单元考试卷家长打印出来给孩子测试测试争取拿到高分!#小学二年级试卷分享 #二年级第六单考试数学 #第六单考试#二年级数学下册.pdf
10.00金币
0下载
二年级数学下册必背顺口溜口诀汇总二年级数学下册必背顺口溜口诀汇总#二年级#二年级数学下册 #知识分享 #家长收藏孩子受益 #关注我持续更新小学知识.pdf
10.00金币
0下载
二年级数学下册《重点难点思维题》两大问题解决技巧和方法巧算星期几解决周期问题还原问题强化思维训练老师精心整理家长可以打印出来给孩子练习#家长收藏孩子受益 #学霸秘籍 #思维训练 #二年级 #知识点总结.pdf
10.00金币
0下载
二年级数学下册 必背公式大全寒假提前背一背开学更轻松#二年级 #二年级数学 #二年级数学下册 #寒假充电计划 #公式.pdf
10.00金币
0下载
蜗牛文库+ 关注
实名认证
内容提供者

提供各种专业文档内容

确认删除?
QQ
  • QQ点击这里给我发消息
微信客服
  • 微信客服
回到顶部