电脑桌面
添加蜗牛文库到电脑桌面
安装后可以在桌面快捷访问

GB 1917-1994 食品添加剂 液体二氧化碳(发酵法).pdfVIP免费

GB 1917-1994 食品添加剂 液体二氧化碳(发酵法).pdf_第1页
GB 1917-1994 食品添加剂 液体二氧化碳(发酵法).pdf_第2页
GB 1917-1994 食品添加剂 液体二氧化碳(发酵法).pdf_第3页
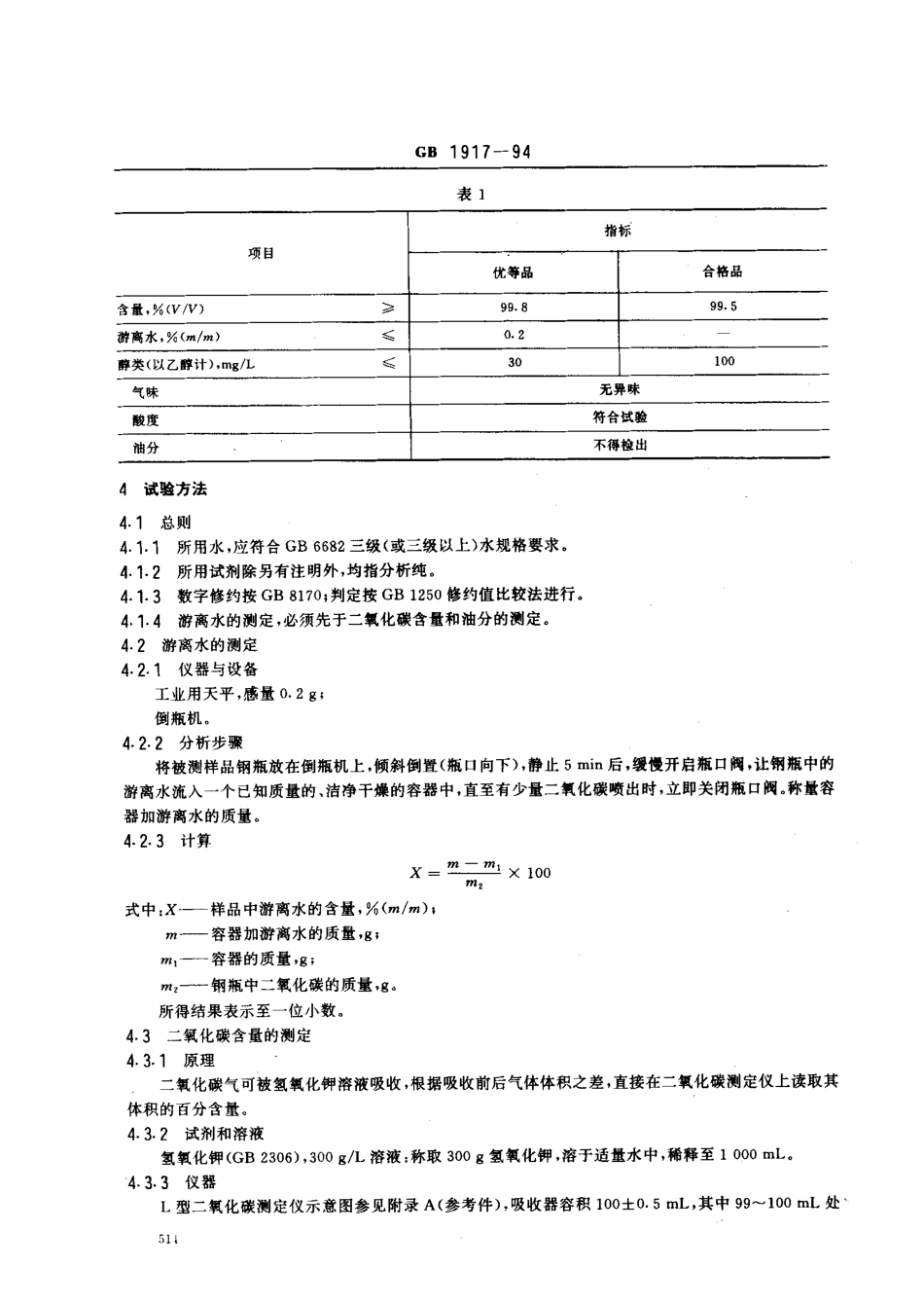
中华人民共和国国家标准口口口体添加(发酵氧化法)1917一94GB1917一80FoodadditiveLiquidcarbondioxide(fromalcoholfermentationplant)1主肠内容与适用范围本标准规定了食品添加剂液体二氧化碳(发酵法)的技术要求、试验方法、检验规则和标志、包装、运输、贮存。本标准适用于以发醉法生产酒精过程中所产生的二氧化碳气体,经水洗、净化、干燥、冷却、加压而制得的用钢瓶或贮雄(车)充装的液体二氧化碳.本品主要用于碳酸饮料,也可用于食品加工、食品保鲜及贮存。2引用标准GB601GB603GB1250GB6682GB8170化学试剂滴定分析(容量分析)用标准溶液的制备化学试剂试验方法中所用制剂及制品的制备极限数值的表示方法和判定方法实验室用水规格数值修约规则3技术要求I,性状本品为无色气体,无异味。3.2理化指标应符合表1要求。国家技术监督局1994一03一15批准1994一12一01实施GB1917一94表1项目指标优等品合格品含量,%(V/V))99.899.5游离水,%(m/m)50.2醉类(以乙醉计),mg/L30100气味无异味酸度符合试脸油分不得检出4.1试验方法总则4.1.1所用水,应符合GB6682三级(或三级以上)水规格要求。4.1.2所用试剂除另有注明外,均指分析纯。4.1.3数字修约按GB8170;判定按GB125。修约值比较法进行。4.1.4游离水的测定,必须先于二氧化碳含量和油分的测定。4.2游离水的测定4.2.1仪器与设备工业用天平,感量0.2g;倒瓶机。4-2.2分析步骤将被测样品钢瓶放在倒瓶机上,倾斜倒置(瓶口向下),静止5min后,缓慢开启瓶口阀,让钢瓶中的游离水流入一个已知质量的、洁净干操的容器中,直至有少量二氧化碳喷出时,立即关闭瓶口阀。称量容器加游离水的质量。4-2.3计算X=m-m,X100叨2式中:X—样品中游离水的含量,%(二/,)。,—容器加游离水的质量,g;m;—容器的质量,9;叨2—钢瓶中二氧化碳的质量,9。所得结果表示至一位小数。4.3二氧化碳含量的测定4.3.1原理二氧化碳气可被氢氧化钾溶液吸收,根据吸收前后气体体积之差,直接在二氧化碳测定仪上读取其体积的百分含量。4.3.2试剂和溶液氢氧化钾(GB2306),300g/L溶液:称取300g氢氧化钾,溶于适量水中,稀释至1000mL,4.3.3仪器L型二氧化碳测定仪示意图参见附录A(参考件),吸收器容积100士0.5mL,其中99100mL处511GB1917一94分度值为。.05mL,允许误差为。.01mL,4.3.4分析步骤4.3-4.1仪器的准备a.按L型二氧化碳测定仪使用说明书安装调试,检查各部件无损并不得漏气。b.在钢瓶口装上减压阀,减压阀出口连接一根橡胶管,开启总阀后,缓慢打开...

1、当您付费下载文档后,您只拥有了使用权限,并不意味着购买了版权,文档只能用于自身使用,不得用于其他商业用途(如 [转卖]进行直接盈利或[编辑后售卖]进行间接盈利)。
2、本站所有内容均由合作方或网友上传,本站不对文档的完整性、权威性及其观点立场正确性做任何保证或承诺!文档内容仅供研究参考,付费前请自行鉴别。
3、如文档内容存在违规,或者侵犯商业秘密、侵犯著作权等,请点击“违规举报”。

碎片内容

蜗牛文库的最新文档

二年级数学下册其中检测卷二年级数学下册其中检测卷附答案#期中测试卷.pdf
10.00金币
0下载
二年级数学下册期末质检卷(苏教版)二年级数学下册期末质检卷(苏教版)#期末复习 #期末测试卷 #二年级数学 #二年级数学下册#关注我持续更新小学知识.pdf
10.00金币
0下载
二年级数学下册期末混合运算专项练习二年级数学下册期末混合运算专项练习#二年级#二年级数学下册#关注我持续更新小学知识 #知识分享 #家长收藏孩子受益.pdf
10.00金币
1下载
二年级数学下册年月日三类周期问题解题方法二年级数学下册年月日三类周期问题解题方法#二年级#二年级数学下册#知识分享 #关注我持续更新小学知识 #家长收藏孩子受益.pdf
10.00金币
0下载
二年级数学下册解决问题专项训练二年级数学下册解决问题专项训练#专项训练#解决问题#二年级#二年级数学下册#知识分享.pdf
10.00金币
1下载
二年级数学下册还原问题二年级数学下册还原问题#二年级#二年级数学#关注我持续更新小学知识 #知识分享 #家长收藏孩子受益.pdf
10.00金币
1下载
二年级数学下册第六单元考试卷家长打印出来给孩子测试测试争取拿到高分!#小学二年级试卷分享 #二年级第六单考试数学 #第六单考试#二年级数学下册.pdf
10.00金币
0下载
二年级数学下册必背顺口溜口诀汇总二年级数学下册必背顺口溜口诀汇总#二年级#二年级数学下册 #知识分享 #家长收藏孩子受益 #关注我持续更新小学知识.pdf
10.00金币
0下载
二年级数学下册《重点难点思维题》两大问题解决技巧和方法巧算星期几解决周期问题还原问题强化思维训练老师精心整理家长可以打印出来给孩子练习#家长收藏孩子受益 #学霸秘籍 #思维训练 #二年级 #知识点总结.pdf
10.00金币
0下载
二年级数学下册 必背公式大全寒假提前背一背开学更轻松#二年级 #二年级数学 #二年级数学下册 #寒假充电计划 #公式.pdf
10.00金币
0下载
蜗牛文库+ 关注
实名认证
内容提供者

提供各种专业文档内容

确认删除?
QQ
  • QQ点击这里给我发消息
微信客服
  • 微信客服
回到顶部