电脑桌面
添加蜗牛文库到电脑桌面
安装后可以在桌面快捷访问

GB 14884-1994 蜜饯食品卫生标准.pdfVIP免费

GB 14884-1994 蜜饯食品卫生标准.pdf_第1页
GB 14884-1994 蜜饯食品卫生标准.pdf_第2页
GB 14884-1994 蜜饯食品卫生标准.pdf_第3页
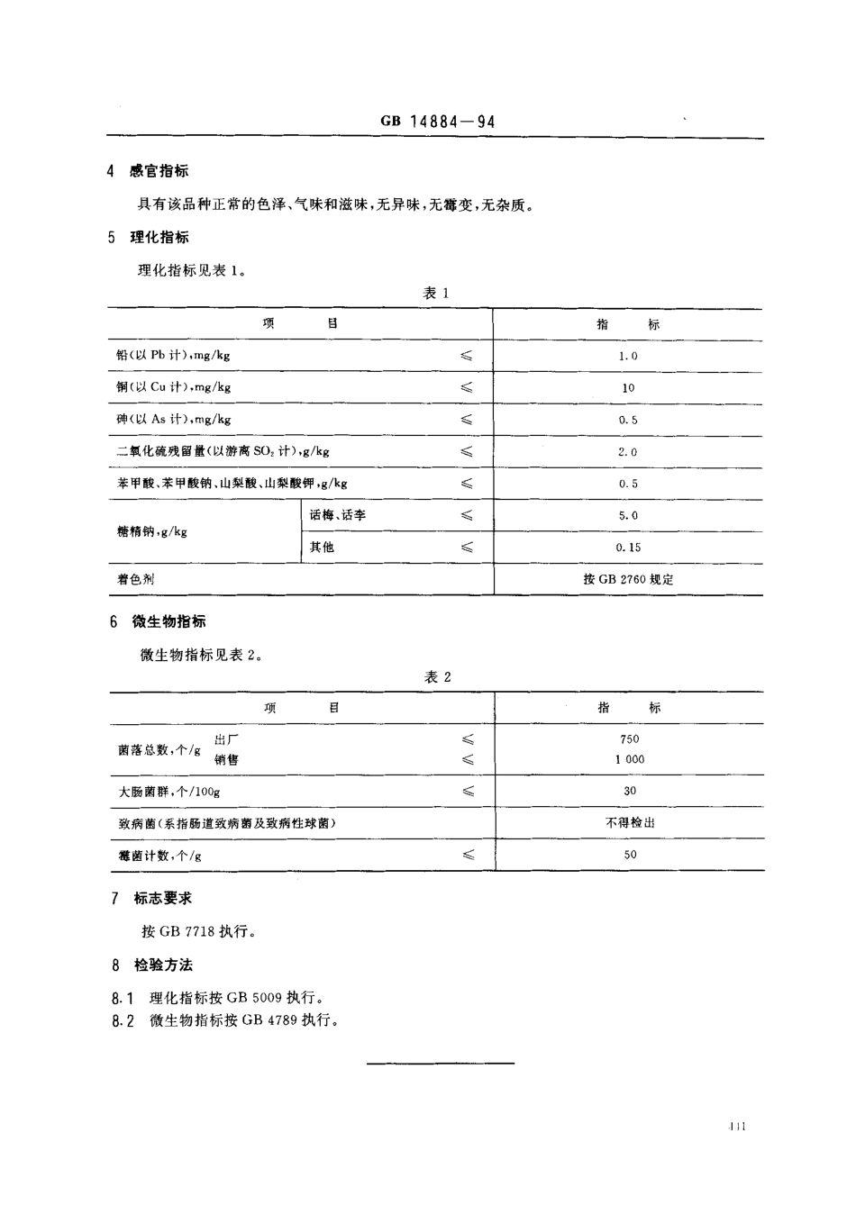
中华人民共和国国家标准蜜饯食品卫生标准GB14884一94Hygienicstandardforpreservedfruits1主题内容与适用范围本标准规定了蜜饯食品的卫生要求。本标准适用于以干鲜果品、瓜蔬等为主要原料,经糖溃蜜制或盐渍加工而成的蜜饯食品。2引用标准GB276。食品添加剂使用卫生标准GB4789食品卫生微生物学检验GB5009.11食品中总砷的测定方法GB5009.12食品中铅的测定方法GB5009.13食品中铜的测定方法GB5009.28食品中糖精钠的测定方法GB5009.29食品中山梨酸、苯甲酸的测定方法GB5009.34食品中亚硫酸盐的测定方法GB5009.35食品中着色剂的测定方法GB7718食品标签通用标准GB10782蜜饯食品通则3蜜饯食品的分类蜜饯食品按其性状特点、加工方法不同分类如下:3.1糖渍蜜饯:原料经糖渍蜜制后,成品浸渍在一定浓度的糖液中,略有透明感,如糖青梅、蜜樱桃、蜜金桔、糖化皮榄等。3.2返砂蜜饯:原料经糖渍、糖煮后,成品表面千燥,附有白色糖霜,如冬瓜条、金丝蜜枣、糖桔饼、红绿丝、白糖杨梅等。3.3果脯:原料经糖渍、糖制后,经过干燥,成品表面不粘不燥,有透明感,无糖霜析出,如杏脯、桃脯、苹果脯、梨脯、枣脯、青梅等。3.4凉果:原料在糖渍或糖煮过程中,添加甜味剂、香料等,成品表面呈干态,具有浓郁香味,如雪花应子、柠檬李丁香榄、福果等。3.5甘草制品:原料采用果坯,配以糖、甘草和其他食品添加剂,经浸渍处理后,进行干燥,成品有甜、酸咸等风味,如话梅、话李、九制陈皮、甘草榄、甘草金桔等。3,6果糕:原料加工成酱状,经浓缩干燥,成品呈片、条、块等形状,如山檀糕、金糕条、山植饼、果丹皮等中华人民共和国卫生部1994一02一22批准1994一09一01实施GB14884一94感官指标具有该品种正常的色泽、气味和滋味,无异味,无霉变,无杂质。理化指标理化指标见表1,表1项目指标铅(以Pb计),mg/kg毛1.0铜(以Cu计),mg/kg簇10砷(以As计),mg/kg0.5二氧化硫残留量(以游离SO,计),g/kg镇2.0苯甲酸、苯甲酸钠、山梨酸、山梨酸钾,g/kg(0.5糖梢钠,g/kg话梅、话李55.0其他镇0.15着色剂按GB2760规定6微生物指标微生物指标见表2,表2项目指标菌落总数,个/9纂髻17501000大肠菌群,个/100gG30致病菌(系指肠道致病菌及致病性球菌)不得检出霉菌计数,个/850了标志要求按GB7718执行。8检验方法8.1理化指标按GB5009执行。8.2微生物指标按GB4789执行。Gs14884一94附加说明:本标准由卫生部卫生监督司提出。本标准由卫生部食品卫生监督检验所、北京市卫生防疫站、山东省食品卫生监督检验所、...

1、当您付费下载文档后,您只拥有了使用权限,并不意味着购买了版权,文档只能用于自身使用,不得用于其他商业用途(如 [转卖]进行直接盈利或[编辑后售卖]进行间接盈利)。
2、本站所有内容均由合作方或网友上传,本站不对文档的完整性、权威性及其观点立场正确性做任何保证或承诺!文档内容仅供研究参考,付费前请自行鉴别。
3、如文档内容存在违规,或者侵犯商业秘密、侵犯著作权等,请点击“违规举报”。

碎片内容

蜗牛文库的最新文档

二年级数学下册其中检测卷二年级数学下册其中检测卷附答案#期中测试卷.pdf
10.00金币
0下载
二年级数学下册期末质检卷(苏教版)二年级数学下册期末质检卷(苏教版)#期末复习 #期末测试卷 #二年级数学 #二年级数学下册#关注我持续更新小学知识.pdf
10.00金币
0下载
二年级数学下册期末混合运算专项练习二年级数学下册期末混合运算专项练习#二年级#二年级数学下册#关注我持续更新小学知识 #知识分享 #家长收藏孩子受益.pdf
10.00金币
1下载
二年级数学下册年月日三类周期问题解题方法二年级数学下册年月日三类周期问题解题方法#二年级#二年级数学下册#知识分享 #关注我持续更新小学知识 #家长收藏孩子受益.pdf
10.00金币
0下载
二年级数学下册解决问题专项训练二年级数学下册解决问题专项训练#专项训练#解决问题#二年级#二年级数学下册#知识分享.pdf
10.00金币
1下载
二年级数学下册还原问题二年级数学下册还原问题#二年级#二年级数学#关注我持续更新小学知识 #知识分享 #家长收藏孩子受益.pdf
10.00金币
1下载
二年级数学下册第六单元考试卷家长打印出来给孩子测试测试争取拿到高分!#小学二年级试卷分享 #二年级第六单考试数学 #第六单考试#二年级数学下册.pdf
10.00金币
0下载
二年级数学下册必背顺口溜口诀汇总二年级数学下册必背顺口溜口诀汇总#二年级#二年级数学下册 #知识分享 #家长收藏孩子受益 #关注我持续更新小学知识.pdf
10.00金币
0下载
二年级数学下册《重点难点思维题》两大问题解决技巧和方法巧算星期几解决周期问题还原问题强化思维训练老师精心整理家长可以打印出来给孩子练习#家长收藏孩子受益 #学霸秘籍 #思维训练 #二年级 #知识点总结.pdf
10.00金币
0下载
二年级数学下册 必背公式大全寒假提前背一背开学更轻松#二年级 #二年级数学 #二年级数学下册 #寒假充电计划 #公式.pdf
10.00金币
0下载
蜗牛文库+ 关注
实名认证
内容提供者

提供各种专业文档内容

确认删除?
QQ
  • QQ点击这里给我发消息
微信客服
  • 微信客服
回到顶部