电脑桌面
添加蜗牛文库到电脑桌面
安装后可以在桌面快捷访问

GB 9106-1994 包装容器 铝易开盖两片罐.pdfVIP免费

GB 9106-1994 包装容器 铝易开盖两片罐.pdf_第1页
GB 9106-1994 包装容器 铝易开盖两片罐.pdf_第2页
GB 9106-1994 包装容器 铝易开盖两片罐.pdf_第3页
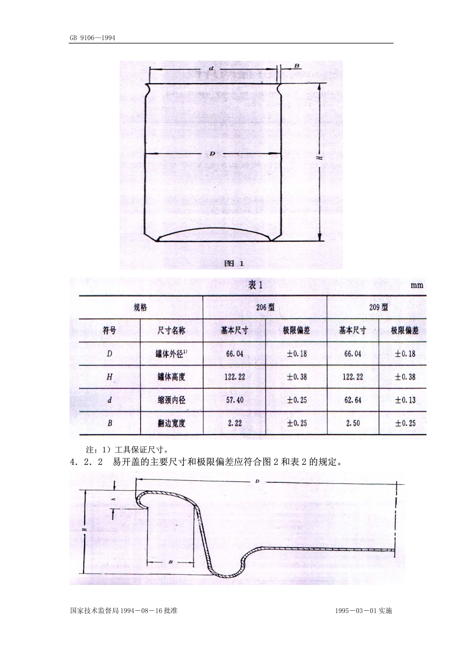
GB9106—1994中华人民共和国国家标准包装容器铝易开盖两片罐Packagingcontainers——Aluminiumeasyopenendandtwo-piececanGB9106—1994代替GB9106—19881主题内容与适用范围本标准规定了铝易开盖两片罐的主要技术要求、试验方法、检验规则及其标志、包装、运输、贮存。本标准适用于盛装啤酒、充碳酸气及充氮软饮料的铝易开盖两片罐的制造、使用、流通和监督检验。2引用标准GB/T2828逐批检查计数抽样程序及抽样表(适用于连续批的检查)GB11677水基改性环氧易拉罐内壁涂料卫生标准GB/T13040包装术语金属容器3术语、符号3.1术语应符合GB/T13040的规定。3.2符号3.2.1缩颈翻边罐体D——罐体外径H——罐体高度d——缩颈内径B——翻边宽度3.2.2铝易开盖D——钩边外径B——钩边开度H——埋头度h——钩边高度E——每50.80mm盖钩边的重叠个数4铝易开盖两片罐分类4.1铝易开盖两片罐按尺寸分为206、209两种规格。4.2结构尺寸4.2.1缩颈翻边罐体的主要尺寸和极限偏差应符合图1和表1的规定。国家技术监督局1994-08-16批准1995-03-01实施国家技术监督局1994-08-16批准1995-03-01实施GB9106—1994注:1)工具保证尺寸。4.2.2易开盖的主要尺寸和极限偏差应符合图2和表2的规定。国家技术监督局1994-08-16批准1995-03-01实施GB9106—1994图2表2mm规格206型209型符号尺寸名称基本尺寸极限偏差基本尺寸极限偏差D钩边外径64.82±0.2572.00±0.25B钩边开度≥2.72—≥3.07—H埋头度6.35±0.136.35±0.13h钩边高度2.01±0.202.36±0.20E每50.80mm盖钩边的重叠个数26±222±25技术要求5.1基本要求5.1.1产品应符合本标准的要求,并按规定程序批准的图样和技术文件制造。5.1.2产品出厂时必须符合GB11677的卫生要求。5.2缩颈翻边罐体5.2.1罐体的主要性能应符合表3的规定。表3性能指标项目206型209型轴向承压力,kN≥1.25≥1.35耐压强度,kPa≥610啤酒罐体单个≤75,平均≤50内涂膜完整性mA软饮料罐体单个≤30,平均≤85.2.2涂层的质量要求罐体涂层必须附着良好,在巴氏杀菌后不得有脱落、变色和起泡等缺陷。5.2.3外观质量要求5.2.3.1产品的图案及颜色应由供需双方协商确定。5.2.3.2外观质量要求见表4。表4名称级别缺陷内容AQLA类不合格内涂层含杂质,罐内明显的油污或其他杂物,针孔;罐身折曲或凹痕导致内涂层损伤;翻边缺损或撞凹,翻边不完全,翻边开裂,翻边有毛刺0.65B类不合格涂料在罐内壁成滴状和斑点,底部内涂层有气泡,底...

1、当您付费下载文档后,您只拥有了使用权限,并不意味着购买了版权,文档只能用于自身使用,不得用于其他商业用途(如 [转卖]进行直接盈利或[编辑后售卖]进行间接盈利)。
2、本站所有内容均由合作方或网友上传,本站不对文档的完整性、权威性及其观点立场正确性做任何保证或承诺!文档内容仅供研究参考,付费前请自行鉴别。
3、如文档内容存在违规,或者侵犯商业秘密、侵犯著作权等,请点击“违规举报”。

碎片内容

蜗牛文库的最新文档

二年级数学下册其中检测卷二年级数学下册其中检测卷附答案#期中测试卷.pdf
10.00金币
0下载
二年级数学下册期末质检卷(苏教版)二年级数学下册期末质检卷(苏教版)#期末复习 #期末测试卷 #二年级数学 #二年级数学下册#关注我持续更新小学知识.pdf
10.00金币
0下载
二年级数学下册期末混合运算专项练习二年级数学下册期末混合运算专项练习#二年级#二年级数学下册#关注我持续更新小学知识 #知识分享 #家长收藏孩子受益.pdf
10.00金币
1下载
二年级数学下册年月日三类周期问题解题方法二年级数学下册年月日三类周期问题解题方法#二年级#二年级数学下册#知识分享 #关注我持续更新小学知识 #家长收藏孩子受益.pdf
10.00金币
0下载
二年级数学下册解决问题专项训练二年级数学下册解决问题专项训练#专项训练#解决问题#二年级#二年级数学下册#知识分享.pdf
10.00金币
1下载
二年级数学下册还原问题二年级数学下册还原问题#二年级#二年级数学#关注我持续更新小学知识 #知识分享 #家长收藏孩子受益.pdf
10.00金币
1下载
二年级数学下册第六单元考试卷家长打印出来给孩子测试测试争取拿到高分!#小学二年级试卷分享 #二年级第六单考试数学 #第六单考试#二年级数学下册.pdf
10.00金币
0下载
二年级数学下册必背顺口溜口诀汇总二年级数学下册必背顺口溜口诀汇总#二年级#二年级数学下册 #知识分享 #家长收藏孩子受益 #关注我持续更新小学知识.pdf
10.00金币
0下载
二年级数学下册《重点难点思维题》两大问题解决技巧和方法巧算星期几解决周期问题还原问题强化思维训练老师精心整理家长可以打印出来给孩子练习#家长收藏孩子受益 #学霸秘籍 #思维训练 #二年级 #知识点总结.pdf
10.00金币
0下载
二年级数学下册 必背公式大全寒假提前背一背开学更轻松#二年级 #二年级数学 #二年级数学下册 #寒假充电计划 #公式.pdf
10.00金币
0下载
蜗牛文库+ 关注
实名认证
内容提供者

提供各种专业文档内容

确认删除?
QQ
  • QQ点击这里给我发消息
微信客服
  • 微信客服
回到顶部