电脑桌面
添加蜗牛文库到电脑桌面
安装后可以在桌面快捷访问

GB 17400-1998 方便面卫生标准.pdfVIP免费

GB 17400-1998 方便面卫生标准.pdf_第1页
GB 17400-1998 方便面卫生标准.pdf_第2页
GB 17400-1998 方便面卫生标准.pdf_第3页
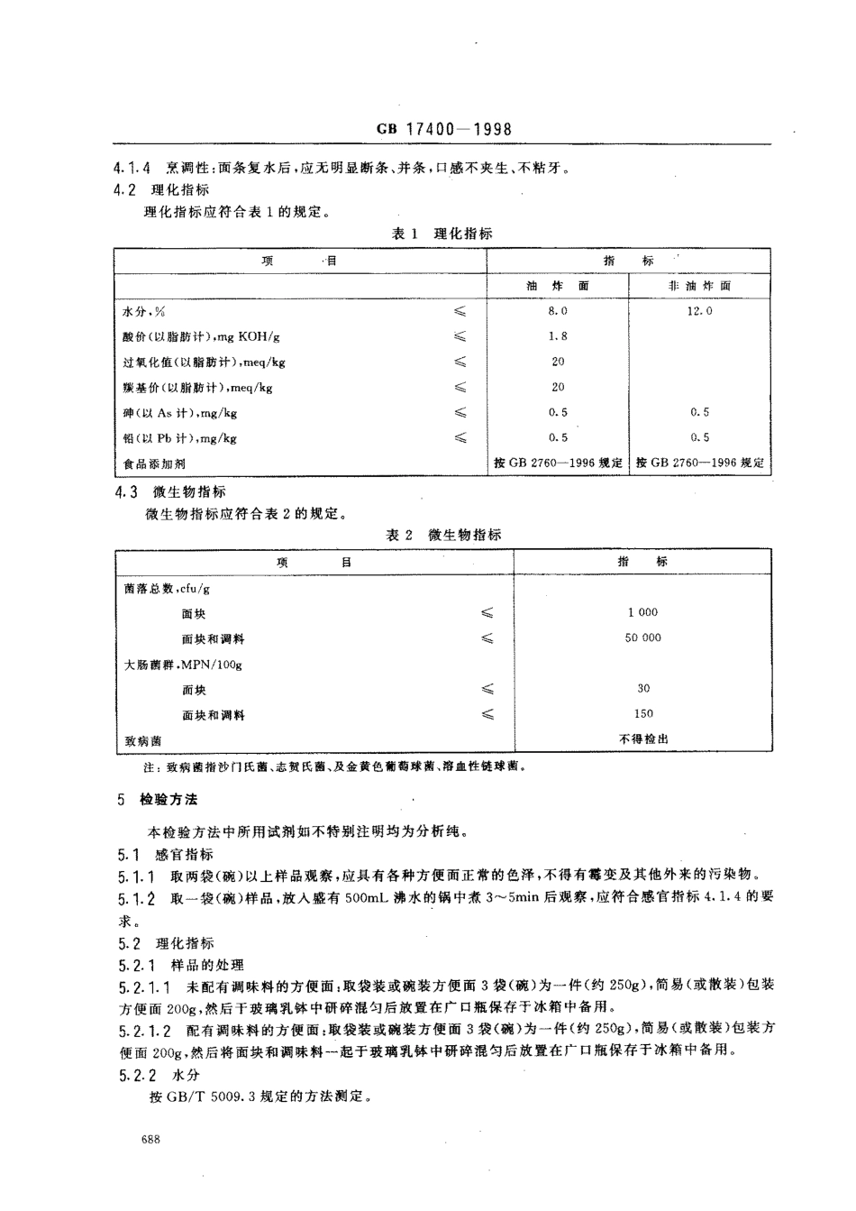
GB17400一1998前言本标准在制定指标时,尽量与国内(SB/T10250-95《方便面》)、国外(]AS通告1571-72((方便面})同类食品标准保持一致。但由于生产状况与国外同类食品不完全相同,因此,本标准依据卫生学调查结果,应用具代表性数量样品的检测数据,参考国内(SB/T10250-95)、国外(JAS通告1571--72)同类食品标准而制定本标准由中华人民共和国卫生部提出。本标准由卫生部食品卫生监督检验所负责起草、北京市卫生防疫站、天津顶新国际咨询有限公司参加起草。本标准主要起草人:韩玉莲、冉陆、郑兰波、付萍、宋凤英。本标准由卫生部委托卫生部食品卫生监督检验所负责解释。中华人民共和国国家标准方便面卫生标准GH17400一1998Hygienicstandardforinstantnoodle范围本标准规定了方便面的分类、卫生要求及检验方法。本标准适用于以小麦粉、荞麦粉、绿豆粉、米粉等为主要原料,添加食盐或面质改良剂,加适量水调制、压延、成型、汽蒸后,经油炸或干燥处理,达到一定熟度的方便面。本标准不适用于“保鲜湿面”2引用标准下列标准所包含的条文,通过在本标准中引用而构成为本标准的条文。本标准出版时,所示版本均为有效。所有标准都会被修订,使用本标准的各方应探讨使用下列标准最新版本的可能性GB2760-1996食品添加剂使用卫生标准GB4789.2-94食品卫生微生物学检验菌落总数测定GB4789.3-94食品卫生微生物学检验大肠菌群测定GB4789.4--94食品卫生微生物学检验沙门氏菌检验GB4789.5-94食品卫生微生物学检验志贺氏菌检验GB4789.10-94食品卫生微生物学检验金黄色葡萄球菌检验GB4789.11-94食品卫生微生物学检验溶血性链球菌检验GB/T5009.3-85食品中水分的测定方法GB/T5009.11-1996食品中总砷的测定方法GB/I'5009.12-1996食品中铅的测定方法GB/丁5009.37-1996食用植物油卫生标准的分析方法GB/T5009.56--1996糕点卫生标准的分析方法3分类根据生产工艺不同分为二类。3.1油炸方便面:经食用油脂煎炸、脱水的方便面(简称油炸面)。3.2非油炸方便面:经速冻干燥、微波干燥和真空干燥的方便面(简称非油炸面)。卫生要求4.1感官指标4.1.1色泽:呈该品种特有的颜色,无焦、生现象,正反两面可略有深浅差别。4.1.2气味:气味正常,无霉味、哈喇味及其他异味。4.1.3形状:外型整齐,花纹均匀。不得有异物、焦渣中华人民共和国卫生部1998-05-05批准1999一01一01实施GB17400一19984.1.44.2烹调性面条复水后。应无明显断条、并条,口感不夹生、不粘牙。理化指标理化指标应符合表1的规定。...

1、当您付费下载文档后,您只拥有了使用权限,并不意味着购买了版权,文档只能用于自身使用,不得用于其他商业用途(如 [转卖]进行直接盈利或[编辑后售卖]进行间接盈利)。
2、本站所有内容均由合作方或网友上传,本站不对文档的完整性、权威性及其观点立场正确性做任何保证或承诺!文档内容仅供研究参考,付费前请自行鉴别。
3、如文档内容存在违规,或者侵犯商业秘密、侵犯著作权等,请点击“违规举报”。

碎片内容

蜗牛文库的最新文档

二年级数学下册其中检测卷二年级数学下册其中检测卷附答案#期中测试卷.pdf
10.00金币
0下载
二年级数学下册期末质检卷(苏教版)二年级数学下册期末质检卷(苏教版)#期末复习 #期末测试卷 #二年级数学 #二年级数学下册#关注我持续更新小学知识.pdf
10.00金币
0下载
二年级数学下册期末混合运算专项练习二年级数学下册期末混合运算专项练习#二年级#二年级数学下册#关注我持续更新小学知识 #知识分享 #家长收藏孩子受益.pdf
10.00金币
1下载
二年级数学下册年月日三类周期问题解题方法二年级数学下册年月日三类周期问题解题方法#二年级#二年级数学下册#知识分享 #关注我持续更新小学知识 #家长收藏孩子受益.pdf
10.00金币
0下载
二年级数学下册解决问题专项训练二年级数学下册解决问题专项训练#专项训练#解决问题#二年级#二年级数学下册#知识分享.pdf
10.00金币
1下载
二年级数学下册还原问题二年级数学下册还原问题#二年级#二年级数学#关注我持续更新小学知识 #知识分享 #家长收藏孩子受益.pdf
10.00金币
1下载
二年级数学下册第六单元考试卷家长打印出来给孩子测试测试争取拿到高分!#小学二年级试卷分享 #二年级第六单考试数学 #第六单考试#二年级数学下册.pdf
10.00金币
0下载
二年级数学下册必背顺口溜口诀汇总二年级数学下册必背顺口溜口诀汇总#二年级#二年级数学下册 #知识分享 #家长收藏孩子受益 #关注我持续更新小学知识.pdf
10.00金币
0下载
二年级数学下册《重点难点思维题》两大问题解决技巧和方法巧算星期几解决周期问题还原问题强化思维训练老师精心整理家长可以打印出来给孩子练习#家长收藏孩子受益 #学霸秘籍 #思维训练 #二年级 #知识点总结.pdf
10.00金币
0下载
二年级数学下册 必背公式大全寒假提前背一背开学更轻松#二年级 #二年级数学 #二年级数学下册 #寒假充电计划 #公式.pdf
10.00金币
0下载
蜗牛文库+ 关注
实名认证
内容提供者

提供各种专业文档内容

确认删除?
QQ
  • QQ点击这里给我发消息
微信客服
  • 微信客服
回到顶部